EasyManua.ls Logo

Sony HCD-VX880AV - Schematic Diagram - Main (3;4) Section

Sony HCD-VX880AV
88 pages
Print Icon
To Next Page IconTo Next Page
To Next Page IconTo Next Page
To Previous Page IconTo Previous Page
To Previous Page IconTo Previous Page
Loading...
HCD-VX880AV
37 37
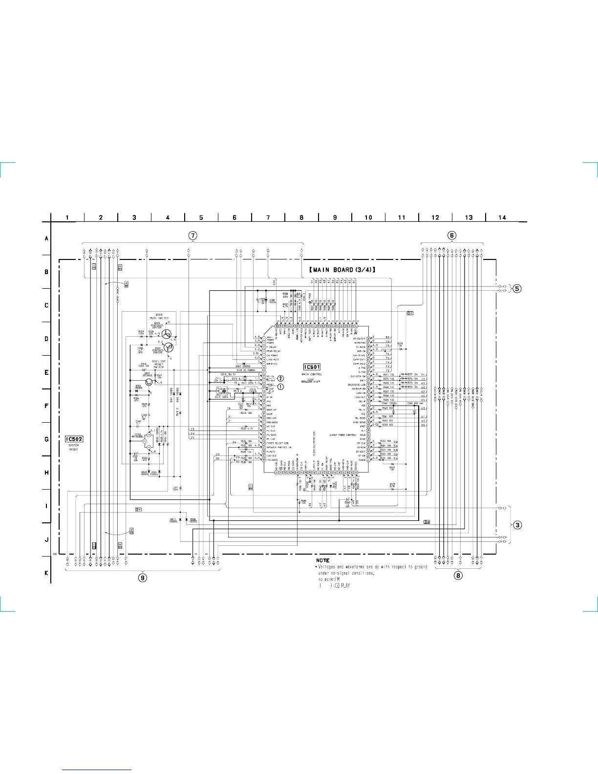
6-12. SCHEMATIC DIAGRAM – MAIN (3/4) SECTION –
• See page 27 for Waveforms.
• See page 39 for Printed Wiring Board.
• See page 60 for IC Pin Functions.
(Page 36)
(Page 36)
(Page 35)
(Page 35)
(Page 38)
(Page 38)

Table of Contents

Related product manuals