EasyManua.ls Logo

Sony RMT-D172A - Power (1) Block Diagram

Sony RMT-D172A
102 pages
Print Icon
To Next Page IconTo Next Page
To Next Page IconTo Next Page
To Previous Page IconTo Previous Page
To Previous Page IconTo Previous Page
Loading...
DVP-NS975V
3-3 3-4
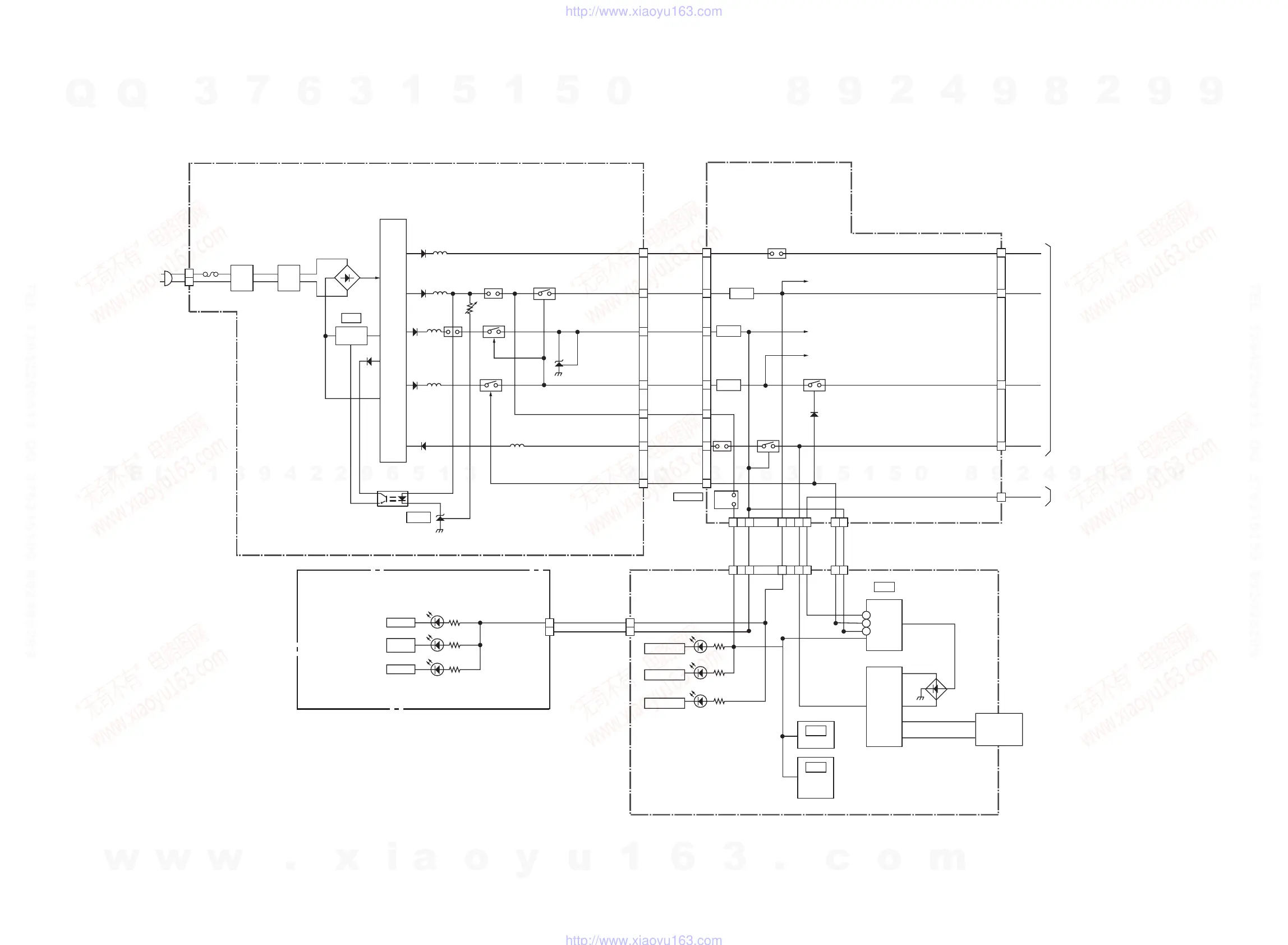
3-2. POWER (1) BLOCK DIAGRAM
1 7
IN
OUT
D403
Q403, 404
PS402CN401
SW+5V
FL401
FILTER
FL402
PS401
Q401,
402
FILTER
FL403
FILTER
SW+3.5V
SW+8V
AC IN
CN101
F101
1
2
L101
LINE
FILTER
L102
LINE
FILTER
D101-104
IC101
SWITCHING
CONTROL
D107
L301D301
L502
P502 VR501
Q501
P401
Q401
L401
D501
D401
L201
D201
PC101
PHOTO COUPLER
T101
IC501
SHUNT REG
D601
L601
Q301
IC502
SHUNT REG
3
EVER+11V
SW+8V
EVER+5V
EVER-10V
SW+5V
SW+3.5V
POWER CONTROL
CN402
CN401
SW+5V
SW+3.5V
6
5
1
4
10
8
5
6
16
7
3
8
5
6
10
7
1
3
4
5
6153
CN106
CN402
42 73
12
2
3
115
12
26
30
VOFF
IC404
IF CON
PCONT
VKK
D406-D409
Q403,404
T401
DC/DC
CONVERTER
IC408
D401
PROGRESSIVE
D403
FL OFF
D404
VIDEO OFF
RESET
REMOTE
COMMANDER
RECEIVER
IC406
F1
F2
*N401
FLUORESCENT
INDICATOR TUBE
PONCHK
GN201
EVER+3.3V
SW+3.5V
SW+5V
SW-10V
V-OFF
P-CONT
P-CONT
3.3V_MNT
CN302
V-OFF
SW-10V
MUTE+5V
SW+5V
EVER+11V
CN403
3.3V REG
IC401
MB-118 BOARD (3/6)
(SEE PAGE 4-11 to 4-12)
POWER BLOCK
(SRV1579WW)
(SEE PAGE 4-37 to 4-38)
IF-115 BOARD
(SEE PAGE 4-21 to 4-22)
71
CN201 CN403
D203
MULTI
CHANNEL
D202
HDMI
D201
SACD
PL-035 BOARD
(SEE PAGE 4-25 to 4-26)
POWER (3)
(SEE PAGE 3-7 to 3-8)
POWER (3)
(SEE PAGE 3-7 to 3-8)
w
w
w
.
x
i
a
o
y
u
1
6
3
.
c
o
m
Q
Q
3
7
6
3
1
5
1
5
0
9
9
2
8
9
4
2
9
8
T
E
L
1
3
9
4
2
2
9
6
5
1
3
9
9
2
8
9
4
2
9
8
0
5
1
5
1
3
6
7
3
Q
Q
TEL 13942296513 QQ 376315150 892498299
TEL 13942296513 QQ 376315150 892498299
http://www.xiaoyu163.com
http://www.xiaoyu163.com

Table of Contents

Related product manuals