EasyManua.ls Logo

Sony RMT-D172A - Power (3) Block Diagram

Sony RMT-D172A
102 pages
Print Icon
To Next Page IconTo Next Page
To Next Page IconTo Next Page
To Previous Page IconTo Previous Page
To Previous Page IconTo Previous Page
Loading...
DVP-NS975V
3-7 3-8
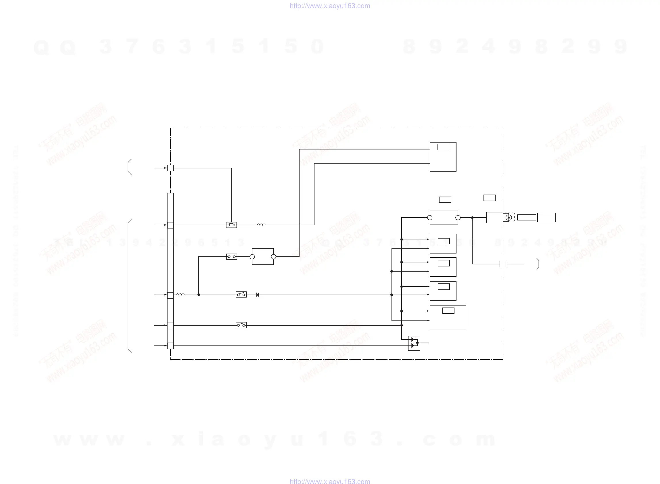
3-4. POWER (3) BLOCK DIAGRAM
POWER (1)
(SEE PAGE 3-3 to 3-4)
POWER (1)
(SEE PAGE 3-3 to 3-4)
POWER (2)
(SEE PAGE 3-5 to 3-6)
7
L301
Q312
Q310
D302
Q104
IC101
L101
Q103
IN
23
OUT
-5V REG
6
2
5
3
MUTE+5V
EVER+11V
SW-10V
SW+5V
V-OFF
CN302
CN201
IC103
IC302
IC303
AUDIO AMP
IC201
5 CH FRONT
AUDIO AMP
IC202
5 CH REAR
AUDIO AMP
IC203
MUTE V
MUTE V
5 CH
CENTERWOOFER
AUDIO AMP
+5V REG
1
4
3
IC301
OPTICAL
DIGITAL
OUT
OPTICAL
DIGITAL OUT
VIDEO
AMP
VIN
VOUT
A+5V
AV-086 BOARD (1/3-3/3)
(SEE PAGE 4-29 to 4-34)
w
w
w
.
x
i
a
o
y
u
1
6
3
.
c
o
m
Q
Q
3
7
6
3
1
5
1
5
0
9
9
2
8
9
4
2
9
8
T
E
L
1
3
9
4
2
2
9
6
5
1
3
9
9
2
8
9
4
2
9
8
0
5
1
5
1
3
6
7
3
Q
Q
TEL 13942296513 QQ 376315150 892498299
TEL 13942296513 QQ 376315150 892498299
http://www.xiaoyu163.com
http://www.xiaoyu163.com

Table of Contents

Related product manuals