EasyManua.ls Logo

Sony RMT-D172A - Power (2) Block Diagram

Sony RMT-D172A
102 pages
Print Icon
To Next Page IconTo Next Page
To Next Page IconTo Next Page
To Previous Page IconTo Previous Page
To Previous Page IconTo Previous Page
Loading...
DVP-NS975V
3-5 3-6
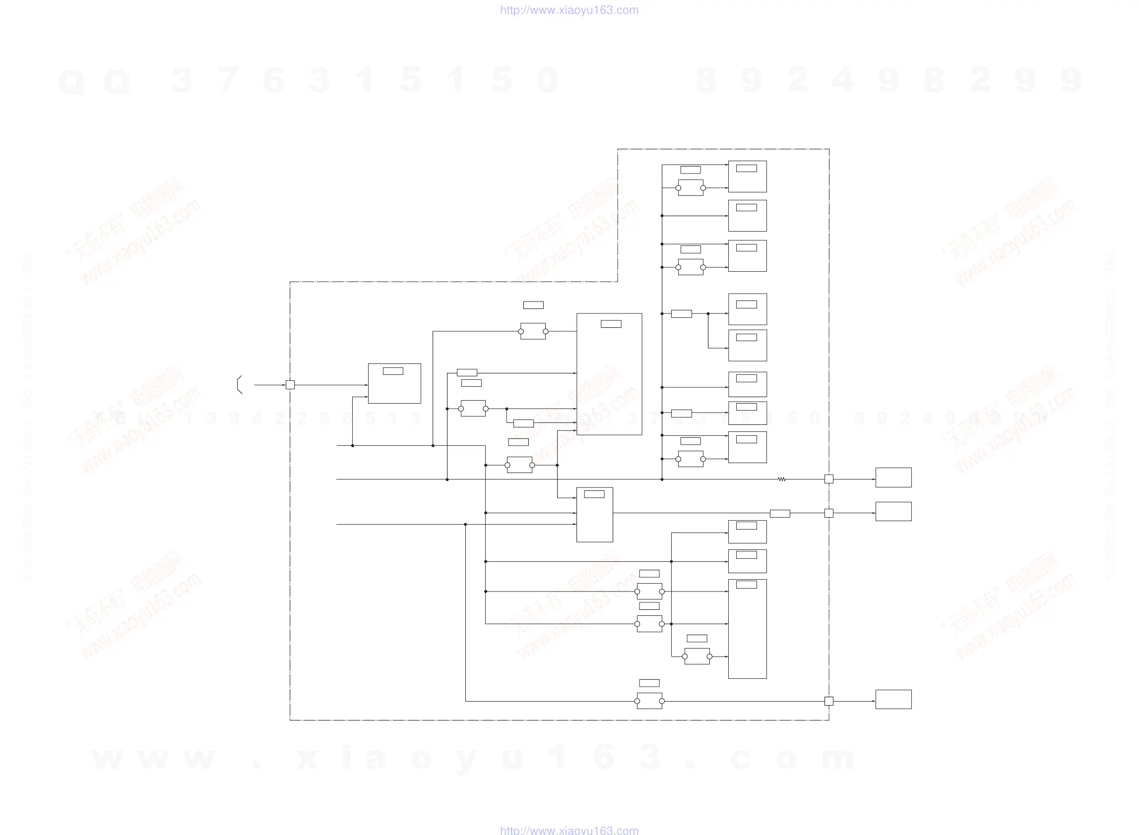
3-3. POWER (2) BLOCK DIAGRAM
1.8V REG
2.5V REG
2.5V REG
3.3V REG
1.8V REG
3.3V REG
5V REG
2.5V REG
IC106
IC201
8CH
D/A CONVERTER
SW+5V
CN301
22A+5V
SW+3.5V
SW+8V
IC201
MOTOR
DRIVER
FL101
FILTER
11
CN101
18
CN601
VCC
OPTICAL
DEVICE
HDMI
OUT
IN LIMIT
SENSOR
LIMIT
CN201
4
IC104
64M SDRAM
IC108
RESET IC
IC608
BUFFER
IC601
Sub CPU
IC602
HDMI
FL108
FILTER
IC101
32M Flash
IC503
IC501
IP CONVERTER
IC506
VIDEO
DECODER
IC509
16M SDRAM
IC507
SCALER
IC103
EEPROM
FL104
IC102
SYSTEM CONTROL
AV DECODER
SERVO DSP
RF AMP
FILTER
IC105
3.3V REG
IN
OUT
1
3
IN
OUT
5
4
IC508
IN
OUT
5
4
IC606
IN
OUT
5
4
IC604
IN
OUT
6
4
IC602
IN
OUT
5
4
IC605
IN
OUT
6
4
IC505
IN
OUT
7
1
IN
OUT
5
4
IN
OUT
5
4
FL106
FILTER
FILTER
IC107
3.3V REG
FL107
RF1.8V
RF3.3V
POWER (3)
(SEE PAGE 3-7 to 3-8)
MB-118 BOARD (1/6-6/6)
(SEE PAGE 4-7 to 4-18)
w
w
w
.
x
i
a
o
y
u
1
6
3
.
c
o
m
Q
Q
3
7
6
3
1
5
1
5
0
9
9
2
8
9
4
2
9
8
T
E
L
1
3
9
4
2
2
9
6
5
1
3
9
9
2
8
9
4
2
9
8
0
5
1
5
1
3
6
7
3
Q
Q
TEL 13942296513 QQ 376315150 892498299
TEL 13942296513 QQ 376315150 892498299
http://www.xiaoyu163.com
http://www.xiaoyu163.com

Table of Contents

Related product manuals