EasyManua.ls Logo

Sony RMT-D172A - Video Block Diagram

Sony RMT-D172A
102 pages
Print Icon
To Next Page IconTo Next Page
To Next Page IconTo Next Page
To Previous Page IconTo Previous Page
To Previous Page IconTo Previous Page
Loading...
DVP-NS975V
3-21 3-22
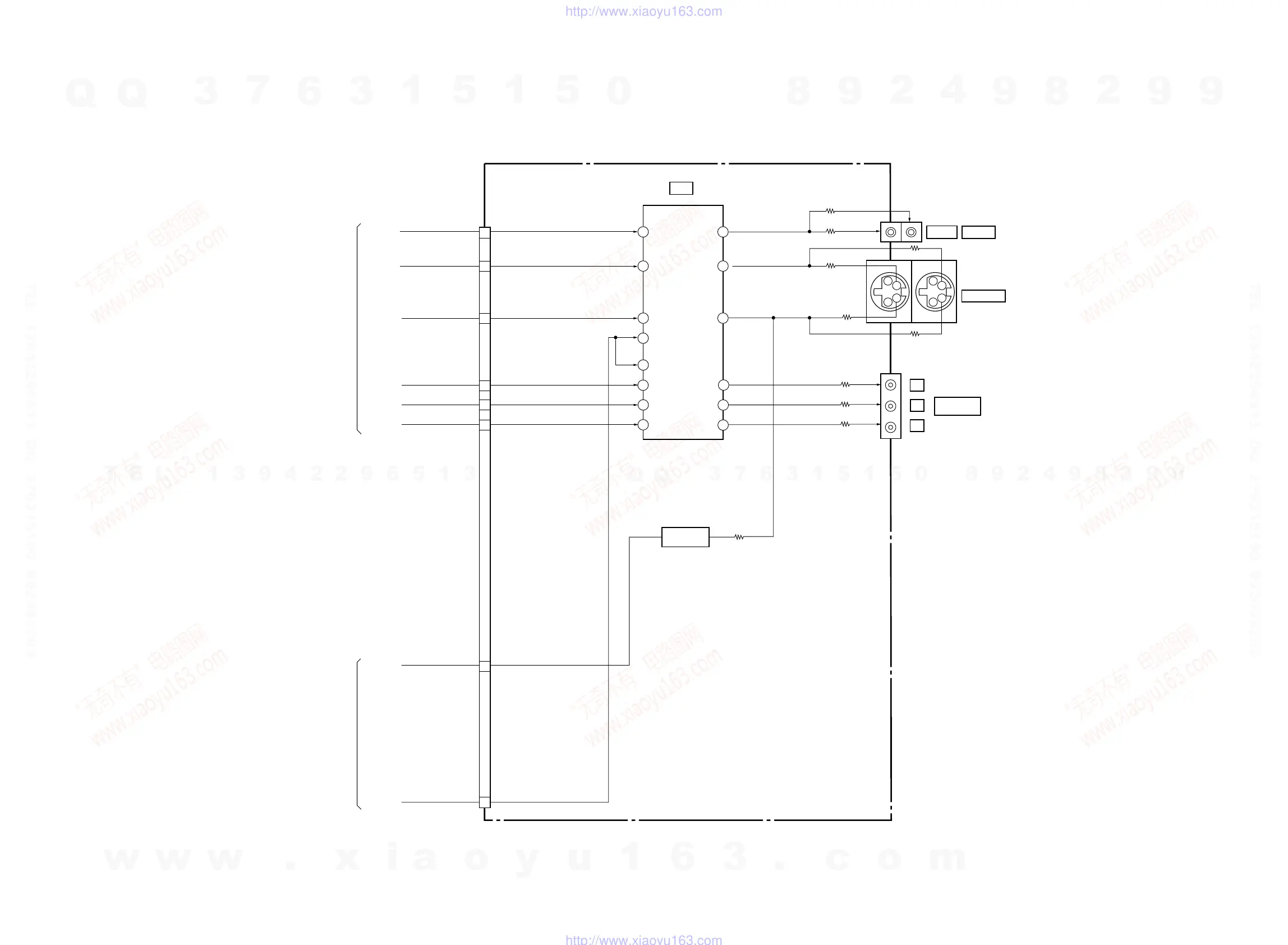
3-11. VIDEO BLOCK DIAGRAM
11
15
13
17
19
21
20
10
31
23
25
21
8
11
13
1
32
16
3 29
5 27
Y
C
J102
J101 (1/2)
COMPONENT
VIDEO OUT
J103
Y
C
B
C
R
SYSTEM CONTROL
(SEE PAGE 3-9 to 3-10)
SYSTEM CONTROL
TO MB-117
(SEE PAGE 3-9 to 3-10)
WIDE
VMUTE
Y/G
Cb/B
Cr/R
C
Y
V
CN301 (1/2)
C
Y
V
VIDEO BUFFER
VIDEO IN
VIDEO OUT
SY OUT
SY IN
C IN
C OUT
MUTE1
MUTE2
Y IN
Y OUT
Y
Cb
Cr
Cb IN
Cr IN
Cb OUT
Cr OUT
IC103
VIDEO
LINE OUT
Y
C
S VIDEO OUT
Q111, 112
WIDE SWITCH
AV-086 BOARD (1/3)
(SEE PAGE 4-29 to 4-30)
TO MB-117
w
w
w
.
x
i
a
o
y
u
1
6
3
.
c
o
m
Q
Q
3
7
6
3
1
5
1
5
0
9
9
2
8
9
4
2
9
8
T
E
L
1
3
9
4
2
2
9
6
5
1
3
9
9
2
8
9
4
2
9
8
0
5
1
5
1
3
6
7
3
Q
Q
TEL 13942296513 QQ 376315150 892498299
TEL 13942296513 QQ 376315150 892498299
http://www.xiaoyu163.com
http://www.xiaoyu163.com

Table of Contents

Related product manuals