EasyManua.ls Logo

Sony RMT-D172A - Page 65

Sony RMT-D172A
102 pages
Print Icon
To Next Page IconTo Next Page
To Next Page IconTo Next Page
To Previous Page IconTo Previous Page
To Previous Page IconTo Previous Page
Loading...
1
A
B
C
D
E
F
G
H
I
J
2
12
13
11
10
98765
43
14
15
DVP-NS975V
4-31 4-32
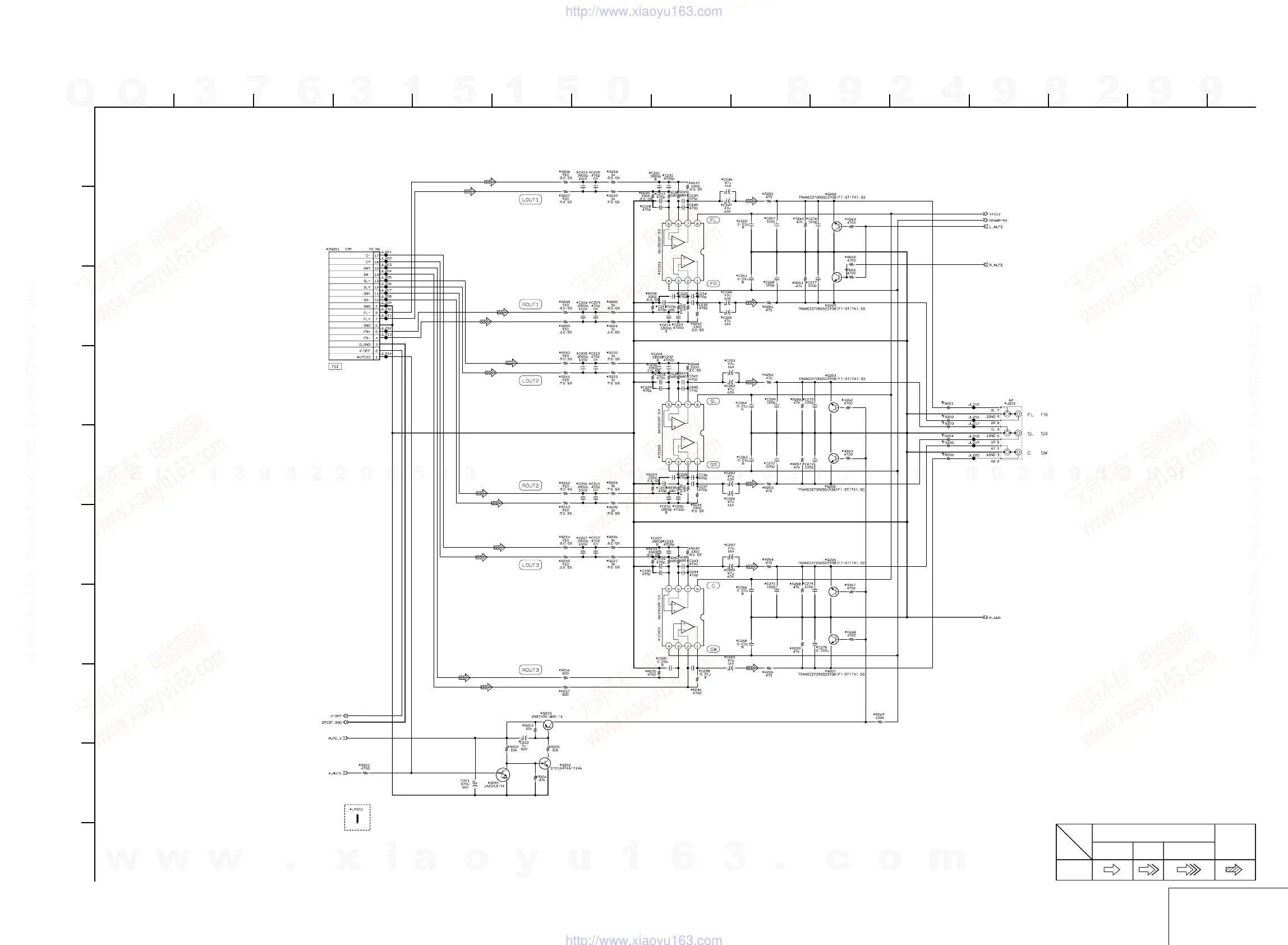
AV-086 BOARD (2/3)
AUDIO (1/2)
-REF.NO.:1000 SERIES-
XX MARK:NO MOUNT
NO MARK:PB MODE
MARKED:MOUNT TABLE
For Schematic Diagram
• Refer to page 4-27 for printed wiring board of AV-086 board.
AUDIO (1/2)
AV-086 (2/3)
SIGNAL PATH
VIDEO SIGNAL
CHROMA
PB
Y Y/CHROMA
AUDIO
SIGNAL
w
w
w
.
x
i
a
o
y
u
1
6
3
.
c
o
m
Q
Q
3
7
6
3
1
5
1
5
0
9
9
2
8
9
4
2
9
8
T
E
L
1
3
9
4
2
2
9
6
5
1
3
9
9
2
8
9
4
2
9
8
0
5
1
5
1
3
6
7
3
Q
Q
TEL 13942296513 QQ 376315150 892498299
TEL 13942296513 QQ 376315150 892498299
http://www.xiaoyu163.com
http://www.xiaoyu163.com

Table of Contents

Related product manuals