EasyManua.ls Logo

Sony SHAKE-99D - Block Diagram - AMP Section (1;2)

Sony SHAKE-99D
122 pages
Print Icon
To Next Page IconTo Next Page
To Next Page IconTo Next Page
To Previous Page IconTo Previous Page
To Previous Page IconTo Previous Page
Loading...
HCD-SHAKE99/HCDSHAKE100
HCD-SHAKE99/HCDSHAKE100
2929
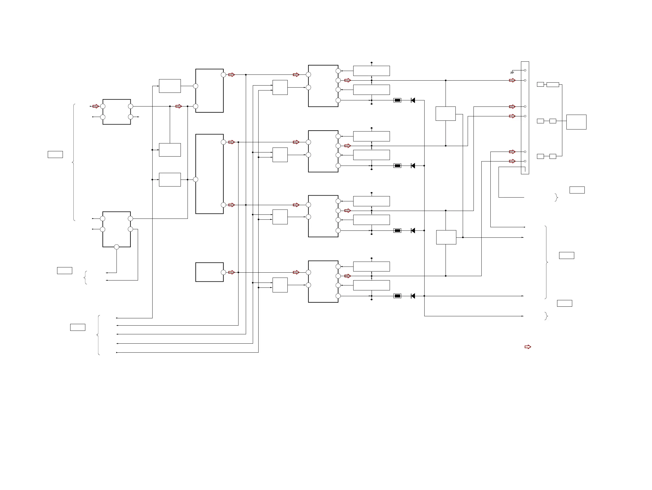
6-3. BLOCK DIAGRAM - AMP Section (1/2) -
3
5
IN
CSD
3
5
IN
CSD
3
+IN_1
MUTE
POWER AMP
IC1009
+63V
14
HO
LO
TH1003 D1024
DIGITAL AUDIO MOSFET
Q1025
DIGITAL AUDIO MOSFET
Q1023
11
VS
13
COM
10
-63V
POWER AMP
IC1008
+63V
14
HO
LO
TH1002 D1024
DIGITAL AUDIO MOSFET
Q1020
DIGITAL AUDIO MOSFET
Q1019
11
VS
13
COM
10
-63V
TB1000
+
3
5
IN
CSD
RESET
SWITCH
Q1013
RESET
SWITCH
Q1017
RESET
SWITCH
Q1022
3
5
IN
CSD
-
MUTE
PROTECTION
Q1029
RESET
SWITCH
Q1026
MUTE
PROTECTION
Q1069
POWER AMP
IC1006
+63V
14
HO
LO
TH1001 D1015
DIGITAL AUDIO MOSFET
Q1016
DIGITAL AUDIO MOSFET
Q1014
11
VS
13
COM
10
-63V
POWER AMP
IC1004
+63V
14
HO
LO
TH1000 D1015
DIGITAL AUDIO MOSFET
Q1010
DIGITAL AUDIO MOSFET
Q1009
11
VS
13
OP AMP
IC1018 (1/2)
OP AMP
IC1010 (1/2)
1
OUT_1
OUT_1
1
OP AMP
IC1007
7
OUT_2
OUT_1
OCP
AMP-ON
OUT_1
1
COM
10
DC DETECT
SWITCH
Q1018
ML
FL+
SWL+
SWL-
SWL-
SPEAKERS DETECT
TH-PROTECT
TH-PROTECT
DC DETECT
FL-
DC DETECT
SWITCH
Q1027
-63V
3
+IN_1
5
+IN_2
OP AMP
IC614
1
OUT
OUT
7
3
+
5
+
MID-L
R-CHR-CH
MUTE
PROTECTION
Q1068
+
-
+
-
6LJQDOSDWK
: AUDIO
5FKLVRPLWWHGGXHWR
VDPHDV/FK
OUT_2
PGND
OP AMP
IC612
1
OUT
OUT
7
3
+
5
4
+
FRONT-L
FRONT-R
INVERTING
R-CH
COMP
>007B
PANEL,
POWER SUPPLY
SECTION
(Page 31)
>005B
AMP SECTION (2/2)
(Page 30)
>001B
MAIN SECTION
(Page 28)
>003B
AMP SECTION (2/2)
(Page 30)
>004B
AMP SECTION (2/2)
(Page 30)
>006B
AMP SECTION (2/2)
(Page 30)



LEFT
SPEAKERS
GRAY
IMPEDANCE
USE
SW
WF
MID/TW
Ver. 1.1

Table of Contents

Related product manuals