EasyManua.ls Logo

Sony SHAKE-99D - Schematic Diagram - MOTHERBOARD Board (4;9)

Sony SHAKE-99D
122 pages
Print Icon
To Next Page IconTo Next Page
To Next Page IconTo Next Page
To Previous Page IconTo Previous Page
To Previous Page IconTo Previous Page
Loading...
HCD-SHAKE99/HCDSHAKE100
HCD-SHAKE99/HCDSHAKE100
3838
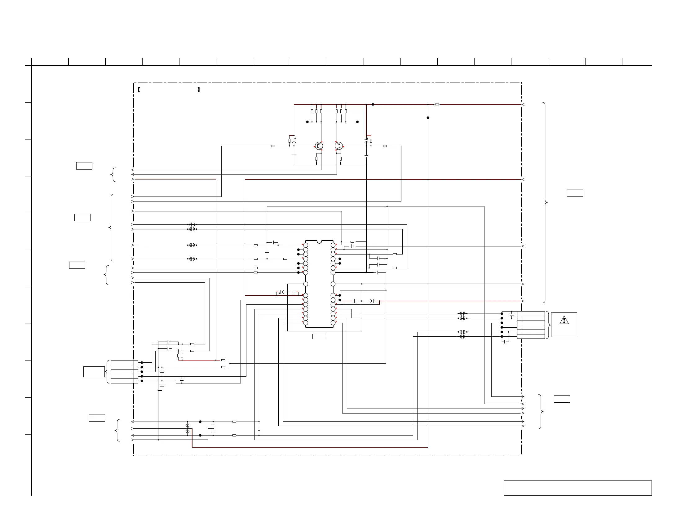
6-11. SCHEMATIC DIAGRAM - MOTHERBOARD Board (4/9) - • See page 65 for IC Block Diagrams.
Ver. 1.1
1
A
B
C
D
E
F
G
H
I
J
K
2 3 4 5 6 7 8 9 10 11 12 13 14 15 16 17
MOTHERBOARD BOARD (4/9)
1.4
1.4
0
0
5.2
0
0
2.5
2.5
2.5
2.5
1.4
5.2
2.5
1.2
2.5
2.5
2.5
1.4
1.4
2.8
0
2.8
2.9
2.9
0
2.8
1
2
3
4
5
6
14
13
12
11
10
9
8
7
6
5
4
3
2
1
29
15
16
17
18
19
20
21
22
23
24
25
26
27
28
30
JL401
JL402
JL404
JL405
JL406
FE_TRO
FE_VREFO
FE_FMO
FE_3.3V
FE_DMO
FWD
REV
FE_FOO
FE_MUTE
FE_GND_M
GND
FE_5.2V_M
FE_5.2V_TRAY
SL403
SL402
SL401
SL404
SL408
SL407
CL414
Q402
2SA2119K
Q401
AUTO POWER
CTRL
AUTO POWER
CTRL
2SA2119K
CL415
CL413
SL406
SL405
GND
FE_OP-
FE_OPO
FE_LIMIT
FE_3.3V_1
0
R433
CL409
FE_CD_LDD
FE_DVD_LDD
JL403
CL401
CL402
CL403
CL408
CL410
CL411
CL404
CL405
FE_LD_DVD
FE_LD_CD
FE_TRK+
FE_TRK-
FE_FCS+
FE_FCS-
15R423
15R425
15R426
15R427
15R428
15R430
100
R421
100
R432
47k
R422
47k
R431
10k
R408
R409
10k
R410
10k
0R406
0R407
CL406
CL407
C401
100u
10V
C412
100u 10V
27k
R402
27k
R415
10k
R401
15k
R418
C420
47u
35V
C423
47u
35V
D401
RB520S-30FJTE61
D402
RB520S-30FJTE61
CN401
6P
SP-
SP+
NC(GND)
NC(LIMIT)
SL-
SL+
CL412
C411 330p
C413 0.1u
C402
330p
C403
0.015u
1
R404
C421
0.01u
C424
0.01u
C409
0.1u
C404
0.1u
C408
0.1u
C405
0.1u
C406
0.1u
R411 10k
C407 0.1u
C418
0.1u
C419
0.1u
100k
R424
100k
R429
IC401
AM5890S
VINFC
TRB_1
REGO2
VINSL+
REGO1
FWD
REV
Vcc1
VOTR-
VOTR+
VOSL+
VOSL-
VOFC-
VOFC+ VOTK+
VOTK-
VOLD+
VOLD-
Vcc2
VCCD
VCTL
GND
VINLD
RESET
TRB_2
VINTK
BIAS
MUTE
PGND PGND
FE_LOAD-
FE_LOAD+
FE_FCS-
FE_FCS+
FE_SPDL-
FE_SPDL+
FE_SLED_IN
FE_TRK_IN
FE_TRK_IN
FE_FCS_IN
FE_SPDL_IN
5CH SYSTEM
MOTOR DRIVER
IC401
JL329
LOAD_END_SW
JL325
JL328
JL326
JL327
UNLOAD_END_SW
CN303
5P
1
2
3
4
5
DVDD3.3V
1kR316
1kR317
1k
R312
1k
R313
3.3k
R301
2.2k
R302
C307 0.001u
C308 0.001u
C309
0.001u
C310
0.001u
C311
0.1u
TRAY-IN
GND
TRAY-OUT
LOAD+
LOAD-
>018S
MOTHERBOARD
BOARD
(3/9)
(Page 37)
>019S
MOTHERBOARD BOARD
(3/9)
(Page 37)
>024S
MOTHERBOARD BOARD
(6/9)
(Page 40)
>015S
MOTHERBOARD
BOARD
(3/9)
(Page 37)
>023S
MOTHERBOARD BOARD
(8/9)
(Page 42)
CONNECT TO
MS-476 BOARD
SERVICE,
OPTICAL DEVICE(7G)
(2/2)
>017S
MOTHERBOARD BOARD
(3/9)
(Page 37)
Note: When the MS-476 board is defective, exchange the entire
LOADING ASSY (T).

Table of Contents

Related product manuals