EasyManua.ls Logo

Sony SHAKE-99D - Schematic Diagram - VOLUME Board

Sony SHAKE-99D
122 pages
Print Icon
To Next Page IconTo Next Page
To Next Page IconTo Next Page
To Previous Page IconTo Previous Page
To Previous Page IconTo Previous Page
Loading...
HCD-SHAKE99/HCDSHAKE100
HCD-SHAKE99/HCDSHAKE100
5353
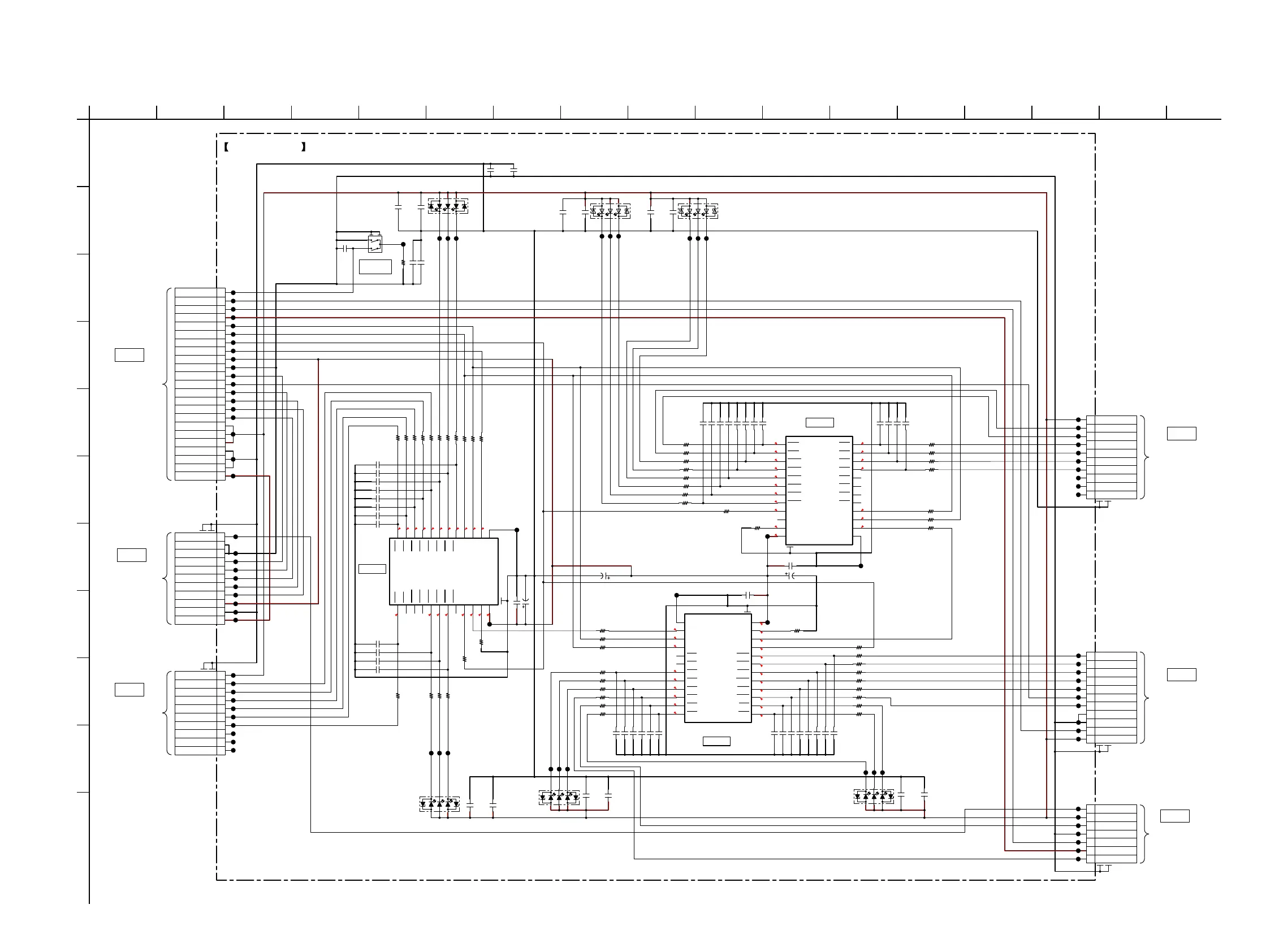
6-26. SCHEMATIC DIAGRAM - VOLUME Board - • See page 65 for IC Block Diagrams.
Ver. 1.2
1
A
B
C
D
E
F
G
H
I
J
K
2 3 4 5 6 7 8 9 10 11 12 13 14 15 16 17
VOLUME BOARD
3.9 3.5 3.2 3.9 3.4 3.2 3.8 3.5 0 0 0
3.5
3.2
3.8
3.5
0
0
0
3.8
3.2
3.4
3.8
3.2
3.4
3.8
3.2
1.7
3.3
1
3.3
1
0
1.7
3.8
3.8
3.8
3.8
3.4
3
3.2
3.8
0
0
0
2.6
3.4
3.7
3.3
3.4
2.6
3.4 3.8 3.2 1.7 0 13.2 3.3
GRN
RED
BLU
GRN
RED
BLU
GRN
RED
BLU
GRN
RED
BLU
GRN
RED
BLU
C2630 0.1u
C2629 0.001u
C2628
0.1u
C2627
0.001u
C2626
0.1u
C2625
0.001u
C2624
0.1u
C2623
0.001u
C2620
0.1u
C2619
0.001u
GRN
RED
BLU
C2622
0.1u
C2621
0.001u
C2618
0.1u
C2617
0.001u
C2615
0.001u
C2616
0.1u
0.001u
C2062
C2016 0.1u
C2019 0.01u
C2014 0.01u
C2013 0.01u
C2012 0.01u
C2046 0.01u
C2044 0.01u
C2043 0.01u
C2042 0.01u
C2041 0.01u
C2060 0.01u
C2059 0.01u
C2058 0.01u
C2057 0.01u
C2055 0.01u
C2054 0.01u
C2053 0.01u
C2637 0.01u
C2638 0.01u
C2636 0.01u
C2005 0.01u
C2004 0.01u
C2003 0.01u
C2002 0.01u
C2001 0.01u
C2000 0.01u
C2020 0.01u
C2056 0.1u
C2045 47u 16V
C2011 47u 16v
CL2148
CL2144
CL2149
CL2150
CL2143
CL2151
CL2152
CL2153
CL2154
CL2155
CL2156
CL2157
CL2158
CL2159
CL2134
CL2133
CL2132
CL2147
CL2131
CL2130
CL2141
CL2129
CL2142
CL2140
CL2128
CL2082
CL2138
CL2136
CL2075
CL2076
CL2077
CL2078
CL2079
CL2080
CL2081
CL2083
CL2084
CL2023
CL2022
CL2072
CL2071
CL2070
CL2122
CL2123
CL2124
CL2125
CL2126
CL2127
CL2135
CL2146
CL2145
CL2137
CL2161
CL2160
CL2165
CL2163
CL2164
CL2169
CL2139
CL2171
CL2170
CL2166
CL2162
CL2117
CL2116
CL2115
CL2119
CL2118
CL2121
CL2120
CN2001
7P
1
AD-KEY1-USB
2
LED 5.2V
3
USB-A_LED
4
DGND
5
SIRCS
6
E+3.3V
7
USB-B_LED
CN2006
10P
1 LED+5.2V
2 LEFT-B1
3LEFT-R1
4LEFT-G1
5 LEFT-B2
6LEFT-R2
7LEFT-G2
8 LEFT-B3
9LEFT-R3
10 LEFT-G3
CN2005
10P
1Right-B1
2Right-R1
3Right-G1
4Right-B2
5Right-R2
6Right-G2
7Right-B3
8Right-R3
9Right-G3
10LED+5.2V
CN2002
11P
1 SoundFlash_LED
2 Isolator_LED
3 Phaser_LED
4 Flanger_LED
5 BassBazuca_LED
6 AD-KEY0
7 Bluetooth_LED
8DGND
9DGND
10 POWER KEY
11 LED+5.2V
CN2003
11P
1FL+13V
2LED GND
3D+3.3V
4FL-SDO
5FL-BK
6FL-CLK
7FL-LAT
8AD-KEY1
9DGND
10DGND
11AD-KEY1-USB
CL2106
CL2100
CL2099
CL2098
CL2114
CL2112
CL2111
CL2110
CL2109
CL2108
CL2107
CL2105
CL2104
CL2103
CL2102
CL2097
CL2096
CL2101
CL2172
CN2007
23P
1
VOL
2
POWER KEY
3
SIRCS
4
E+3.3V
5
RGB-SCLK
6
RGB-TRANS
7
RGB-PWM
8
RGB-SD
9
3.3V
10
DGND
11
AD-KEY1
12
AD-KEY0
13
FL-LAT
14
FL-BK
15
FL-SDO
16
FL-CLK
17
LED+5.2V
18
LED+5.2V
19
LED+5.2V
20
LED GND
21
LED GND
22
LED GND
23
FL+13V
D2603
SMLVN6RGB1U17QYB
D2614
SMLVN6RGB1U17QYB
D2601
SMLVN6RGB1U17QYB
D2605
SMLVN6RGB1U17QYB
D2604
SMLVN6RGB1U17QYB
D2602
SMLVN6RGB1U17QYB
S2000
100R2019
56R2013
33R2011
22R2009
56R2007
33R2005
22R2003
56R2001
56R2010
22R2008
680
R2020
33R2000
56R2054
56R2053
33R2043
22R2052
100R2059
100R2057
100R2056 100R2055
680
R2060
100R2017
56R2041
10kR2062
100R2016
56R2047
56R2049
56R2051
22R2042
22R2044
22R2046
22R2068
33R2048
33R2012
100
R2015
56R2050
22R2045
IC2000
TC62D723FNG
1
2
3
4
5
6
7
8
31
9
01
11
21
OUT7
41
51
61
71
81
91
02
12
22
32
42
25
IC2002
TC62D723FNG
1
GND
2
SIN
3
SCK
4
TRANS
5
OUT0
6
OUT1
7
OUT2
8
OUT3
OUT8
13
9
OUT4
10
OUT5
11
OUT6
12
OUT7
OUT9
14
OUT10
15
OUT11
16
OUT12
17
OUT13
18
OUT14
19
OUT15
20
PWMCLK
21
SOUT
22
REXT
23
VDD
24
25
OUT6
OUT5
OUT4
OUT3
OUT2
OUT1
OUT0
TRANS
SCK
SIN
GND
PWMCLK
SOUT
REXT
VDD
OUT8
OUT9
OUT10
OUT11
OUT12
OUT13
OUT14
OUT15
C2036 0.1u
47u 16V
C2027
CL2046
CL2047
100R2035
22R2028
56R2026
33R2024
22R2022
22R2031
33R2029
56R2027
22R2025
33R2023
680
R2040
100R2037
100R2039
56R2021
100R2036
33R2063
56R2064
IC2001
TC62D723FNG
1
2
3
4
5
6
7
8
13
9
10
11
12
14
15
16
17
18
19
20
21
22
23
24
25
OUT7
OUT6
OUT5
OUT4
OUT3
OUT2
OUT1
OUT0
TRANS
SCK
SIN
GND
PWMCLK
SOUT
REXT
VDD
OUT8
OUT9
OUT10
OUT11
OUT12
OUT13
OUT14
OUT15
C2040 0.01u
C2023 0.01u
C2024 0.01u
C2025 0.01u
C2631 0.01u
C2632 0.01u
C2033 0.01u
C2034 0.01u
C2035 0.01u
C2037 0.01u
C2038 0.01u
C2039 0.01u
LED DRIVER
IC2000
LED DRIVER
IC2002
LED DRIVER
IC2001
>039S
MOTHERBOARD
BOARD
(7/9)
CN109
(Page 41)
>061S
BUTTON RIGHT
BOARD
CN2400
(Page 57)
>062S
LED BAR RIGHT
BOARD
CN2900
(Page 63)
>063S
LED BAR LEFT
BOARD
CN2800
(Page 63)
>064S
BUTTON LEFT
BOARD
CN2300
(Page 55)
>065S
USB BOARD
CN2702
(Page 59)
VOLUME /
DJ CONTROL

Table of Contents

Related product manuals