EasyManua.ls Logo

Sony SHAKE-99D - Schematic Diagram - MOTHERBOARD Board (5;9)

Sony SHAKE-99D
122 pages
Print Icon
To Next Page IconTo Next Page
To Next Page IconTo Next Page
To Previous Page IconTo Previous Page
To Previous Page IconTo Previous Page
Loading...
HCD-SHAKE99/HCDSHAKE100
HCD-SHAKE99/HCDSHAKE100
3939
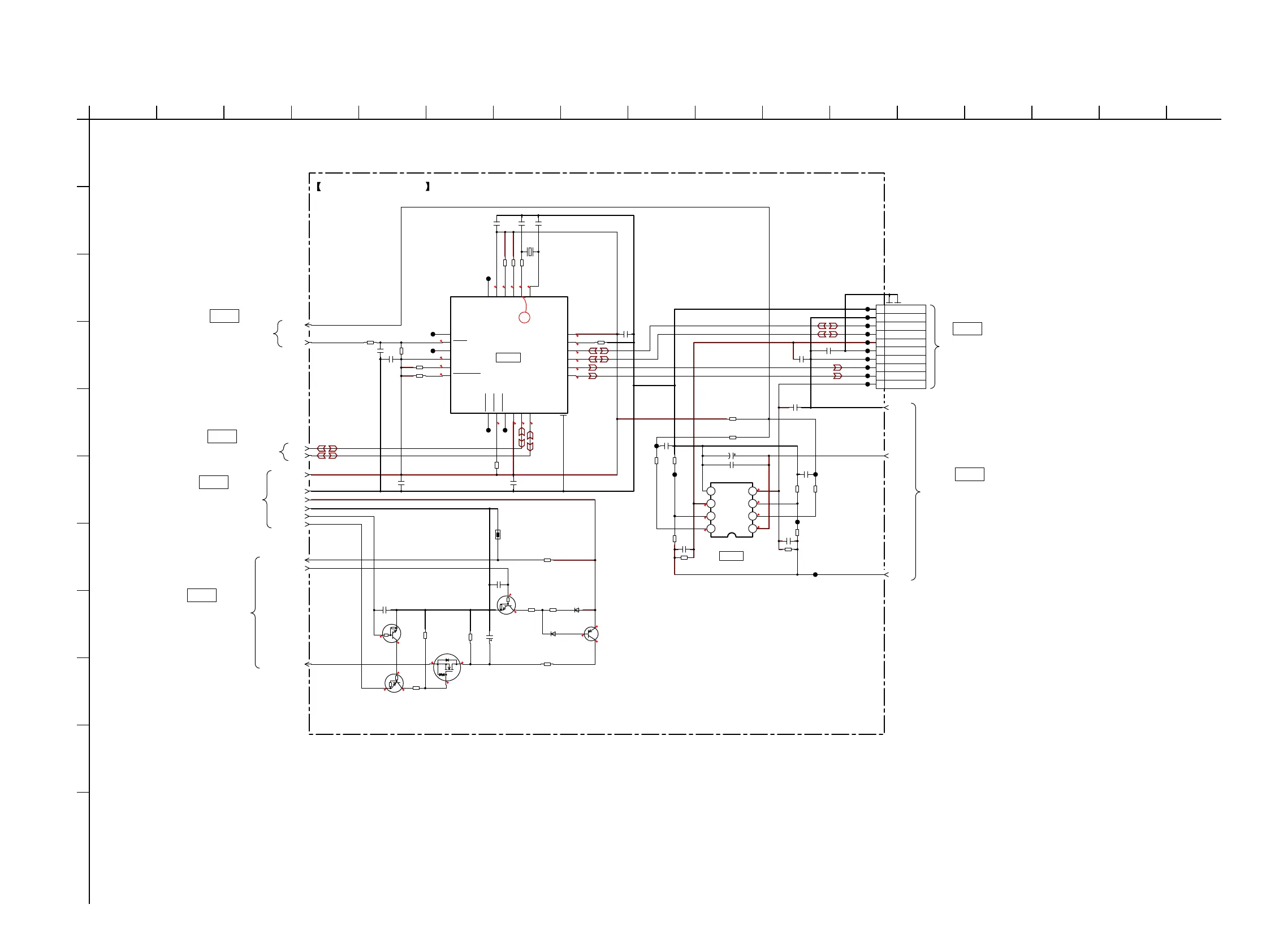
6-12. SCHEMATIC DIAGRAM - MOTHERBOARD Board (5/9) - • See page 63 for Waveforms. • See page 65 for IC Block Diagrams.
Ver. 1.1
1
A
B
C
D
E
F
G
H
I
J
K
2 3 4 5 6 7 8 9 10 11 12 13 14 15 16 17
MOTHERBOARD BOARD (5/9)
3.3 3.3 3.3 1.1 0
3.3
3.3
0
3.3
3.3
0.4
0
0
0
0
3.3 3.3 0 3
5
5
5
3.3
4.4
4.4
13
5
3.3
13
3.3
0
1.1
0
1.1
0
12.2
13
4.2
0
C457
27p
C456
27p
C467
0.1u
C453
10u
C452
0.1u
C466
0.1u
C468 0.1u
C460
0.1u
C459
0.1u
C455
0.1u
C465
0.1u
C461
0.1u
C463
0.1u
C454
0.1u
C451
0.1u
C464
0.1u
C462 10u 16V
CN451
10P
1 USBA+5V
2D-A
3D+A
4 USB AGND
5SHIELD
6 USBB+5V
7D-B
8D+B
9 USB BGND
10 SHIELD
IC452
BA2903FV-E2
1
OUT1
2
-IN1
3
+IN1
4
GND
5
+IN2
6
-IN2
7
OUT2
8
VCC
JL453
JL465
JL461
JL454
JL459
JL460
JL466
JL467
JL468
JL451
JL458
JL463
JL452
JL464
JL455
JL456
JL457
JL462
JL469
JL470
IC451
GL850G-OGY33
1
DM1
2
DP1
3
DM2
4
DP2
5
RREF
6
AVDD_6
7
X1
8
X2
9
DM3
10
DP3
11
AVDD_11
12
DM4
13
DP4
14
RESET
15
TEST/SCL
16
DVDD
17
PGANG
18
OVCUR2/SMD
19
PWREN2
20
OVCUR1/SMC
21
PWREN1/SDA
22
AVDD_22
23
DM0
24
DP0
25
R472 0
R469 10k
R467
22k
R465
0.1
R455
10k
R454 10k
R460 680
R456 1k
R457 1k
R468
330
R466
0.1
R464
330
R453 100k
R463
22k
R452
10k
R462
100
R458 0
R470
100
R451
100
D+3.3V
USBM
USBP
USB+5V
SW+13V
GND
HUB-RST
GND
USB-OC
X451
12MHz
S
C574
0.1u
C571
470u
4V
PROTECTION
CONTROL
PROTECTION
CONTROL
Q575
LTA014EUBFS8TL
PROTECTION
CONTROL
Q576
KRC402-RTK
Q574
RHK005N03T146
R578
10k
R574
1k
R575
1k
R576
2.2M
EVER+13V
PCONT-DAMP
SPM-C-MON
C573
0.1u
D571
DA2J10100L
D572
DA2J10100L
Q572
KTA1542T-RTK/P
Q571
PROTECTION
CONTROL
PROTECTION
CONTROL
KRC402-RTK
R571
220k
R572
220k
R577
6.8k
GND
C-CONT
E+3.3V
SPM-AMBIENT-TEMP
TH571
10k
USB COMPARATOR
IC452
USB CONTROLLER
IC451
>020S
MOTHERBOARD BOARD (3/9)
(Page 37)
>025S
MOTHERBOARD BOARD
(8/9)
(Page 42)
>026S
MOTHERBOARD BOARD
(6/9)
(Page 40)
>027S
MOTHERBOARD BOARD
(8/9)
(Page 42)
>029S
MOTHERBOARD BOARD
(6/9)
(Page 40)
>028S
USB BOARD
NO2703
(Page 59)
1

Table of Contents

Related product manuals