EasyManua.ls Logo

Sony STR-DH730 - Block Diagram - DISPLAY;POWER Section

Sony STR-DH730
94 pages
Print Icon
To Next Page IconTo Next Page
To Next Page IconTo Next Page
To Previous Page IconTo Previous Page
To Previous Page IconTo Previous Page
Loading...
1818
STR-DH730/DH830
STR-DH730/DH830
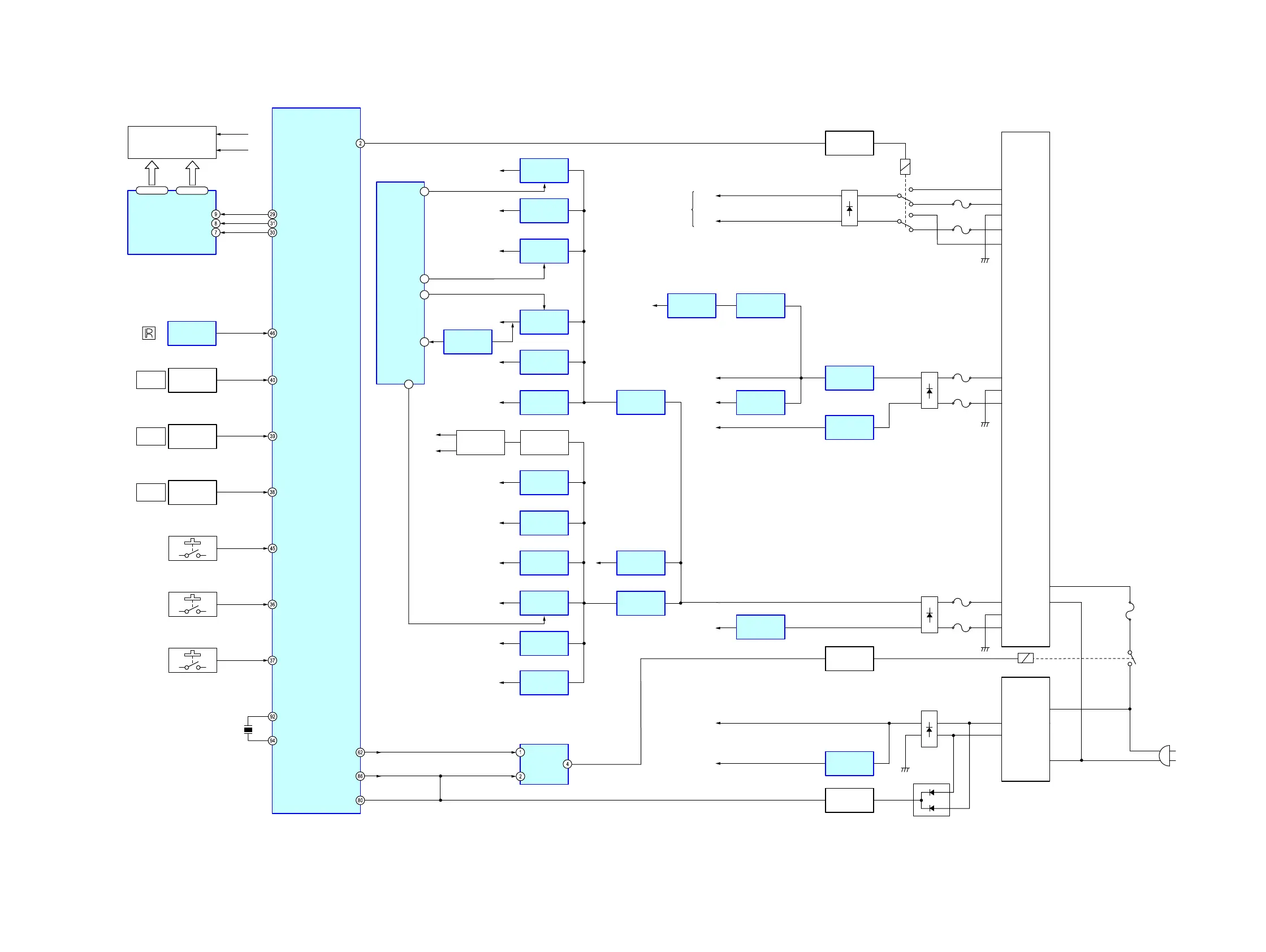
5-6. BLOCK DIAGRAM – DISPLAY/POWER Section –
RELAY
DRIVER
Q901
AC DET
Q990
+13V
-13V
RECT
D904
RECT
D910-914
F1
F2
+5V
REG
IC3503
+5V_SINK
+5V
+5V
GRID 1-11
FL DRIVER
IC100
SYSTEM CONTROLER
IC2105 (5/5)
VACUUM FLUORESCENT
DISPLAY
ND100
SEG 1-17
STB
FL_LAT
BRIGEABLE RELAY
FL_CLK
FL_DATA
SIRC
VOL_JOG
CLK
DIN
INPUT JOG
TONE_JOG
MASTER
VOLUME
ROTARY
ENCODER
S108
S11
S111-116
POWER KEY
AD_KEY1
S100-106
AD_KEY2
X OUT
UART_SEL
POWER_RY
STOP
X IN
X2101
4MHz
F910
+5V
REG
IC3521
+5
REG
IC3516
RY901
F911
32-42
14-29,31
REMOTE CONTROL
RECEVER
IC101
INPUT
SELECTOR
ROTARY
ENCODER
S107
TONE/
TUNING
ROTARY
ENCODER
S109
+5V
REG
IC4102
+5V
+3.3V
+1.1V
+3.3V
REG
IC4161
H.IV
REG
IC2803
+5V
-7V
+5V
REG
IC2421
+3.3V
(TUNER VDD)
+5V
REG
IC2806
+3.3V
REG
IC102
OSC
Q100
+4V (ACPC)
+3.3V
3.3V
HDMI
IC3517
+3.3V
REG
IC2010
+HV
(VCC)
TO
AUDIO AMP
SECTION
-HV
(VCC)
+7V
+7V
REG
IC350
+1.8V
REG
IC3203
A+1.8V
+5V
+4V
(DCDC)
A+1.8V
+1.8V
+1.8V
REG
IC3211
+1.8V
REG
IC3515
+1.2V
(AVCC12)
+1.2V
REG
IC3519
1A
SELECT
1Y
SELECTER
IC2032
+5V
REG
IC201
+4V
REG
IC1500
+6V
(DCDC)
+6V
REG
IC1501
F940
F941
-5V
-5V
REG
IC202
STBY +3.3V
+5V_STBY
D990
T902
T901
F901
+3.3V
REG
IC2107
AC IN
RECT
D993, D994
RECT
D921
RY920
F913
F912
RELAY
DRIVE
Q820
T100
DC-DC
CONVERTER
F1
F2
-7V
REG
IC352
HDMI
CONTROLLER
IC3000 (3/3)
5V_RX0_IN
98
TX_5VPWR
USB_REG_CTRL
89
84
62
USB OVC
H2
POWER
CONT
COMPARATOR
IC4101
38

Table of Contents

Related product manuals