EasyManua.ls Logo

Sony STR-DH730 - Main Board Schematic (3;3)

Sony STR-DH730
94 pages
Print Icon
To Next Page IconTo Next Page
To Next Page IconTo Next Page
To Previous Page IconTo Previous Page
To Previous Page IconTo Previous Page
Loading...
39
39
STR-DH730/DH830
STR-DH730/DH830
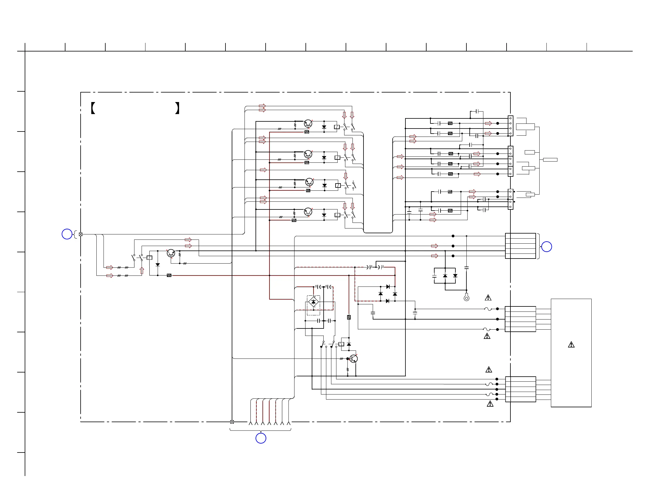
5-27. SCHEMATIC DIAGRAM – MAIN BOARD (3/3) –
RY920
1
2
3
5
6
8
R921
2.2k
2SC3052EF-T1-LEF
Q920
2.2k
R375
2SC3052EF-T1-LEF
Q375
2SC3052EF-T1-LEF
Q360
2SC3052EF-T1-LEF
Q355
1k
R355
*RR13
4.7
*CC13
0.01
*RR14
4.7
*CC14
0.01
*RR11
4.7
*CC11
0.01
*CC12
0.01
*RR12
4.7
*CC15
0.01
*RR15
4.7
*RR17
4.7
*CC17
0.01
47k
R358
47k
R363
47k
R378
R925
47k
1SR154-400TE-25
D910
1SR154-400TE-25
D912
D913
1SR154-400TE-25
D911
CL366
CL367
CL368
CL369
CL370
CL371
CL373
CL372
R350
47k
R353
2SC3052EF-T1-LEF
Q350
F910
T901
POWER TRANSFORMER
T2.5A 250V
T6.3A 250V
T6.3A 250V
47k
R366
2SC3052EF-T1-LEF
Q365
1k
R367
*RR18
4.7
*CC18
0.01
CL356
CL357
CL358
CL359
CL360
CL361
CL355
D5SBA60-F
D921
100V
C932
0.1
100V
C933
0.1
2.2k
R360
TB503
1
2
3
4
5
6
DA2J10100L
D375
DA2J10100L
D350
DA2J10100L
D365
DA2J10100L
D355
DA2J10100L
D360
DA2J10100L
D92
71V
C930
6800uF
71V
C931
6800uF
82
R377
33
R351
33
R365
33
R356
33
R361
1/4W
R920
33
TB504
1
2
3
4
5
CL393
5P
5P
CNP930
R2 AC
NC
3
CENTER TAP
NC
5
R2 AC
25V
1000
C913
25V
2200
C912
RY365
1
2
4
5
6
RY360
RY355
RY350
1
2
3
4
5
6
RY375
1
2
3
4
5
6
100V
CC61
220p
100V
CC62
220p
100V
CC63
220p
100V
CC64
220p
100V
CC65
220p
1
C910
1
C911
CC59
1000p
CC60
1000p
TB502
13
SBR
SBL
SBR
SBL
SL
SR
25V
25V
25V
25V
25V
25V
25V
21 23 24
25 26
27 28
22
2
4
4
7
2.2k
50V
50V
50V
50V
1SR154-400TE-25
CL363
1SS367-T3SONY
D302
1SS367-T3SONY
D303
16V
C322
0.1
C301
1000p
50V
CN391
5P
HP DETECT
NC
R - C H
4
GND
L - C H
3
2
5
CL362
CL364
ET300
1
2
3
4
5
CNP920
R1 (UPPER TAP)
R1 (LOWER TAP)
R1 GND
R1 (LOWER TAP)
R1 (UPPER TAP)
F913
F912
F911
T2.5A 250V
SL
SR
C
C
+FR
+FL
+FR
+FL
11
12
15
16
17
13
14
14
SBL_R
C_SUR
C_SUR
LR
BRIDGE
HP
1W
330
R394
1W
330
R395
1W
R392
330
1W
330
R393
21
23
24
25
26
27
28
RELAY DRIVER
RELAY DRIVER
RELAY DRIVER
RELAY DRIVER
RELAY DRIVER
RELAY DRIVER
L
R
1
2
3
4
3
SPEAKERS
FRONT
SURROUND
SURROUND BACK/
FRONT HIGH
CENTRE
* : AUS, ECE ONLY
0.7
0
0.7
0
0.7
0
0
0.7
15.2
21 23 24
25 26 27 28
*CC70
100p
*CC71
100p
L
R
R
L
12345678 91011 141512 13
A
B
C
D
E
F
G
H
I
J
MAIN BOARD (3/3)
3
MAIN
BOARD
(1/3)
(Page 37)
2
MAIN
BOARD
(2/3)
(Page 38)
D
HP
BOARD
CN105
(Page 35)
0.7
0
0.5

Table of Contents

Related product manuals