EasyManua.ls Logo

Sony STR-DH730 - Digital Board Schematic (3;4)

Sony STR-DH730
94 pages
Print Icon
To Next Page IconTo Next Page
To Next Page IconTo Next Page
To Previous Page IconTo Previous Page
To Previous Page IconTo Previous Page
Loading...
2626
STR-DH730/DH830
STR-DH730/DH830
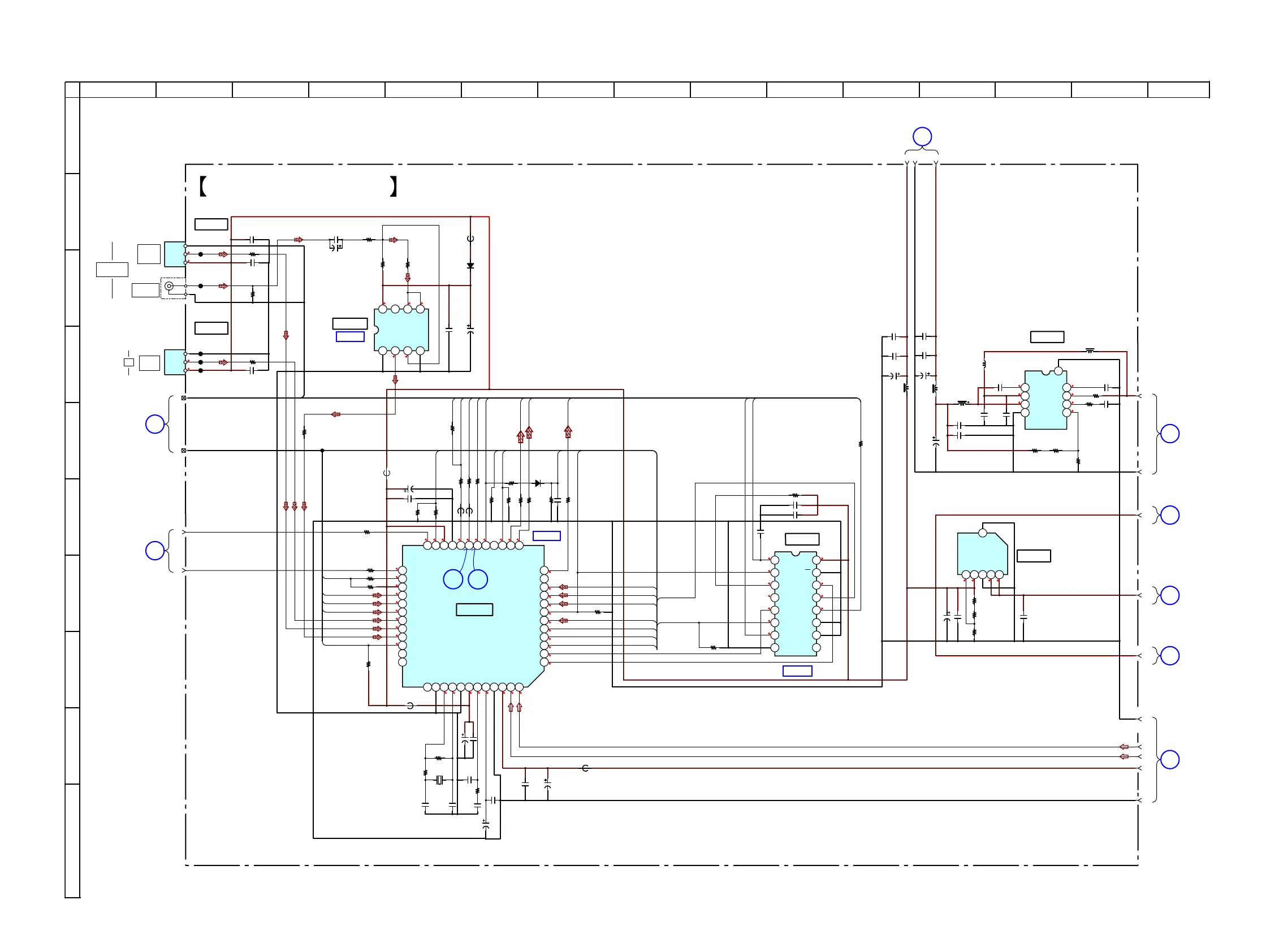
5-13. SCHEMATIC DIAGRAM – DIGITAL Board (3/4) –
• See page 45 for Waveforms. • See page 46 for IC Block Diagrams.
22
20
18
19
15
11
12
7
810 9
21
23
17
16
2
3
3.1
3.1
1.81.8
0
0.95
3.3
0.95
3.3
1.7 1.8 1.80
0
3.3
3.3
0
2.8
2
0
0
2.6
3.3
0 3.3 1.3 3.3 0 0
0
0
0
0
3.3
0
0
0
0
0
0
02.452.403.31.81.8
13.7
1
3.3
3.7
3.3 3
0
3.1
0.8
3.7
64.1
5.5 5.6
1.8 1.6
1.3
1
3.3 3.2 3.2
VCC
OUT
GND
VCC
OUT
GND
1
6
5
BCLK_IN
SBL/SBR_IN
C/SW_IN
SL/SR_IN
DIR_SIGNAL
SD3
SD2
SD1
SD0
LRCK
BCK
MCK
NON_LPCM
MUTE
DIR_IN
DIR_RST
DSP_SEL
HDMI_SPDIF
ARC_SPDIF
USB_SPDIF
DSP_NONAU
MCLK_IN
MCK
LRCLK_IN
FL_GND
DSP_ERROR
DIR_XSTATE
DIR_INT
DIR_CE
DIR_MISO
DIR_MPO0
C2361
0.1
C2358
0.1
IC2351
TORX147L(SONY)
J2301
1P
BD/DVD
COAXIAL IN
FB2604
C2815
7p
C2814
7p
X2801
24.576MHz
C2871
10
C2868
10
FB2603
10k
R2901
FB2033
21A102
IC2804
TC74VHC157FT (EKJ)
1
SEL
2
A0
3
B0
4
Y0
5
A1
6
B1
7
Y1
8
GND
9
Y2
10
B2
11
A2
12
Y3
13
B3
14
A3
15
ST
16
VCC
FB2007
21A102
R2211
R2111
10k
47k
R2311
FB2801
0uH
10k
R2125
10kR2099
100
R2059
100
R2351
100
R2354
100
R2759
220
R2816
330
R2601
330
R2602
470
R2356
1k
R2104
47k
R2357
470k
R2358
1M
R2815
R2415
R2416
0
0
R2417 0
C2268
4700p
C2069
0.01
C2272
0.1
C2354
0.1
C2881
0.1
C2875
0.1
C2072
0.1
C2870
0.1
C2273
0.1
C2011 0.1
C2274
0.1
C2351
0.1
C2269
0.068
680
R2050
C2114
22
C2370
10
D2104
DA2J10100L
220ohm
FB2884
220ohm
FB2885
L2007
10uH
C2874
10
C2879
0.022
C2873
10
IC2803
MP2301ENE-LF-Z
1
BST
2
VIN
3
SW
4
GND
5
FB
6
COMP
7
EN
8
SS
9
TAB
C2876
0.1
C2878
0.1
C2899
0.1
1kR2892
1k
R2891
C2270
0.1
C2877
1000
6.3V
220ohm
FB2886
L2008
10uH
JL2868
JL2869
JL2870
JL2871
JL2872
22k
R2173
IC2010
SI-3010KM-TLS
EN
IN
GND
OUT
FB
GND
10k
R2172
D2717
DA2J10100L
FB2891
0uH
C2355
22
6.3V
47
R2925
IC2303
TC7WHU04FU (TE12R)
IN1
OUT3
IN2
GND OUT2
IN3
OUT1
VCC
C2074
10
10k
10k
R2933
C2013 100 16V
C2869
220 4V
C2872
220 4V
C2265
100
16V
C2266
100
16V
C2264
100 16V
C2267 100 16V
1k
R2941
C2093
470p
1M
R2005
IC2006
PCM9211PTR
ERROR/INT0
NPCM/INT1
MPIO_A0/HDMI_MCK
MPIO_A1/HDMI_BCK
MPIO_A2/HDMI_LRCK
MPIO_A3/SD0
MPIO_C0/X_STATE
MPIO_C1/SD1
MPIO_C2/SD2
MPIO_C3/SD3
MPIO_B0/SI_C
MPIO_B1/SI_D
13
E_IS
14
F_IS
15
0OPM
16
TNI_RID/1OPM
17
TUOD
18
KCRL
19
KCB
20
OKCS
21
DNGD
22
DDVD
23
0RDA/ODM
24
482434 4454647473 83930414
ADS/IDM
25
MC/SCL
26
MS/ADR1
27
MODE
28
RXIN7/HDMI_SPDIF
29
RXIN6/HDMI_ARC
30
RXIN5/USB_SPDIF
31
RXIN4/TV OPT IN
32
RXIN3/SAT/CATV OPT IN
33
RXIN2/DVD_Coaxial In
34
RST
35
RXIN1
36
12
11
10
9
8
7
6
5
4
3
2
1
VDDRX
0NIXR
XRDNG
ITX
OTX
DNGA
CCV
TLIF
MOCV
AGNDAD
VCCAD
VINL
VINR
10k
R2940
C2359
100
16V
10k
R2886
470
R2860
4.7k
R2889
0
R2946
0
R2949
0
R2947
0
R2948
470
R2610
75
R2855
1.1V
4
8
1
5
2
6
3
7
DIGITAL OPTICAL
RECEIVE
IC2351
IC2352
TORX147L(SONY)
DIGITAL OPTICAL
RECEIVE
IC2352
IC B/D
WAVE SHAPER
IC2303
DIGITAL AUDIO
INTERFACE
RECEIVER
IC2006
MUTING
IC2804
+3.3V REG
IC2010
POWER OPERATION AMP
IC2803
OPTICAL
IN
DIGITAL
(ASSIGNABLE)
IC B/D
IC B/D
2
3
OPTICAL
IN
TV
4
32
SAT/CATV
JSR1124
JSR1124
1 2 3 4 5 6 7 8 9 10 11 14 1512 13
A
B
C
D
E
F
G
H
I
J
DIGITAL BOARD (1/4)
(Page 24)
5
DIGITAL
BOARD
(2/4)
(Page 25)
6
DIGITAL
BOARD
(4/4)
(Page 27)
DIGITAL
BOARD
(1/4)
(Page 24)
(2/4)
(Page 25)
DIGITAL
BOARD
(2/4)
(Page 25)
DIGITAL
BOARD
(4/4)
(Page 27)
4
8
10
11
DIGITAL
BOARD
(1/4), (2/4)
(Page 24),
(Page 25)
2
DIGITAL
BOARD
(4/4)
(Page 27)
9
DIGITAL BOARD
(3/4)

Table of Contents

Related product manuals