EasyManua.ls Logo

Sony STR-DH730 - Standby-AVIDEO PC Board Schematic

Sony STR-DH730
94 pages
Print Icon
To Next Page IconTo Next Page
To Next Page IconTo Next Page
To Previous Page IconTo Previous Page
To Previous Page IconTo Previous Page
Loading...
41
41
STR-DH730/DH830
STR-DH730/DH830
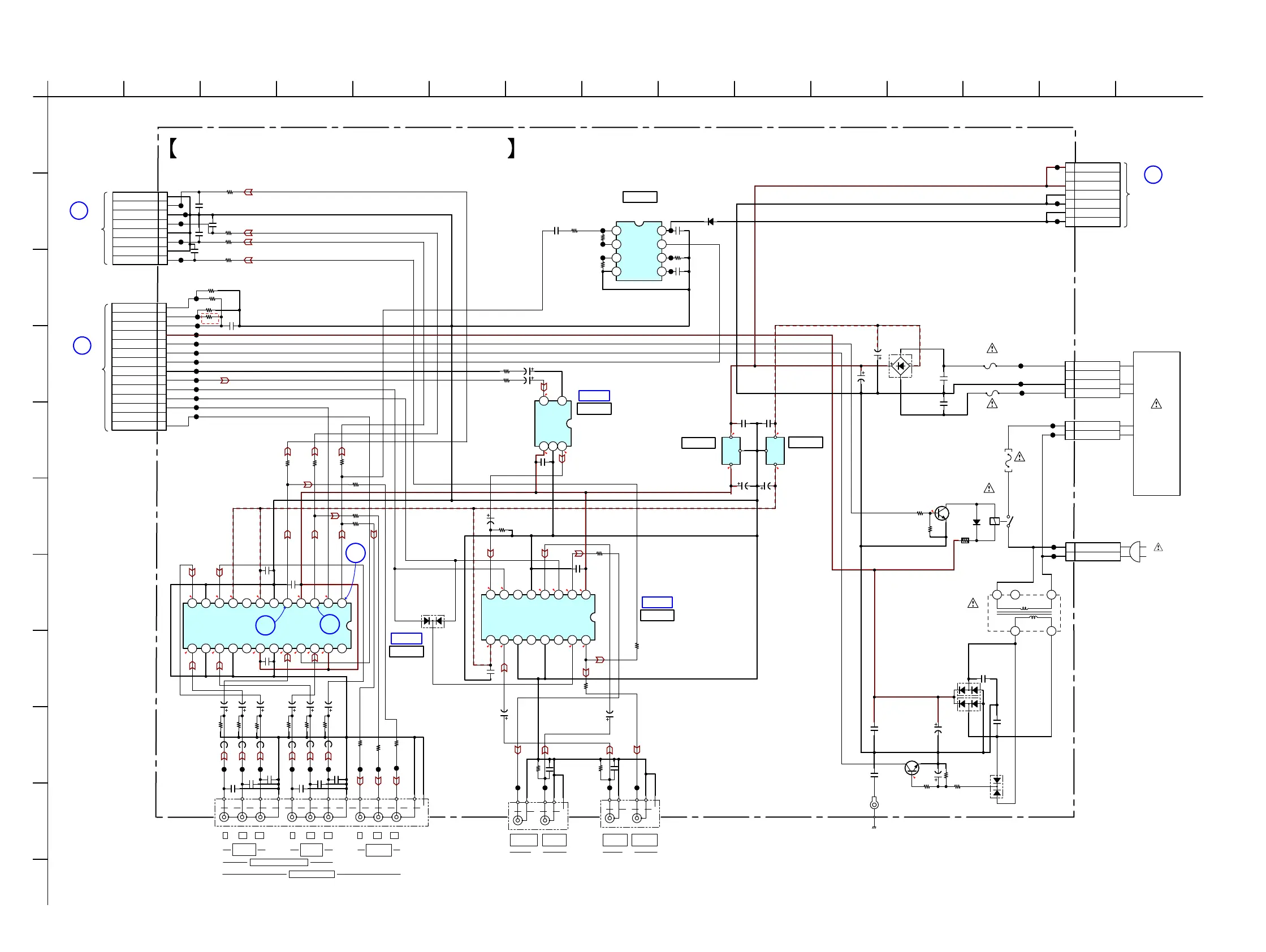
5-29. SCHEMATIC DIAGRAM – STANDBY-AVIDEO PC BOARD –
• See page 46 for IC Block Diagrams.
IC223
IC210
IC220
IC203
IC201
IC202
L
D-VIDEO
BOARD
(2/5)
CN3200
(Page 31)
N
DIGITAL
BOARD
(2/4)
CN2103
(Page 25)
H
D-VIDEO
BOARD
(5/5)
CN1500
(Page 34)
(CHASSIS)
E
J220
J211
SAT/CATV
(IN 2)
BD/DVD
(IN 1)
COMPONENT VIDEO
ASSIGNABLE (INPUT ONLY)
VIDEO 1
VIDEO OUT
VIDEO 1
VIDEO IN
J210
SAT/CATV
VIDEO IN
MONITOR
VIDEO OUT
MONITOR
OUT
Y
PB PR
Y
PB PR
Y
PB PR
50V
1
C992
FH901
FH902
*1
F901
T3.15AL 250V - AUS, ECE
8A 125V - CND, US
RY901
5V, TV-8
1
4
2P
CNP902
LIVE
NEUTRAL
*1
F901
2SC3052EF-T1-LEF
Q990
10k
R993
2SC3052EF-T1-LEF
Q901
2.2k
R903
47k
R904
R276 75
75
R227
161514131211109
12345678
NJM2595M-TE2
IC210
VOUT1
SW5
VIN5
SW3
VIN4
SW4
VIN3
V- VIN2
SW2
VOUT3
GND
VIN1
SW1
VOUT2
V+
75
R213
75
R225
123 674 5 8 9 10 11 12 13
50V
10
C225
50V
10
C228
75
R215
75
R224
G
12 345
50V
10
C229
75
R214
50V
10
C227
R277 75
75
R211
50V
10
C224
50V
10
C213
75
R228
50V
10
C211
75
R226
75
R229
242322212019181716151413
876543219101112
NJM2586AM
IC220
CH1 IN 1
SW1
CH1 IN2
SW2
CH1 IN3
GND
V+1
CH2 IN1
GND
CH2 IN2
GND
CH2 IN3 CH3 IN3
GND
CH3 IN2
V-1
CH3 IN1
V-2
GND
CH3 OUT
V+2
CH2 OUT
PS
CH1 OUT
50V
10
C226
R278 75
16V
C953
3300
CL904
CL905
CL906
CL907
IO
IO
G
KIA7805API-U/PF
IC201
G
KIA7905PI
IC202
47p
C210
47p
C208
MC2838-T112-1
D990
CL902
CL901
R266
0
R264
0
R262
0
CL211
CL212
CL213
CL214
CL215
CL216
CL217
CL218
CL219
CL220
CL221
CL222
CL223
CL248
CL249
CL247CL246CL245CL242
CL224 CL226 CL227 CL228 CL229 CL230 CL231 CL232 CL233
MC2840-T112-1
D993
MC2840-T112-1
D994
25V
3300
C904
D5SBA60-F
D941
134
86
T902
1
3
3P
CNP901
LIVE
NEUTRAL
6.8k
R991
15k
R990
F940
T3.15A 250V
CL903
F941
T3.15A 250V
25V
1000
C998
CL210
R200
22k
G
12 345
DA2J10100L
D901
47kR202
*R201
1SR154-400TE-25
D203
MC2838-T112-1
D204
0.1
C205
0.1
C215
0.1
C217
0.1
C232
0.1
C233
0.1
C235
0.1
C943
0.1
C950
0.1
C951
1
3
4
5
6
7
8
9
CN272
9P
CVBS IN
GND
CY IN
GND
CB IN
DGN
CR IN
DGN
75
R216
75
R217
75
R218
CL234
CL237
CL238
CL236
CL235
R902
33
C201
0.1
C202
0.1
50V
C944
0.1
0.047
C940
0.047
C941
1
2
3
4
4P
CN906
R3 AC (Yellow)
NC
CENTER
R3 AC (Green)
0.1
C207
IC203
NJM2505AF (TE2)
1
V-OUT
2
GND
3
+V
4
V-IN
5
VGND
10C216
10
50V
50V
C214
10V
100
C212
R222
2.2k
100R205
100R204
C242
68p
C243
68p
C244
68p
C245
100p
1
2
3
4
5
6
7
8
9
10
11
12
13
14
CN271
14P
MODEL
VERSION
+3.3V STBY
+5V_STBY
POWER_RY
STOP
COMP_DET
VIDEO2-VGND
VIDEO2
VSEL-2
VSEL1
V-MUTE-1
NC
COMP-SW2
25V
47
C204
25V
47
C203
C236
22p
C237
22p
C238
22p
C239
22p
C240
22p
C241
22p
1
2
3
4
5
6
7
CN904
7P
+4V_DCDC
+4V_DCDC
R3_GND
R3_GND
+13V
NC
+13V
R212
220
0
R242
0
R239
0
R243
0
R245
1
C219
220k
R233
1000p
C220
CL265
CL264
CL263
CL262
CL261
NJU7181RB1(TE2)
IC223
1
VIDEO_IN
2
AMP_OUT
3
TRIN
4
GND
5
CAP_D
6
RES_D
7
OUT
8
V+
CL260
0.1
C255
100k
R293
100k
R236
220k
R235
R253 R254 R256 R258 R260
R230
AC IN
T901
POWER
TRANSFORMER
VIDEO DETECT
VIDEO AMP
+5V REG
-5V REG
RELAY DRIVER
SUB POWER
TRANSFORMER
AC OFF DETECT
INPUT SELECT
COMPONENT
VIDEO SELECT
IC B/D
IC B/D
IC B/D
B902
G
* R201
2.2K : AUS, ECE
10K : CND
0 : US
47kR203
EXCEPT US
STANDBY-AVIDEO PC BOARD
12345678 91011 141512 13
A
B
C
D
E
F
G
H
I
J
0.6
0.9
2.5 7.62.57.6 2.5 2.5
1.47.6
-2.4-2.32.52.5
2.42.52.5-2.4
-2.4
4.2
3.4
7.5
7.6
2.5
0.9
2.50.9
2.5
0.6
7.6
15.9 -16.8
6
7
8

Table of Contents

Related product manuals