EasyManua.ls Logo

Sony STR-DH730 - Page 51

Sony STR-DH730
94 pages
Print Icon
To Next Page IconTo Next Page
To Next Page IconTo Next Page
To Previous Page IconTo Previous Page
To Previous Page IconTo Previous Page
Loading...
STR-DH730/DH830
51
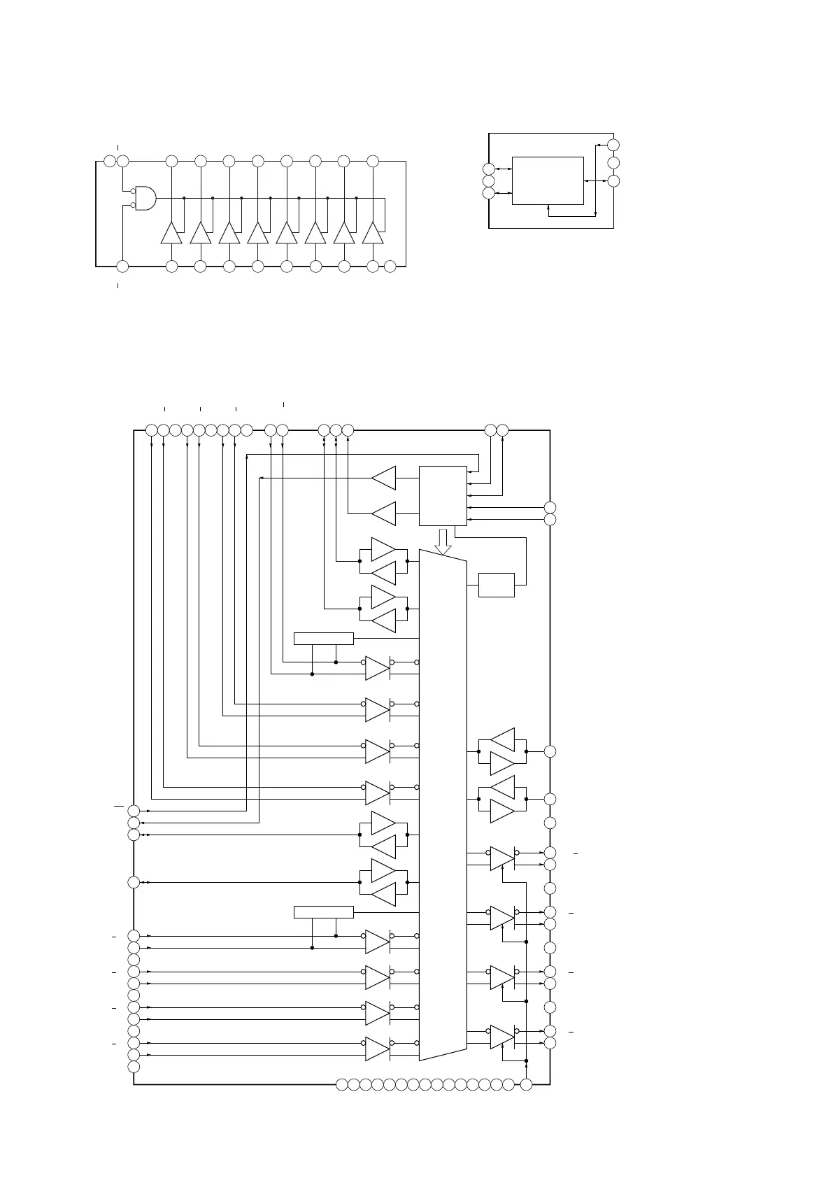
IC3004 TC74VHC541FT (EKJ) (D-VIDEO BOARD (1/5)) IC3205 TC7PA53FU (TE85L.F) (D-VIDEO BOARD (2/5))
VC
C
G2
Y1
Y2
Y3
Y4
Y5
Y6
Y7
Y8
GND
A8
A7
A6
A5
A4
A3
A2
A1
G1
1 2 3 4 5 6 7 8 9 10
11121314151617181920
MALTIPLEXER/
DEMALTIPLEXER
1
CH1
3
CH0
2
GND
4
COMMON
6
A
5
VCC
IC3522 TMDS261BPAGR (D-VIDEO BOARD (3/5))
49
48
LP
55VCC
61VCC
58GND
63D2+_2
D1+_2
62D2 _2
64NC
60
59D1 _2
D0+_2 57
56D0 _2
TMDS RX W/AEQ
TMDS RX W/AEQ
TMDS RX W/AEQ
TMDS RX W/AEQ
TMDS RX W/AEQ
TMDS RX W/AEQ
TMDS TX
CLK+_2 54
53
52
CLK
_2
SCL2
TMDS RX
TMDS RX
CLOCK DETECT
CLOCK
DETECT
CLOCK DETECT
TX
RX
51SDA2
50HPD2
D2+_1
47
D2 _1
45
D1+_1
44
D1
_1
42
D0+_1
41
D0 _1
39
CLK+_1
38
CLK _1
37
SCL1
36
SDA1
35
HPD1
46
VCC
40
VCC
43
GND
TX
RX
TX
RX
34
I2C_SEL
33
32
S2/SDA
S1/SCL
TX
RX
RX
31 HPD_SINK
30 SDA_SINK
2:1
MUX
LOCAL I2C
AND
CONTROL
LOGIC
TX
RX
29 SCL_SINK
27 CLK _SINK
28 GND
22 GND
25 VCC
TX
26 CLK+_SINK
TMDS TX
21 D1 _SINK
19 VCC
20 D1+_SINK
TMDS TX
18 D2 _SINK
17 D2+_SINK
TMDS TX
24 D0 _SINK
23 D0+_SINK
16
VSADJ
15
GND
14
NC
13
NC
11
NC
10
NC
12
VCC
9
GND
8
NC
7
NC
3
GND
2
NC
1
NC
5
NC
4
NC
6
VCC

Table of Contents

Related product manuals