EasyManua.ls Logo

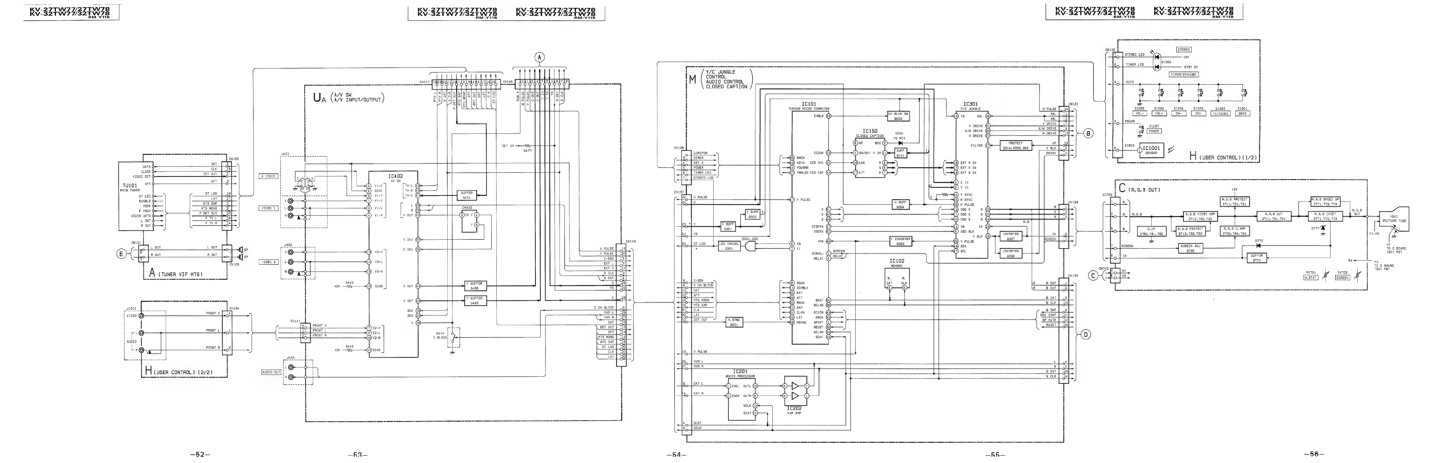
Sony Trinitron KV-32TW77 - D Board Schematic Diagram

Sony Trinitron KV-32TW77
79 pages
Print Icon
To Next Page IconTo Next Page
To Next Page IconTo Next Page
To Previous Page IconTo Previous Page
To Previous Page IconTo Previous Page
Loading...
[ween
ee
ee
CNLSS
+
VY
PULSE
VER
L
VER
R
ney
7
a
eee
el
Ic201
AUDIO
PROCESSOR
S$
DAT
7
[I
(USER
CONTROL)
(2/2)
|
—_!
-
E
Q
4
=
TH
=
ToT
Oo Oo
OO
fo)
oOo00000
0
0
rT
1
+8V
|
,
(
f
nee
a
eG
ng
Pe
ee
ee
ee
eee
ae
STBY
SV
|
aa
aS
t
|
M_
{
CONTROL
5
TLS]
1ish7
ke
H
[SRG
ae
eae
PRES
MOSS
TET.
|
ae
Ree
eek,
aan
ae
wa
ae
AUDIO
CONTROL
|
5
1
t
1
H
|
salaleiMieda
a
>|
Ele]
z]ziu|e|=<
|
b
iH
p
p
H
p
t
U
A/V
SW
3|>|
Ss]
a)
a]3
4
al
S/S)aayS
Faia
H
|
I
I
ne
it
i
|
oO
|
A
\
A/V
INPUT/OUTPUT
a)a)
ola)
lo
.
a\z[Zlof-1]°]
folo
|
H
|
'
ale
=
'
H
|
1c101
IC301
CNI31
i
|
a
|
i
TUNING
MICRO
COMPUTER
Y/C
JUNGLE
H_PULSE
~
$1006
$1005
$1004
$1003
$1002
$1001
|
|
|
|
@6)
Lot
[vow-]
[vos]
[lex]
(ocx)
[Lavvvineo]
[pene
|
|
|
'
poe
PQWER
|
i
'
|
v
orIve
6
TT
BO
$1007
|
|
|
j
IC150
poo4
BOW
DRIVES
H
ORIVE
3]
E
!
|
|
|
CLOSED
CAPTION
H
DRIVE
O
Bi
|
Lao
|
PROTECT
'
A
1
ER
@
O
|
SET
SV
ae
|
CN138
rater
@y
Rel
1C1001
“ey
|
a
eee
noeeeeaceuan:
JA04
H
o
LUMIPON
CCDON
8
SENSOR
H
H
Mohan
enn
boo
|
9°[
ines
Be
ies
ee
3
(USER
CONTROL)
(1/2)
|
-\
H
£5
Key
0
42)
KEYO
CCD
CHI
i
ee
ae
te
eee
eS
a
ns
on
eee
ae
|
am
rie
CLOCK
H
[6
|
TIMER
LEO
@7)
TMRLED
CCD
CAP
1
VIDEO
DET
§
viped
|!
real
|
'
Ono
1
one
a
td
LS
SE
OS
A
A
AP
SE
Oh
NS
ED
Tuio1
oth
|
-
|
[1
MAIN
TUNER
eu
a
|
!
'
(R,G,B
OUT)
|
rT
ST
LED
J---------4--------
7
H
|
cNn708
ENABLE
|
VG
4
1
|
H
|
R,
6B
PROTECT
R,G,B
SPEED
UP
|
ane
HTS
SAP
oe
i
eNtes
(tot
4
D711,
731,751
D771,772,
773
'
enene
MTS
MONO
vipeo
1
|!
O
|
RI
ot
ee
oT
|
8,
dedeniser
P
DET
OUT
|
36
a
aaa
H
}-—
2-02]
>
|S,
LB
S.8
R,G,B
VIDEO
AMP
R,G,B
OUT
R,G.B
IKDET
out
ot
von
ee
!
wa
|
0
0712,
732,
752
Q711,
734,
751
Q771,772+773
Sistine
Abe
1
:
1
k
t
IES
TASS
ere
|
git
@5)
>|
8
CLIP
R
PROTECT
R,G,B
CLAMP
D777
\
|
'
65)
ik
|
D790,
791,
792
D712,
732,
752
0793,
794,795
|
Bel
1
'
CN143
SEL
sercen
|
47
D770
|
402
|
HV
oes
oo
i
ze
7
O
SCREEN
SCREEN
ADJ
i
TO
D
BOARD
if
'
v6
A
Ba
eae
INVERTER
a790
1501
FBT
'
BUFFER
7
js
!
Ba
RELAY
ee
1
otk
[mers]!
«+d
Ba
sy
atl
a770
merrid
CN103
1
O
|
70.5
aoarD
j
A
1
bt
Bo
'
cN702
Pe
1
TS01
FBT
RV701 RV702
(TUNER
VIF
MTS)
1
a
|
Be]
Aish
OTs
|
EA:
OAT
Se
Lae
beekecGuPe
_!
ai
FO~
[Re
STAT
|
[SCREEN
|
|
RAAB
C
BUFFER
Bea
SSWN
R R
OUT
+
1
+3V
O
O
|
2406
ma
2cHaLK
e__pout|
21
eR
i
a
a
ie
a
ee
a
ae
H
Y
BUFFER
3
Be
7
|
sos
oc
=o
CCH
BLOCK
|
|
|
VAR
L
NTN
|
si
LAT
saa
Bt
H
var
R
|
27]
DGCN
O
ett
paT
|
cer
SPKMT
goo:
Ho-]
Foon
Rea
DET
OUT
ros
RESET
(
|
oa
FRONT
L
eo
[
ron
a
penta
Be
eae
et)
ScLKN
O
C
BLOCK
Pi
1
Ts
WoNd
|
15
SDAT
Lats
sap
|
ie
bck
[oa
an
O
Li
;
O
BG
I
ry
5
'
1202
VAR AMP
|
|
| |
|
t
| |
|
| |
|
cn
a
a
ee
re
so
os
|
oO
9
iiameraree
eS
AE
OSE
SE
ES
A
ES
EE
SS SS
eS
SS
LS
ES SS
SS
Ee
TE
A
LL
SS
cS
—52-—
_5Q—
|
n
i
—55—
—56—

Related product manuals