EasyManua.ls Logo

Sony Trinitron KV-32TW77 - Diagrams; Block Diagrams Overview; Frame Schematic and Board Locations; Schematic Diagrams and Printed Wiring Boards

Sony Trinitron KV-32TW77
79 pages
Print Icon
To Next Page IconTo Next Page
To Next Page IconTo Next Page
To Previous Page IconTo Previous Page
To Previous Page IconTo Previous Page
Loading...
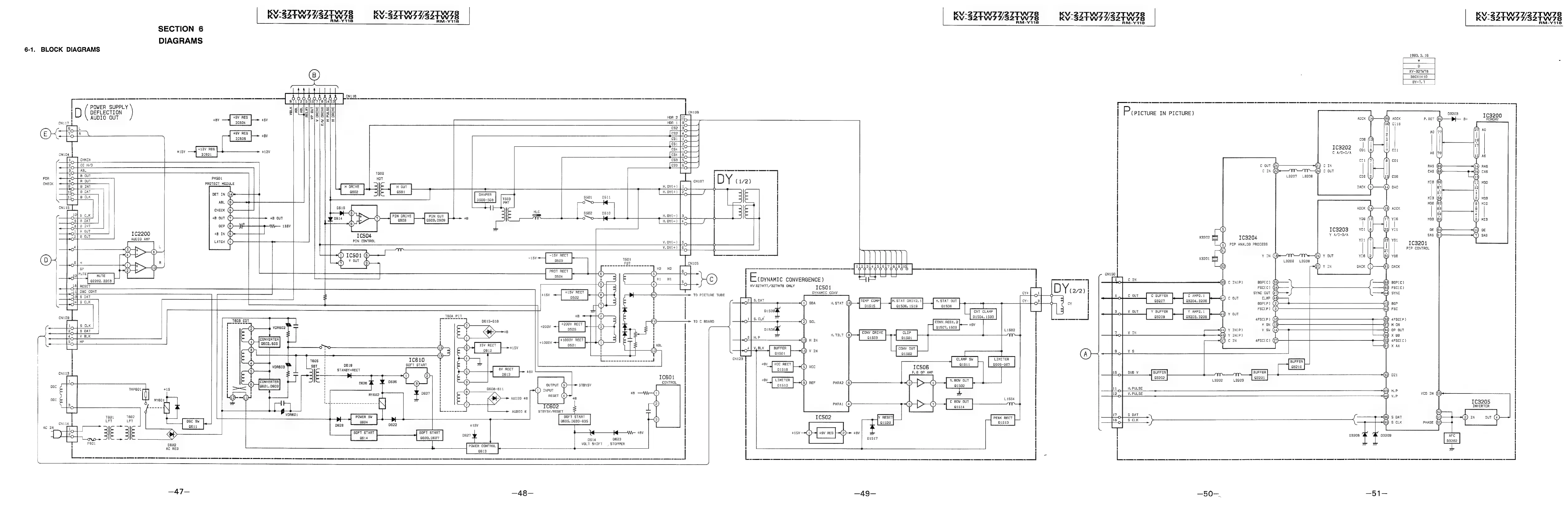
SECTION
6
DIAGRAMS
6-1.
BLOCK
DIAGRAMS
a
at
A
AS
I
OH
SS
OS
Yh
SN
AA
NA
PN
A
SEND
HA
GN
if
ARAN
OPE
mh
SD
ah
NN
ap
ERED
POWER
SUPPLY
[)
DEFLECTION
AUDIO
ie)
+5V RES
cnii7?
+8V
pets
+5V
~
+9V
1
+15¥
+12
CNiO4
CHKCA
eC
H/0
ABL
quT
FOR
:
a
PMSO1
CHECK
PROTECT
MODULE
B
INT
B
OAT
B
CLK
CNi
ay
~afeo
lol
O O O
OOdodd0
OCOT000000
+5
or
~
t
ire
i
>
a
ao
1C2200
AUDIO
AMP
=
i
8
=
m
MUTE
Q2202,
2203
18]
RESET
4
Oo.
So
vc
=
a
ives
x
ue
7603
COT
DGC
wan
enn
nena
anne
nnnnnnnnn
nn
THPGOL
ec
TeOL
7602
LET
LET
CNI
14
AC
IN
<=
3
E
or
3 E
VO
_
F601
1
—A7~—
VP
QUT
Vv
DRIVE
H
PULSE
H
ORIV!
=
ee
SS
Se
eS
SS SS
E/W
BRIV!
~15V
RECT
DSO3
PROT RECT
D504
Dstt
D510
Pr
DY
«21
2
=
a
i=}
a
3
=
o
qa
oe
Oo
bal
@—o-
©
i
pl
asene
i
S
DAT
+200V
RECT
+20.
env
D505
+1000V
RECT
+100DV
DSO:
VDRE02
CONVERTER
»605
VDR603
CONVERTER
0601,
D603
POWER
SW
aco4
SOFT
START
Q6bi4
STBYSV/RESET
Q605,
D633-635
SOFT
START
0603,
D607
T501
Sesesec
tel
access
(6)
2
©
@
>
ns
O—z
|
§
ie
(1)
=
>
a
eee
ae
+8
$—_}+——_
14
tv
0614
0623
VOLT
SHIFT
=
STOPPER
TO
PICTURE
TUBE
-
OOO)
wooo
wi
eS
SS
SS
RN
A
SS
St
SS
A
SS
At
ee
fom
neem
|
pemenes
ot
Ge
oo
|
POWER
CONTROL
asi3
Mec
eal
na
eal
here
he
eg
fg
ta
aes
eh
ae
ee
eae,
ne
ales
igh
ier
ene
eee
eee
ene
(DYNAMIC
CONVERGENCE
)
a
KV
32TW77/32TW78
ONLY
P
cercture
IN
PICTURE
)
a a
DY
t22)
DYNAMIC
CONV
TEMP
COMP
H.
STAT
(18)
nisié
H.
STAT
OUT
ea
gga
CONY,
REGI,
V¥,
REGI,2
4OV
Q1507,
150g
CONV
DRIVE
H.
TILT
(8)
aac
4
Ww
O
O
©
uw
CN12
—_—-—-—_-—_-—_-—-—-—-—-
] w
U1
O © 0
O
VCC
RECT
O1Sis
LIMITER
1993.
3,
16
¥
je
=
DL
KV-32TW78
880X1410
BY-T,
T
SS
SS
SS
SS
SS
oS
OS
OS
A
SE
eS
SS
A
SRS
LS
OS
Oe
OP
SETETY
SP
GENE
Gy
GRNERNENDf
Slm
us
pe
anid
1¢3200
ADCK
P.SET
(9)
B+
MEMORY
C1lis
ADCK
(4)
@3)
ca6
13202
~~!
cot
C
A/D-D/A
cli
1€3203
Y
A/D-D/A
xX3202
CJ
C3204
PIP
ANALOG
PROCESS
Yor
C3201
PIP
CONTROL
Y
IN
X3201
F4
L3208
13208
BGP(C)
BGP(C)
FSC(C)
FSC(C)
SYNC
OUT
SYNC
*
gona?
_[—L.osaoa,
e206
cour
cL
.
BGP(P)
BGP
FSC(P)
FSC
Y
AMP2,
1
03203,
3208
Y
BUFFER
a3209
AFSC(P)
M
ON
QP
OUT
X
BB
4FSC(C)
X
AA
AFSC(P)
M
ON
Vv
SW
FSC(C)
4
C
BOW
OUT
Qisi4
Cima
pees
SS
eS
SN
SS
Se
a
a
SS
OS
SS
EE
ES
EE
SS
SS
SY
SY
BUFFER
03210
SUB
V
BUFFER
=
03201
93202 L3202
L3203
|
He
PULSE
V.
PULSE
©
IC3205
INVERTER
S
DAT
§
CLK
eo
<
mee
03208
p3209
AFC
03202
pemans
e
ie
ee
ee
AN
a
i
or
eae
Sg
ce
a
a
ae
ee
=O
=
54
~

Related product manuals