EasyManua.ls Logo

Sony TRINITRON KV-DR29M39 - Page 45

Sony TRINITRON KV-DR29M39
240 pages
Print Icon
To Next Page IconTo Next Page
To Next Page IconTo Next Page
To Previous Page IconTo Previous Page
To Previous Page IconTo Previous Page
Loading...
– 46 –– 45 –
KV-DR29M39/DR29M63/
KV-DR29M69/DR29M89
RM-991
KV-DR29M39/DR29M63/
KV-DR29M69/DR29M89
RM-991
CN6603
AC IN
CN6604
TH601
RY6601
RY6603
RELAY
RY6602
RELAY
CN6606
D6108
CN6602
Q6601
RELAY
DRIVE
CN6605
DEGAUSS
8
Q6602
Q6604
Q6605
RELAY
DRIVE
D6605
MAIN
RECT
DOUBLER
IC6600
SWITCHING
CONTROLLER
Q6600
Switching transistor
V PROT
Q6819, Q6820
H OUT DRIVE
Q6806
D6830
HDT
T6804
PIN OUT
Q6808
PUMP UP
Q6801
V. OUT
IC6800
15V RECT
D6817
D6824
H OUT DRIVE
Q6805
HDT
T6802
PIN OUT
Q6807
H CLAMP
Q6803, 4
+ 15V RECT
D6816
T6803
DFT
T6801
DF DAMP
Q5821
TO C BOARD
CN9002
V+
V
H
H+
H1
200V
H. DY H. DY V. DY V. DY
TO PICTURE TUBE HV
DY
FOCUS TO
C BOARD J9001
G2 TO C BOARD
CN9007
H-C OUT
Q6802
PROT
Q6800
M.PIN CUT
Q5803
H L IN OUT
Q5810
V DET PROT
Q6821
+200V RECT
D6813
M PIN OUT
Q6809
CN6803
M. PIN
+200V
H L IN OUT
Q6810
T6800
+135V
CN6801
Q6603
Switching transistor
26V
D6654
T6602
PIT.
12.0V
D6639
1
2
3
4
5
6
7
8
9
10
11
GND/HD-DC
HD
GND
PRE RGB
V COMP
GND
V PROT
H PROT
GND
AFC PIS
HTR
CN6806
CN6802
CN6803
10.5V
D6644
+BV
D6631
Q6610
OCP
FEEDBACK
FEEDBACK
+7V
D6323
T6100
STANDBY
TRANS
STANDBY
>
6.5V
D6633
Q6100
STANBY
RECT
Q6100
Q6102
RCC
SWITCHING
IC6608
COMPARATOR
1
2
3
4
5
6
7
8
9
10
ABL 1
VTIM/GND
V DRV +
V DRV
NS
HC PARA
DF PARA
GND
EW
MP PARA
41
42
43
44
45
46
47
48
49
50
GND
GND
V COMP
GND
H PROT
HD2
PRE RGB
HD1
ABL 2
PROT
31
32
33
34
35
36
37
38
39
40
HTR
GND
GND
M PIN
HD
9V
HD DC
GND
GND
H PULSE
21
22
23
24
25
26
27
28
29
30
GND
VFB
EW
NC
HC PARA
H LIN
MP PARA
5V
DF PARA
H CENT
11
12
13
14
15
16
17
18
19
20
GND
12V
N/S
15V PULSE
GND
DF DRIVE
10.5V
10.5V
GND
15V
1
2
3
4
5
6
7
8
9
10
PROT
NC
NC
135V
135V
NC
NC
SDA
SCL
GND
+
1
3 5
7
1
4
2
5
6
7
8
13
<
<
>
>
>
<
15V
<
<
<
9
SC
10
11
34
CN6803
H L IN
26
+15V
<
<
6
5
4
1
4
3
2
1
HV
F
5C
}
DGC/CHK
DGC/CHK
2
1
DGC
DGC
3
1
STANDBY
OCP
4
8
HD
EW
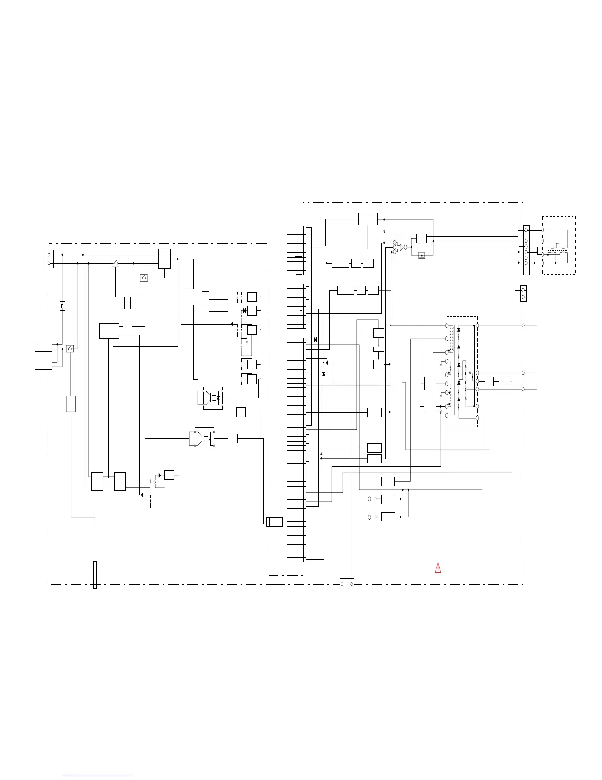
(POWER SUPPLY, DEFLECTION HV)
D
Q6608
SW

Table of Contents

Related product manuals