EasyManua.ls Logo

Sony ZS-2000 - Schematic Diagram -Loop Antenna Section

Sony ZS-2000
64 pages
Print Icon
To Next Page IconTo Next Page
To Next Page IconTo Next Page
To Previous Page IconTo Previous Page
To Previous Page IconTo Previous Page
Loading...
– 59 – – 60 –
ZS-2000
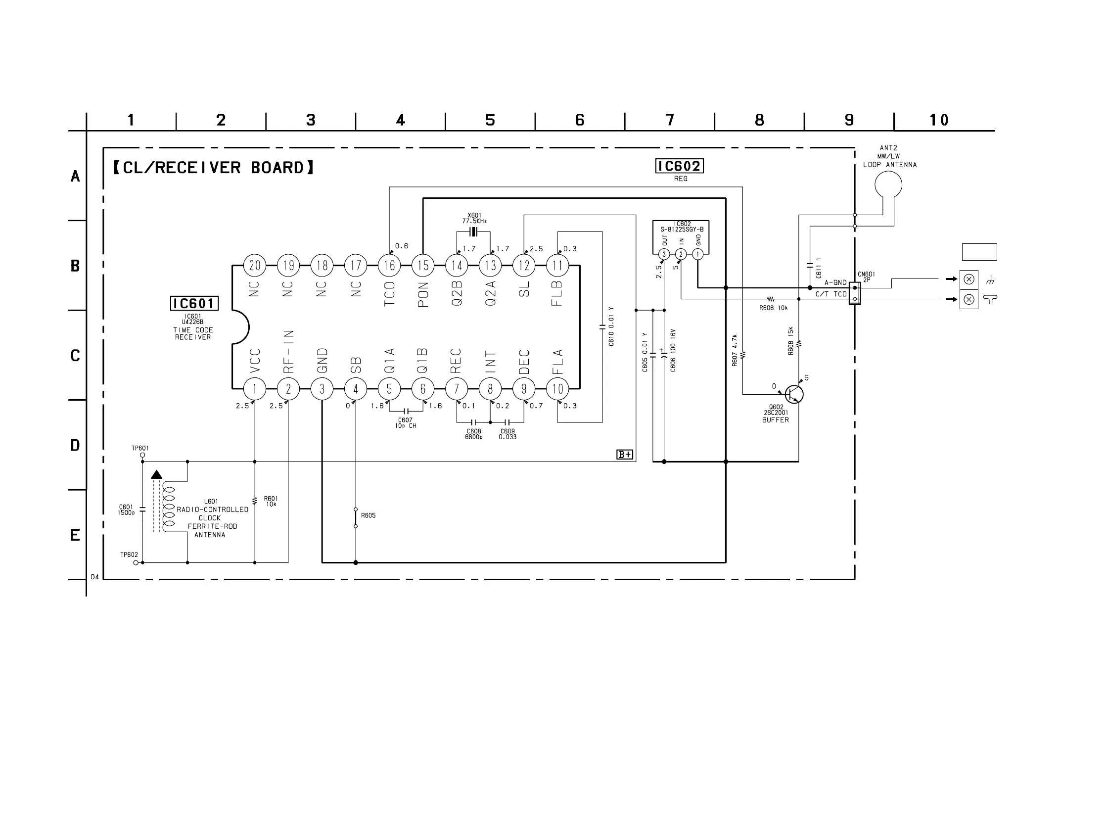
6-21. SCHEMATIC DIAGRAM — LOOP ANTENNA SECTION — • Refer to page 64 for IC Block Diagrams.
• Refer to page 31 for Note.
Note on Schematic Diagram:
Voltage is dc with respect to ground under no-signal
(detuned) condition.
no mark : MW/LW
MW/LW
ANTENNA
TU BOARD
J1-1
TERMINAL
BLK
WHT

Table of Contents