EasyManua.ls Logo

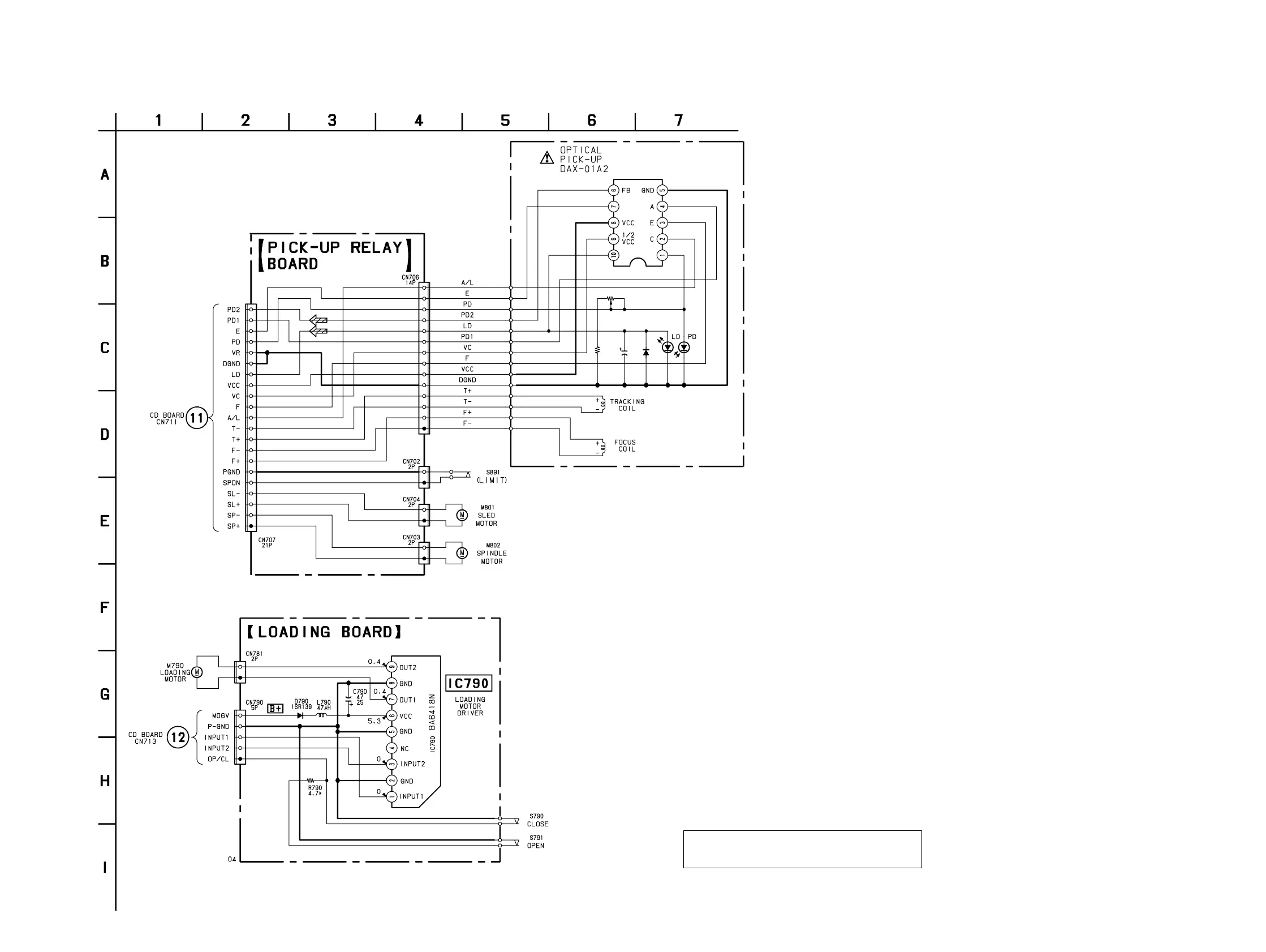
Sony ZS-2000 - Schematic Diagrams -Pick-Up Section

Sony ZS-2000
64 pages
Print Icon
To Next Page IconTo Next Page
To Next Page IconTo Next Page
To Previous Page IconTo Previous Page
To Previous Page IconTo Previous Page
Loading...
– 41 – – 42 –
Note on Schematic Diagram:
Voltage is dc with respect to ground under no-signal
(detuned) condition.
no mark : CD STOP
Note: The components identified by mark 0 or dotted line
with mark 0 are critical for safety.
Replace only with part number specified.
ZS-2000
6-11. SCHEMATIC DIAGRAMS PICK-UP SECTION —• Refer to page 61 for IC Block Diagrams.
Refer to page 31 for Note.
(Page 38)
(Page 38)

Table of Contents

Related product manuals