EasyManua.ls Logo

Stratasys F3300 - Minimum Operational Clearances

Stratasys F3300
29 pages
Print Icon
To Next Page IconTo Next Page
To Next Page IconTo Next Page
To Previous Page IconTo Previous Page
To Previous Page IconTo Previous Page
Loading...
Site Preparation Guide Site Preparation Tasks
Page 4
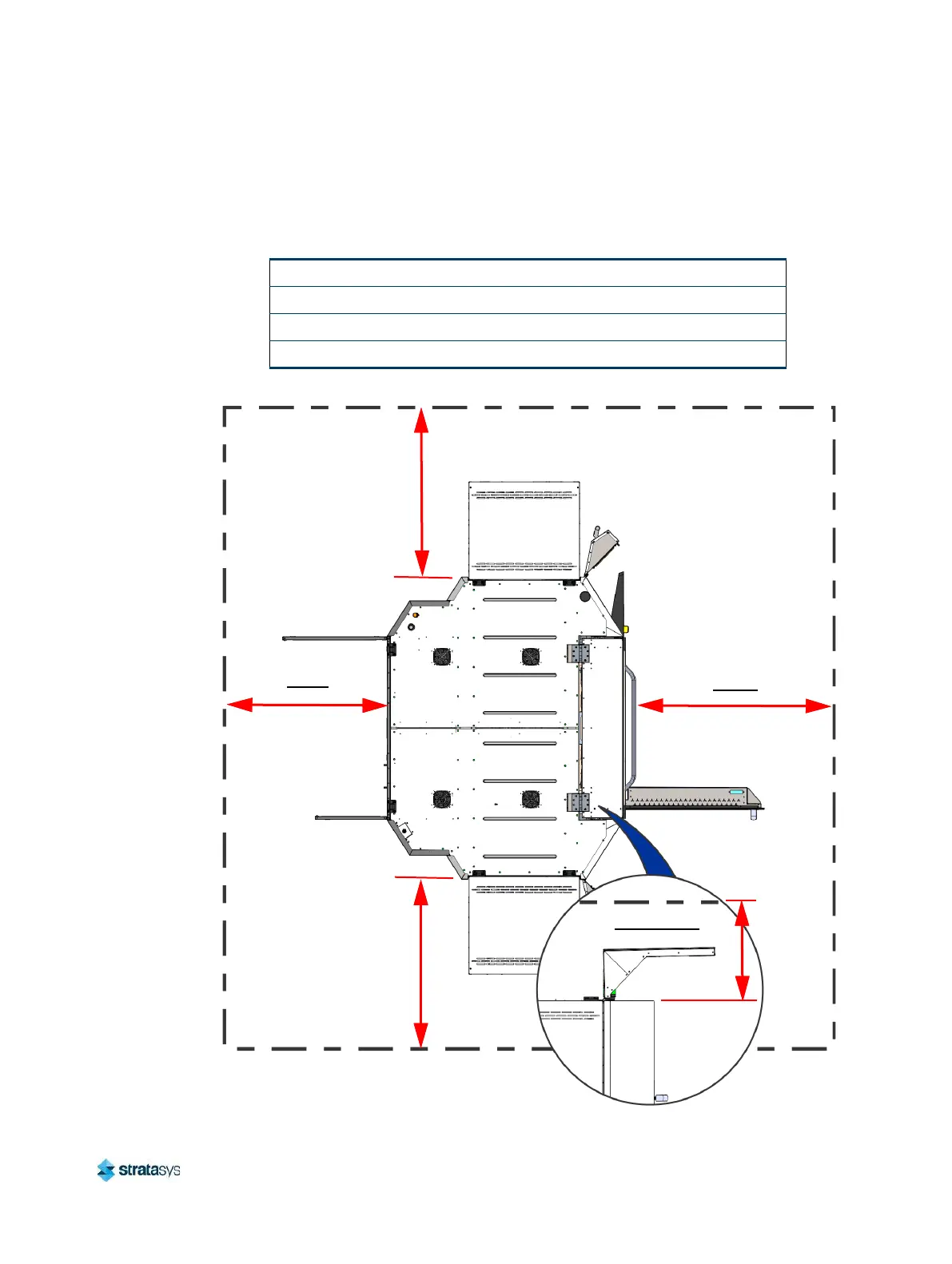
Minimum Operational Clearances
Sufficient side clearances allow for proper air circulation and maintenance access, while the
recommended front and rear clearances also allows enough room to open doors to the oven
and electronics bay. The top hinged covers require additional overhead clearance to fully open.
Figure 3: Minimum Clearances
Side Clearance Minimum 36 inches (91.4 cm) on each side
Rear Clearance Minimum 36 inches (91.4 cm)
Front Clearance Minimum 50 inches (127 cm)
Overhead Clearance Minimum 20 inches (50.8 cm)
127 cm
[50 in]
Rear
91.4 cm
[36 in]
91.4 cm
[36 in]
Front
Overhead
50.8 cm
[20 in]
91.4 cm
[36 in]

Related product manuals