EasyManua.ls Logo

Strobel 441-1 - Page 53

Strobel 441-1
66 pages
Print Icon
To Next Page IconTo Next Page
To Next Page IconTo Next Page
To Previous Page IconTo Previous Page
To Previous Page IconTo Previous Page
Loading...
258.10.27
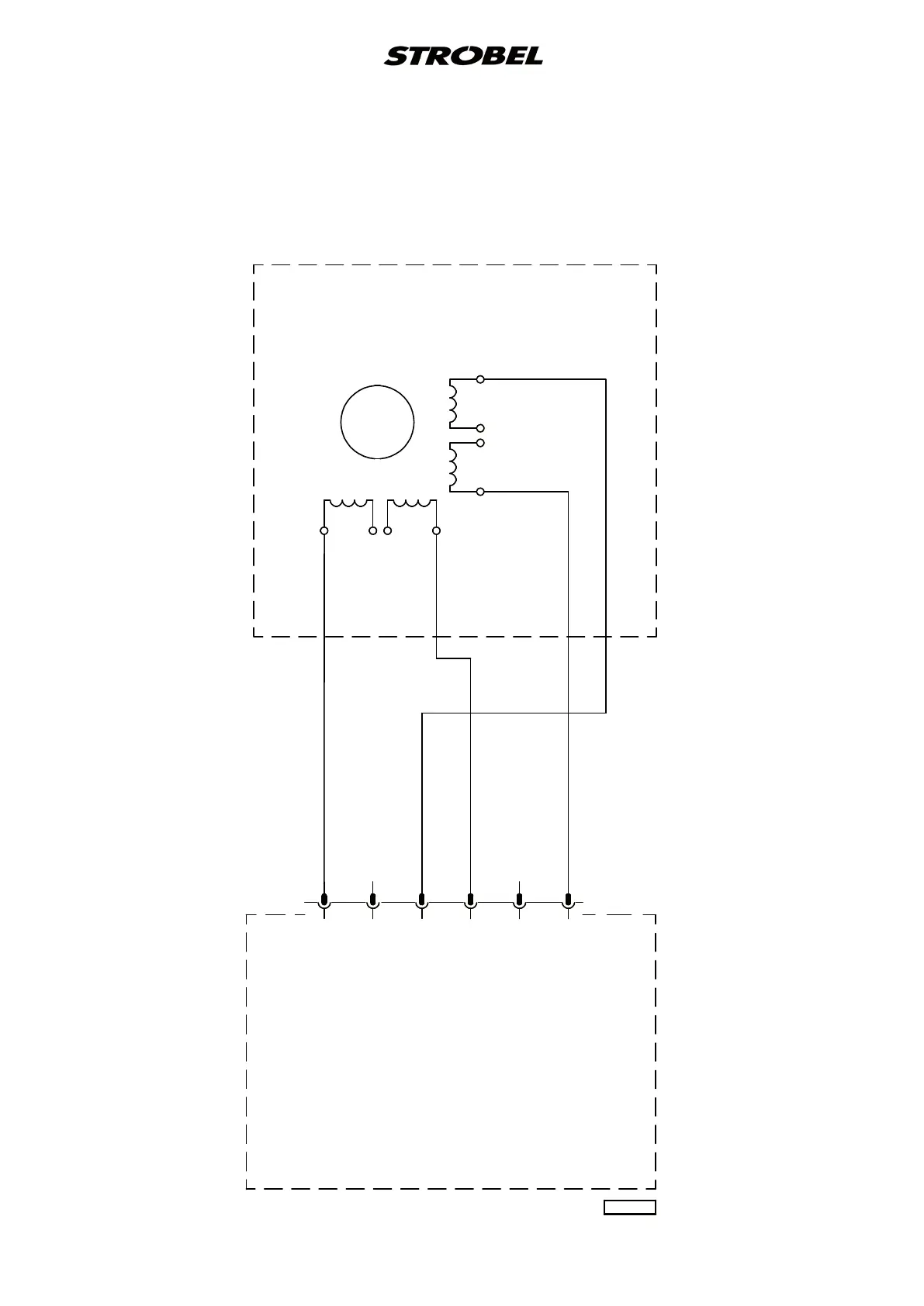
Elekrischer Schaltplan AB425S Kl. 441-2 ab Ausf. 1
Electrical wiring diagram AB425S Cl. 441-2 as of version 1
1
2
3
4
5
6
B5
(A)
(B)
(B)
(A)
ge - ye
ge/ws - ye/wh
gn/ws - gn/wh
gn - gn
rt - rd
rt/ws - rd/wh
sw/ws - bk/wh
sw - bk
SM
Schrittmotor (SM)
Step motor (SM)
Nähantriebsteuerung
Sewing drive control
Schrittmotor (SM)
Step motor (SM)
195.0063

Table of Contents

Related product manuals