EasyManua.ls Logo

Stryker 1000 - Page 67

Stryker 1000
83 pages
Print Icon
To Next Page IconTo Next Page
To Next Page IconTo Next Page
To Previous Page IconTo Previous Page
To Previous Page IconTo Previous Page
Loading...
63
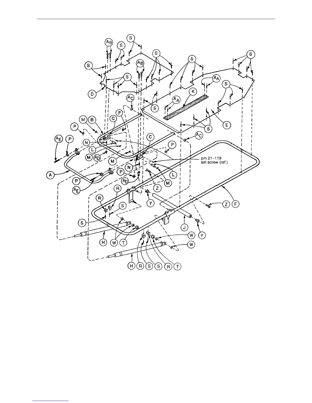
15002426 29 Pneu. Fowler/Stat. Foot End Litter Assembly
Item Part No. Part Name Qty. Item Part No. Part Name Qty.
A 15002421 Handle Assembly 1 P 1550 Hex Nut 6
B 15002423 Head End Fowler, Pneu. 1 R 3782442 Formed Washer 4
C (page 54) Housing Assembly 2 S 2555 Pop Rivet 33
D 15002422 Head End Top, Pneu. 1 T 1635 Nylock Nut 2
E 378294 Foot End Top 1 W 1421 Nylon Washer 4
F 1500421 Litter Frame Assembly 1 Y 940210 Crossbar Mount 2
H 10103178 Gas Cylinder 2 Z 134 Flat Hd. Mach. Screw 2
J 940111 Crossbar 1 AA 2540 Pop Rivet 4
K –––– Velcro Pile As ReqdAB725 Truss Hd. Mach. Screw 4
L 15103137 Pivot 2 AC 9212259 Spacer 2
M288 Retaining Ring 4 AD 1537 Jam Nut 2
N21125 Set Screw 2 AE 21126 Set Screw 2

Table of Contents

Related product manuals