EasyManua.ls Logo

Sukup Sweepway - Page 16

Default Icon
92 pages
Print Icon
To Next Page IconTo Next Page
To Next Page IconTo Next Page
To Previous Page IconTo Previous Page
To Previous Page IconTo Previous Page
Loading...
Installation
16
For installation in both floor types:
With tabs on unloading tube closest to center sump, slide unloading tube out slightly through bin wall and
then back into sump. Position tube so intermediate sumps are straight up. Bolt tube to sump using
attachment tabs welded onto tube, and holes provided in sump.
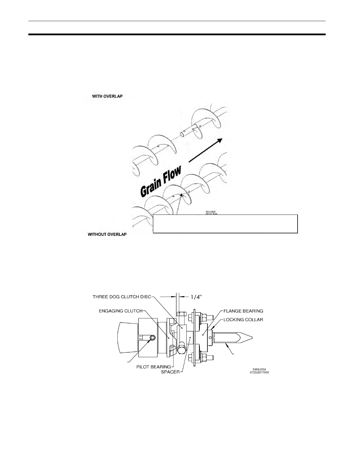
Connect extension sections of auger, if applicable, as shown in Fig. 9.
Slide unloading auger, square end first, through unloading tube and over stub shaft in sump. See Fig. 10.
CLUTCH SHOWN IN DISENGAGED POSITION
Fig. 10
STUB SHAFT
1/2 x 1-1/4"
SETSCREW
Using bolts and turning flighting 180°, extension should be lagging, not leading inside section of flighting.
If working in rice or other small grains, bolts may be omitted and shaft can be welded into place to match
flights. Leave a slight gap between tubes to get a good weld on connecting shaft and tube.
Fig. 9
When adding an extension, flighting overlap
needs to be on backside of grain flow. This
will limit wear problems and put least
amount of stress on flighting.
To avoid separating and capacity problems, flighting
should be welded on both overlapping ends.