EasyManua.ls Logo

Sukup Sweepway - Page 15

Default Icon
92 pages
Print Icon
To Next Page IconTo Next Page
To Next Page IconTo Next Page
To Previous Page IconTo Previous Page
To Previous Page IconTo Previous Page
Loading...
Installation
15
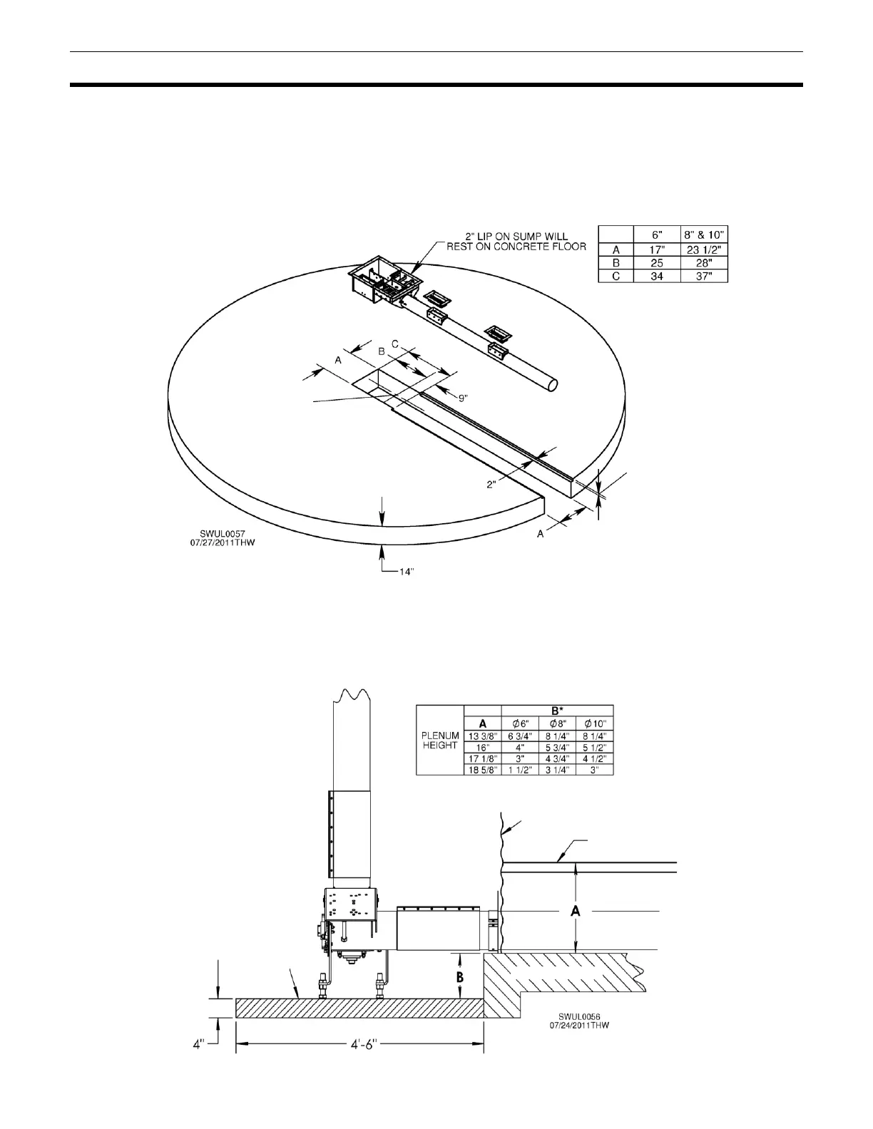
For installation in concrete trench:
Ensure trench meets dimensions shown in Fig. 7 and Table 9. Trench will need to be formed when
foundation is poured. Because of moving slide gates and pull rods, concrete CANNOT be poured over
sweep tube. After tube installation, cover trench with Channel-Lok flooring or other suitable material.
Position center sump as shown in Fig. 7 so top of gearbox is at exact center.
For installation in either application:
A concrete pad, 4’ 6” x 4’ measured from bin foundation, is required for unload systems using vertical
boot drive. Pad should be poured below level of concrete floor of bin, as shown in Fig. 8. Use Plenum
Height table to determine pad offset (B) from bin floor. NOTICE: In northern locations, frost can lift pad,
causing damage to unload system. Loosen threaded support legs in winter and re-tighten in spring.
Fig. 7
Table 9
DEPTH MAY VARY
DEPENDING ON MATERIAL
USED TO COVER TRENCH.
AFTER UNLOADING TUBE IS PLACED
IN TRENCH, COVER TRENCH WITH
BOARDS OR CHANNEL-LOK
FLOORING.
EXACT CENTER
OF BIN
Fig. 8 & Table 10
BIN SIDEWALL
BIN FLOOR
BIN FOUNDATION
4’ 6” X 4’
CONCRETE
PAD
*B VALUES SHOWN ARE MINIMUMS, BUT PAD
OFFSET CAN BE UP TO 1” GREATER.