EasyManua.ls Logo

Suzuki LT-A400 - Precautions; Precautions for Emission Control Devices; Emission Control Devices; General Description

Suzuki LT-A400
502 pages
To Next Page IconTo Next Page
To Next Page IconTo Next Page
To Previous Page IconTo Previous Page
To Previous Page IconTo Previous Page
Loading...
Emission Control Devices: 1B-1
Engine
Emission Control Devices
Precautions
Precautions for Emission Control Devices
B827H11200001
Refer to “General Precautions in Section 00 (Page 00-1)”.
General Description
Carburetor System Description
B827H11201001
LT-A400/F and LT-F400/F are equipped with precision carburetor that controls emission levels.The carburetor
specifications for the emission-controlled LT-A400/F and LT-F400/F are described in the service data.This carburetor
requires special mixture control components and precision adjustments to function properly.There are several
carburetor mixture control components in the carburetor assembly. Three jets (main, needle and slow) are machined
to much closer tolerances than standard machined jets. If replacement of the jets is needed, be sure to replace them
only with the same type of jets.A jet needle with only one clip position, is also used. If jet needle replacement is
necessary, only replace it with a jet needle of the same type. Suzuki recommends that Genuine Suzuki Parts be
utilized whenever possible for the best possible performance and durability.Adjusting, interfering with, improper
replacement, or resetting of any of the carburetor components may adversely affect carburetor performance and
cause the ATV to exceed the exhaust emission level limits. If unable to effect repairs, contact the distributor’s
representative for further technical information and assistance.
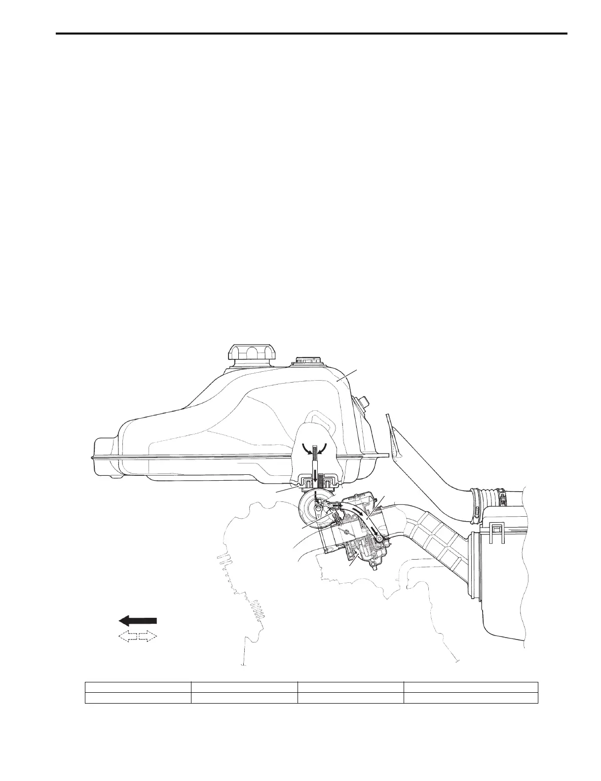
1
2
3
4
5
“A”
“B”
I827H1120001-01
1. Fuel tank 3. Vacuum hose 5. Carburetor “B”: Vacuum (Negative pressure)
2. Fuel valve 4. Fuel hose “A”: Fuel

Table of Contents

Other manuals for Suzuki LT-A400

Related product manuals