EasyManua.ls Logo

Suzuki Swift - Page 221

Suzuki Swift
557 pages
Print Icon
To Next Page IconTo Next Page
To Next Page IconTo Next Page
To Previous Page IconTo Previous Page
To Previous Page IconTo Previous Page
Loading...
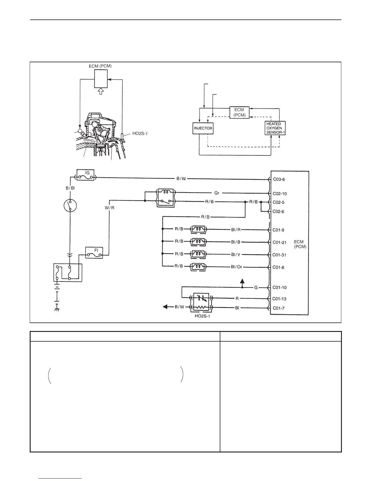
ENGINE GENERAL INFORMATION AND DIAGNOSIS (SFI FOR G13) 6-1-65
Ignition
switch
Main
fuse
Main relay
To ignition
switch
To other sensor
Relay box
No.1 injector
No.2 injector
No.3 injector
No.4 injector
Fuse box
Signal to decrease amount of fuel injection
Signal to increase amount of fuel injection
High voltage
Low voltage
A / F mixture
becomes
richer
Oxygen
concentration
decreases
A / F mixture Oxygen
Fuel injector
Sensed
information
A / F mixture
Exhaust gas
becomes
leaner
concentration
increases
DTC P0171 FUEL SYSTEM TOO LEAN
DTC P0172 FUEL SYSTEM TOO RICH
CIRCUIT DESCRIPTION
DTC DETECTING CONDITION POSSIBLE CAUSE
D When following condition occurs while engine running under
closed loop condition.
Air/fuel ratio too lean
Total fuel trim (short and long terms added) is
more than 30%
or
Air/fuel ratio too rich
(Total fuel trim is less than 30%)
: 2 driving cycle detection logic, continuous monitoring.
D Vacuum leaks (air drawn in).
D Exhaust gas leakage.
D Heated oxygen sensor-1 circuit
malfunction.
D Fuel pressure out of specification.
D Fuel injector malfunction (clogged or
leakage).
D MAP sensor poor performance.
D ECT sensor poor performance.
D IAT sensor poor performance.
D TP sensor poor performance.
D EVAP control system malfunction.
D PCV valve malfunction.

Table of Contents

Other manuals for Suzuki Swift

Related product manuals