EasyManua.ls Logo

TAC 2112 - Heat Control Functions

TAC 2112
70 pages
Print Icon
To Next Page IconTo Next Page
To Next Page IconTo Next Page
To Previous Page IconTo Previous Page
To Previous Page IconTo Previous Page
Loading...
TAC 2112, Manual Functional Description
7:4 (22), 0-004-7459-3 (GB) 1999-08-01, TAC AB
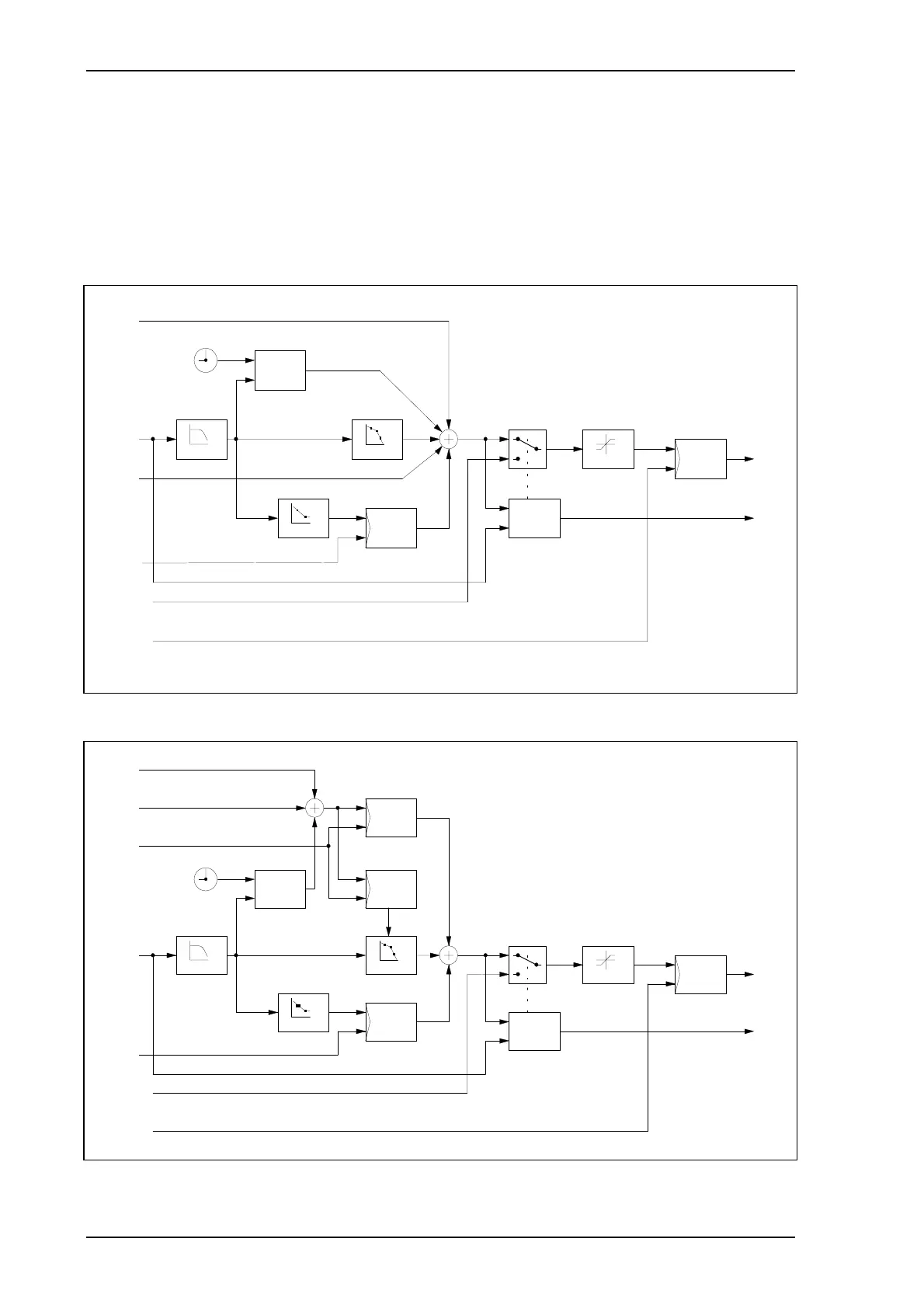
7.3 Heat control
7.3.1 Functional diagram
The TAC 2112 can control heat with or without a reference sensor.
The control function both with and without a reference sensor is
described in the illustrations below.
Reset curve
Damping
Outdoor
temperature
Supply
regulator
SP
MV
Return
temp.
limit.
SP
MV
Return
temperature
supply
temperature
SPC
Limit.
Supply
temperature
Minimum
control
Pump
Pump
Parallel
shift
heating
Reset curve
Time
program
Actuator,
Control function with no reference sensor installed
Outdoor
temperature
Automatic
curve
adjustment
SP
MV
Room
regulator
SP
MV
Reference
temperature
for room
temperature
Setpoint
SPC
Pump
Damping
Return
temperature
Time
program
Reset curve
Return
temp.
limit.
SP
MV
control
Pump
Supply
regulator
SP
MV
Limit.
heating
Reset curve
supply
temperature
Supply
temperature
Minimum
Actuator,
Control function with reference sensor installed

Related product manuals