EasyManua.ls Logo

Tamron MP3010M-EV - Page 70

Tamron MP3010M-EV
79 pages
Print Icon
To Next Page IconTo Next Page
To Next Page IconTo Next Page
To Previous Page IconTo Previous Page
To Previous Page IconTo Previous Page
Loading...
Tamron Co., Ltd.
70 / 79
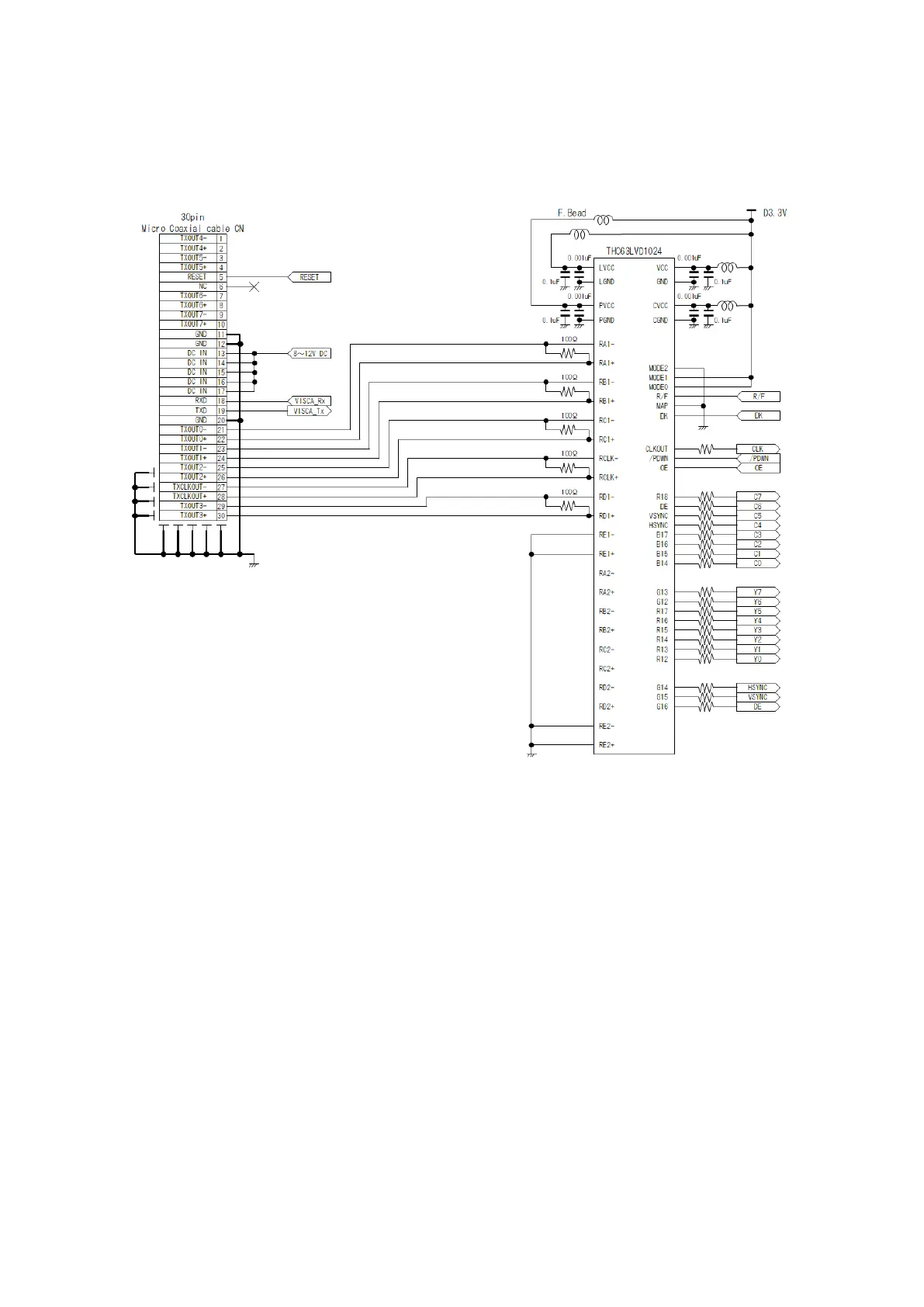
LVDS receiver circuit example (Single output)

Table of Contents