EasyManua.ls Logo

Technics RS-TR575 - Page 35

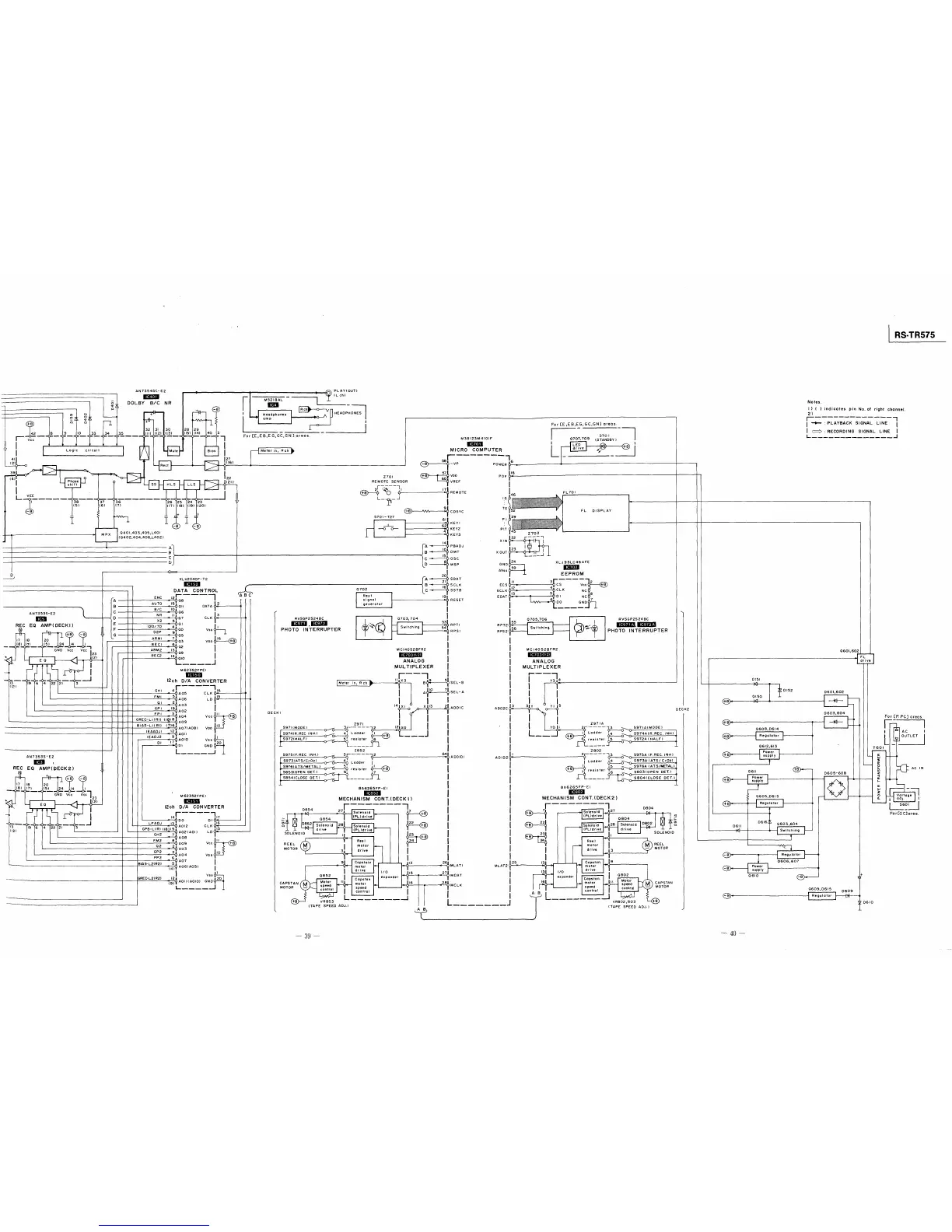
Technics RS-TR575
52 pages
Print Icon
To Next Page IconTo Next Page
To Next Page IconTo Next Page
To Previous Page IconTo Previous Page
To Previous Page IconTo Previous Page
Loading...
RS・TR575
一〇一¢△o
 ①     N
 9五 3五
 〇     〇
9   10   33
r幽了一了一←一
8︺
一一く
1
     1
「Vcc
−34
55
r
胆 1
牛謂、
Logic circui雪
  鑑
59
し4〕
 1      蹄,e
 l
L輩
       一一 一 一
                一 一
               38
               {5}
  AN7354SG−E2
    回
DOLBY B/C NR
32
u l l
31
21
30
31
Mu曾e
a塁1
Rec曾
+     申8
言暑1
4Q
3
B i os
 l
 I
1
ゆうセド ハヒ
Heodphone5
に竺二.
  PしAY璽OUT,
  1L ch l
1
27
U6》
For〔E,EB,EG,GC,GN】Greos.
Me曾erin,Rch
122
【21》
          ゆ    ろ ペヨの ド
           回
       MICRO COMPUTER
      「一一一一陶一軸「
                      6
       −VP          POWER
For〔E,EB,EG,GC,GN}qreqs,
rよ,.,,,早瑞,,「
l                      l
     しピロ
L d「ive〃一二当
                      C D SYC
   S701−72γ
                      K E Y l
                      縄
               ・引
                      ドむムロ 
               B瑠DMT
P O F
SS
M P×
HしS    しL S
Q40』403,405,L401
{Q402,404,406,し402,
26
71
A
B
C
D
5急1
5魯,
__」
錫。》
一B    −B
S701 72γ
塁る
一一
一層O  σ一一
  し セ   ドロ  
DATA CONTROL
鶏1:
野聾藁,
』1旗
 おザ
♂叢.呂醜
 廟炉
嬢陵.
   ハバ ヨらる ロヒ 
    囮
REC EQ AMP{DECK I⊃
       モ
1乙,鵠壁L餌ヱゴ「
         GND   Vcc    Vcc
                  I25
                  {2,
13
1121
E Q
19
6
4
22 21
r
3
  8
  1
REC
 ⑪
17
181
ム   うき リヒ 
  團 風
EQ AMP⊂DECK2,
t号L惹餌蟹
     一GNDVccVccr23
                {21
εQ
C一→・SC
D→MSP
    。l
A諜
        ハ 
塁二弊:lll
    I9
       Z702
,1樺勤
A
8
C
D
E
F
G
13
2》
19
6
4
22 21
3
  1
  5
_」
F L701
Fし  D聖SPLAY
副粒
ENC
12∬8一一一r
A B C
AU『o
15
B!C
N R
X2
120170
D2P
ARM I
R E C I
ARM2
RE C2
GH I
  Q      DATA
 IO
  Q6
 11
  Q7       CLK
 5
  Q I
 4
  QO
 g
  Q5
 7
  Q3
 6
  Q2
 13
  Qg
 I4
  QIO
      さら ドドヒラ
    圓
12ch D/A CONVERTER
4r一一一一「16
FM i
5
Q l
2
GP l
19
F P I
3
GREC一しRD O8,8
BIAS一LlRD 
{7》6
12
A O5     C L K
A O6      L D
A O5
A O2
AO4
A Og
AO7【AO8》
ハのロ
凹、、幽
1
髪ード
1
1
1
RTER
16
旧﹄孕
AV八∀9
1
RTER
「17
φ・
φ1§
15
   ロ   ド   イビ 
  回,囮
PHQTQ INTERRUPTER
Q702
Res t
si gnoI
gene『0?or
R E SE T
EC S
EC L K
E DAT
Q705,704
53
  R PT I
54
  R P S l
1』
5反
4
引ID
↑一■
1
 ⇔c
5⇔D
・6?D
   『
55
R PT2
   56
RPS2
D E C K l
l EAADJ l
I E ADJ2
9
D l
17
   ハ  るる ドドヒド
    圃
12ch D/A CONVERTER
 l4r一一一『rl7
」FADJ
GP8一し〔R,8}[9
GH2
FM2
Q2
GP2
FP2
BIAS−L2{R2}
REC一L2藍R2レ
  D O        D l
I3
  AO I2     C L K
  AO2{AOけ    LD
  
  ムの 
ili三楚
5AO7    1
【41AO6{AO5, 1
・蓬肥憾第
0705曹706
 ×LJ93LC46AFE
  EEPROM
:c7隅一マ・聴㊥
 CLK  NCφ
 Dl   NCφ8
吃__!曲
Swi曾ching
Switchinq
                                        i
                                        l
                            MCI4。52BFR2  1
                             圃
                              ANAしOG   l
                            MULTIPLEXER l
                             「一一「  1
              納e↑erhgRch 日X3 B−SEL−B
                             l A桝SEL−A
                             l   l  l
                            l4偽 XI3 2ADDIC
                             l  I l
                  Z971    1
ii難一蓑冤藁趾」i
                  z852         1
                    圓       l
              MECHANISMCONT・(DECKl》  1
               「一一一一一一一「
  ぼ        ロ 
  囮,團
PHOTO INTERRUPTER
o
MCI40528FR2
  ANALOG
MULTIPLEXER
「一魏、
D854       1
油 1
悔  1
艶 l
l    l
l    l
ぜ  ・2警
漏,1瀧 :II
1且
↑o
旛占R図    1
ReoI
mo,or
dri》e
94
Cops曾oin
mo璽or
driv憩
 l
Q852
1!0
ex蝋r→15
4
撒AN坐 鵠十
Cops曾on
mogor
spoed
con曾roI
o
→16
1
 ・欝
+B       VR855
1TAPE SPEεDADJ》
_______」
隅lL
l TA P E
A B
MLAT l
M DAT
M C L K
    3    5 Y
A DD2C
No曾es.
IIOindico7egpinNo.ofrigh曾chonnei.
2》
「一一一一一一一一一一一一隅「
1一一IPLAYBACKSIGNALLINE l
I⇒:RECORDINGSIGNALUNE l
L一______________」
  1
鮒5
   1   z97IA
Y。l l藤一藁
     酬   摂
       煮ど竺二拝
S971A{MODE〕
S974AこR.REC.INH,
S972A〔HALF》
D ECK2
L__
・・D2隠熊髪
                   良、、、一増
                BA6265FP−El
                 囲
           MECHAMSM CONT.{DECK2》
            「一一一一一一『「
MLAT2
L_______」
概S975A{F・REC・INH》
概S973AIATS!C「021
加S976AIATS!METAし,
樋S8031。PENDEτ,
むS8041CしOSEDEτ》
D804
l NH》
1副
i㊥糾
1⑲圃
i    l
l    I
l          D804
樵蹴
臨,
drive
譜310n・
dri》e
ふ ⑫臨
幹  聯
!O
1 一牛
1﹂
exponder
C。ps1。r
職『
lQ8.2
凄L糀 図騨N
峰  一
磐L一一
』鯉」騨
 VR802,803   相
{TAPE SPEED ADJ.
o
o
0601,602
D l51
十B
Dl50
D I52
5ンive
D6019602
十B
D603腰604
十B
Q608,D614
RegulO,or
十B
Q612け613
Power
supply
十B
十B
Q611
D611
Power
supply
十B
Q605けD613
Regu
D616
010r
Q6Q3蟹604
Swi曾ching
一B
RegulO曾or
Q606,607
一B
Poweτ
supply
一B
Q610
一B
D605−608
Q609,D615
        D609
Regulo曾or
丁601
For〔RPC〕oreq5.
F
9
L
u
Σ
o
ω
Z
α
u
o
一一「
  ハ      コ
.旺」
D610
AC ロN
帰,壽51
1 0dj・   1
ビ2二」
Fo r〔G C〕o reo.
一39一
一40一

Table of Contents

Other manuals for Technics RS-TR575

Related product manuals