EasyManua.ls Logo

Technics RS-TR575 - CABINET PARTS LOCATION

Technics RS-TR575
52 pages
Print Icon
To Next Page IconTo Next Page
To Next Page IconTo Next Page
To Previous Page IconTo Previous Page
To Previous Page IconTo Previous Page
Loading...
A
B
C
D
E
F
G
1
2
3
4
5
6
7
8
9
虚75
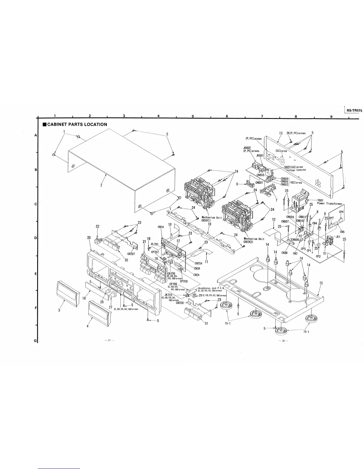
■CABINET PARTS LOCATlON
3
1
18
20
4
22
23
5
1
    10
CNIA
騰\』
o
24
23
 ミ
   饗
・瀬
  援
CN了07
30
Q
21
27(EE巳EGGqGN鉱
9
24
6
(P,PC)a eas
JK602
(P,PC a reas
JKO1
CN603
CN601
24 。
13  26(P,PC)areas
卜 (GC)area
駄轟1・.
     \ノ
       S601(GC)area
       VoltGge Selector
q  亀
        懸
MechanismUnit
(DECK1)            急
  19    。
o
24
16
R−701
17
CP707
薩濁.
9
CN706
(E,EB,EG,
GC,GN)areas
     CP708
CP了06
(E,EB,EG,
 GC,GN)areas、、、
       べ》
JK710
23
一5
    11
CN704
CN3A
CN2A
(E,EB,EG,GC,
   GN)areas
     CN708
          終
        \
HeadphonesJackP.CB.
(E,E巳EG,GC,GN)areas
29(E,EB,EG,Gc,GN)area
       23
劔も
ミ\、・
   〜  \
31
  \
謬.
Q
Mechan i sm Un i t
(DECK2)
         14
24
7
       a
CN6051
謝(GC)a囎
5
25
   T601
25P・we汀ransf・rmer
14 CN3B
15−1
o
CN606
CN7
E2
CP5
14
㎏.
 こ一、__,/一
CPlよ
9
14
穫5
CP2
15
E1
JK1
  25
一57一
一58一

Table of Contents

Other manuals for Technics RS-TR575

Related product manuals