EasyManua.ls Logo

Tecnam P2010 - Stall Warning System

Tecnam P2010
587 pages
Print Icon
To Next Page IconTo Next Page
To Next Page IconTo Next Page
To Previous Page IconTo Previous Page
To Previous Page IconTo Previous Page
Loading...
Page 7 - 21
2
nd
Edition, Rev 0
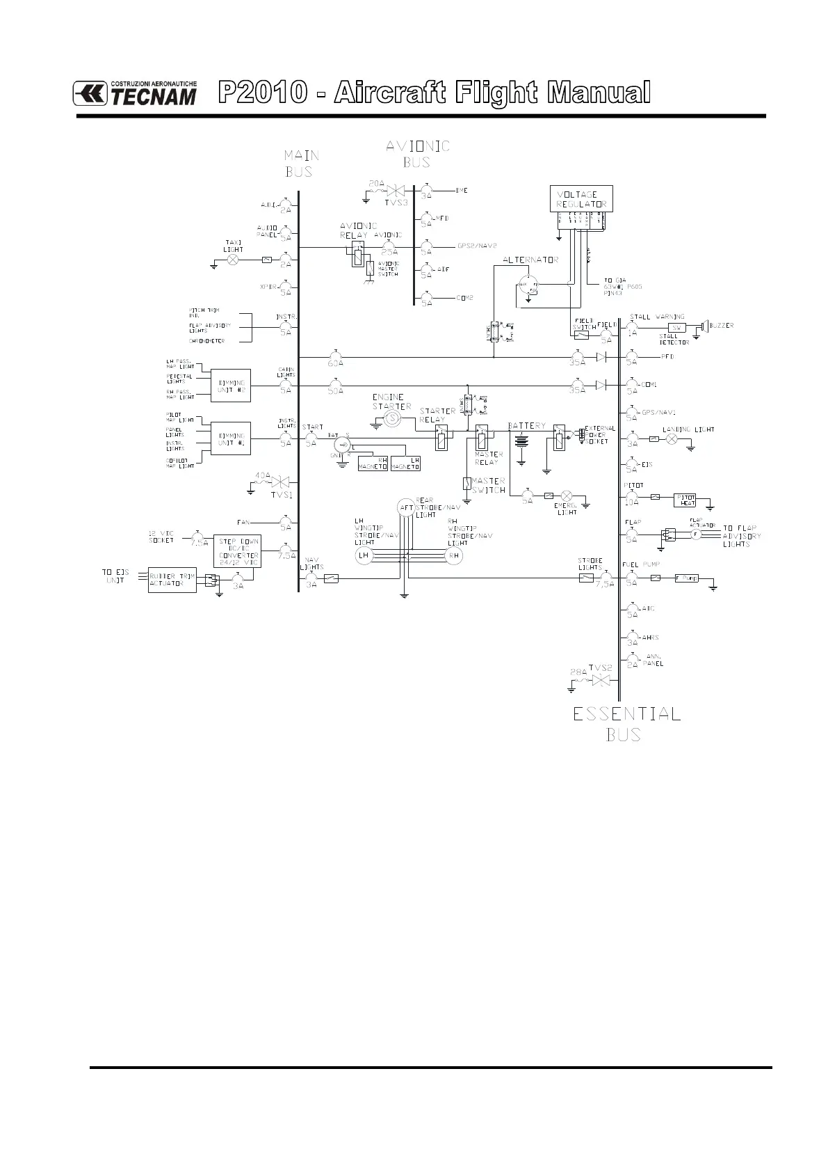
Section 7 Airframe and Systems description
ELECTRICAL SYSTEM
FIG.7-15. ELECTRICAL SYSTEM ARCHITECTURE
9.1. STALL WARNING SYSTEM
The aircraft is equipped with a stall warning system consisting of a sensor located
on the right wing leading edge connected to a warning horn located near the in-
strument panel.

Table of Contents

Other manuals for Tecnam P2010

Related product manuals