EasyManua.ls Logo

Tecnam P2010 - Page 580

Tecnam P2010
587 pages
Print Icon
To Next Page IconTo Next Page
To Next Page IconTo Next Page
To Previous Page IconTo Previous Page
To Previous Page IconTo Previous Page
Loading...
AFMS N° D08 FOR ALTERNATIVE AVIONICS CONFIGRATION AND
VARIABLE PITCH PROPELLER EQUIPPED AIRPLANES
Page GV 7-21
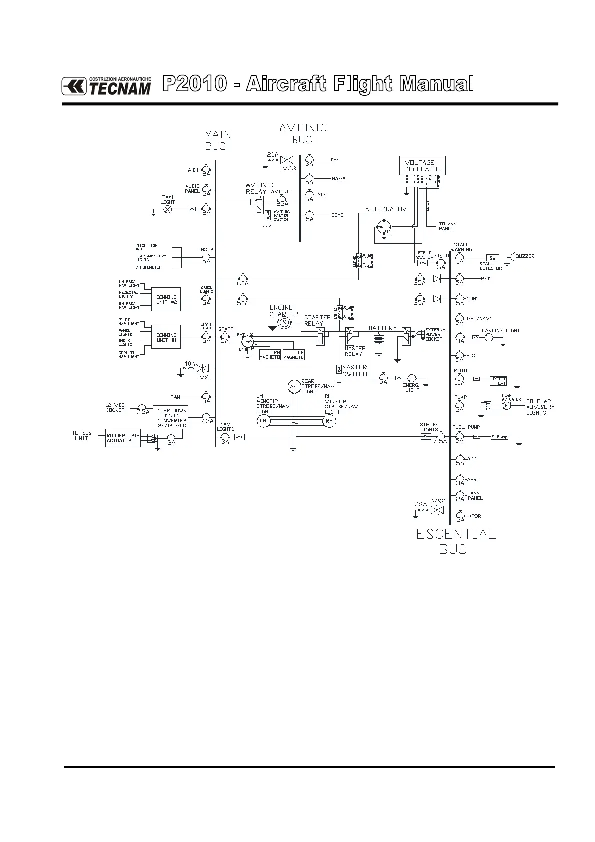
FIG.7-15. ELECTRICAL SYSTEM ARCHITECTURE
9.1 STALL WARNING SYSTEM
The aircraft is equipped with a stall warning system consisting of a sensor locat-
ed on the right wing leading edge connected to a warning horn located near the
instrument panel.
Section 7 Airframe and Systems description
ELECTRICAL SYSTEM
Ed. 1, Rev. 0

Table of Contents

Other manuals for Tecnam P2010

Related product manuals