EasyManua.ls Logo

Telit Wireless Solutions ML865G1 - Page 72

Telit Wireless Solutions ML865G1
86 pages
Print Icon
To Next Page IconTo Next Page
To Next Page IconTo Next Page
To Previous Page IconTo Previous Page
To Previous Page IconTo Previous Page
Loading...
ML865G1 HW Design Guide
1VV0301632 Rev. 4 Page 72 of 86 2020-09-23
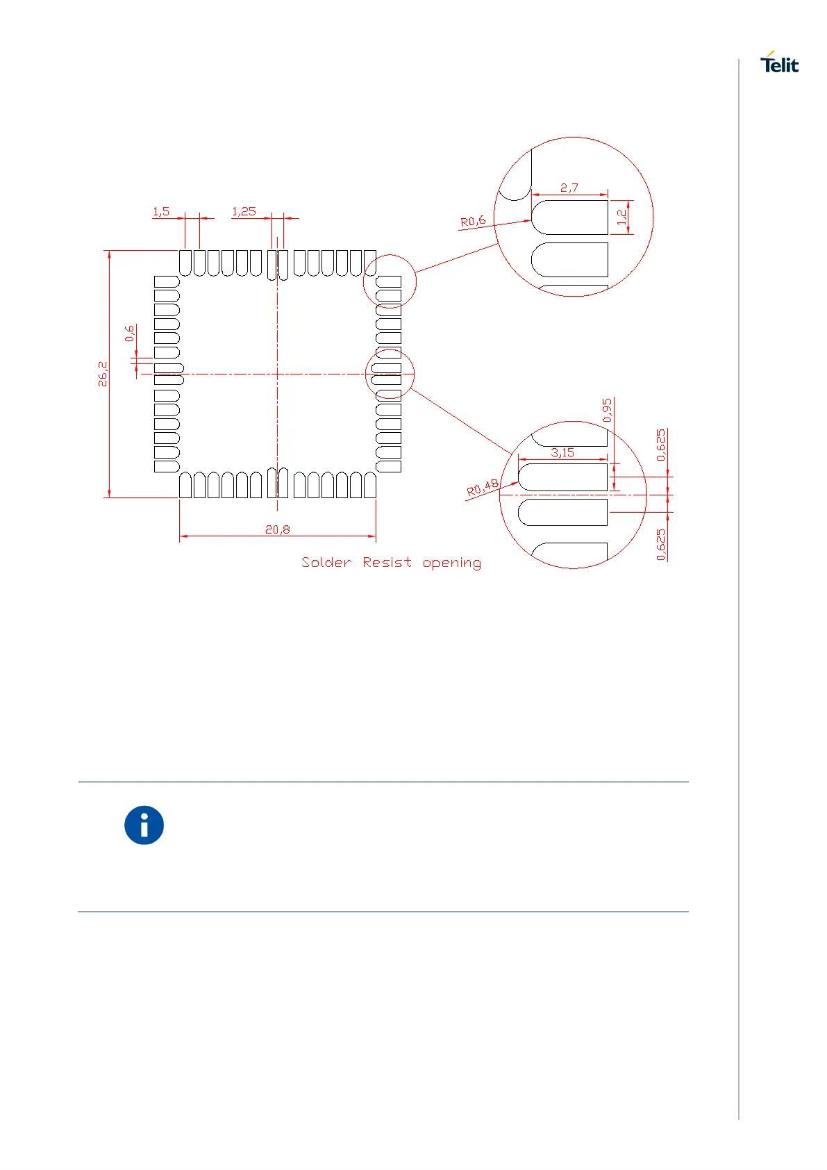
In order to easily rework the ML865G1 is suggested to consider on the application a 1.5
mm placement inhibit area around the module.
It is also suggested, as common rule for an SMT component, to avoid having a mechanical
part of the application in direct contact with the module.
NOTE:
In the customer application, the region under WIRING INHIBIT (see
figure above) must be clear from signal or ground paths.

Table of Contents

Other manuals for Telit Wireless Solutions ML865G1

Related product manuals