EasyManua.ls Logo

Texas Instruments AFE5832 - Page 69

Texas Instruments AFE5832
83 pages
Print Icon
To Next Page IconTo Next Page
To Next Page IconTo Next Page
To Previous Page IconTo Previous Page
To Previous Page IconTo Previous Page
Loading...
FPGA_CLK_OUT_P
FPGA_CLK_OUT_M
FPGA_SYSREFP
FPGA_SYSREFM
FPGA_GTXCLK_P
FPGA_GTXCLK_M
LMK_ADC_CLKP
LMK_ADC_CLKN
SYSREFP_SERDES
SYSREFM_SERDES
3900pF
C134
47pF
C133
620
R77
GNDGND
0.68uF
C131
39k
R76
CP1
0.1uF
C136
GND0.1uF
C139
GND
0.1uF
C142
0.1uF
C143
0.1uF
C144
0.1uF
C141
GND
LMK_CS
11
R83
1.8k
R86
1.8k
R85
GND
GNDGND
100
R84
GND
0.1uF
C152
GND
0.1uF
C147
GND
GND
GND
0.1uF
C155
10uF
C153
GND
1
2
J53
GND
100
R96
DNP
0.01µF
C156
DNP
0.1uF
C157
GNDGND
0
R100
0.01µF
C158
GND
120 ohm
FB11
0.1uF
C162
CP1
GND
GND
Green
12
D1
750
R92
Green
12
D2
750
R93
Green
12
D3
750
R95
Green
12
D4
750
R97
GND
0.1uF
C150
0.1uF
C151
GND
GND
SCLK
SDATA
LMK_SYNC
LMK04826
CLKIN_LMK
0.1uF
C132
0
R82
DNP
0
R81
DNP
0
R80
DNP
0R79
DNP
0
R75
DNP
0
R74
DNP
0
R78
DNP
0
R99
DNP
0
R101
DNP
0
R94
DNP
0
R98
DNP
0
R89
DNP
0
R90
DNP
LMK BUF_VCC
LMK BUF_VCC
LMK BUF_VCC
LMK BUF_VCC
LMK BUF_VCC
LMK BUF_VCC
LMK BUF_VCC
FPGA_CLK_OUT_P
FPGA_CLK_OUT_M
FPGA_SYSREFM
FPGA_GTXCLK_M
FPGA_GTXCLK_P
FPGA_SYSREFP
LMK _SYNC
TP44
DNP
TP45
DNP
TP47
DNP
TP43
DNP
TP42
DNP
TP48
CW16X_CLEAN_N
CW16X_CLEAN_P
CW1X_CLEAN_N
CW1X_CLEAN_P
49.9
R87
GND
49.9
R91
GND
CP2
CP1
CP2
FPGA_GTXCLK_P
FPGA_GTXCLK_M
FPGA_SYSREFM
FPGA_SYSREFP
FPGA_CLK_OUT_P
FPGA_CLK_OUT_M
GND
GND
GND
LMK_CLKIN0_P
LMK_CLKIN0_N
LMK_CLKIN0_P
LMK_CLKIN0_N
LMK_CLKIN1_P
TP40
DNP
CLKin_SEL0
CLKin_SEL1
STATU S_LD1
STATU S_LD2
RESET/GPO
OSCINn
OSCINp
OSCINn
OSCINp
120 ohmFB10
LMK_CLKIN1_P
CLKin_SEL1
CLKin_SEL0
STATU S_LD2
STATU S_LD1
TP41
DNP
10uF
C135
10uF
C138
10uF
C145
0.1uF
C149
0.1uF
C148
0.1uF
C146
LMK Input Clock Sources
1
2
3
J55
RESET/GPO
LMK RESET
LMK_DATA_OUT
CLKsrc_SE_2
LMK RESET
7
100pF
C137
100pF
C140
100pF
C161
100pF
C154
10pF
C159
LMK_CLKIN2_P
LMK_CLKIN2_N
SH-1
SH-4
SH-3
SH-2
VDD
4
E/C
1
GND
2
OUT
3
125 MHz
Y2
VCC1-B3B-125M000000
FB4
FB5
FB6
FB9
FB8
FB7
CPLD_CLK_P
CPLD_CLK_M
VC
1
TRI-STATE
2
GND
3
OUT
4
NC
5
VDD
6
40MHz
Y3
TP46
DNP
DCLKOUT0
1
DCLKOUT0*
2
SDCLKOUT1*
4
SDCLKOUT1
3
RESET
5
SYNC
6
NC
7
NC
8
NC
9
VCC1_VCO
10
LDOBYP1
11
LDOBYP2
12
SCK
19
SDIO
20
SDCLKOUT5
22
VCC3_SYSREF
21
SDCLKOUT5*
23
DCLKOUT4
24
DCLKOUT4*
25
VCC4_CG2
26
DCLKOUT6
27
DCLKOUT6*
28
SDCLKOUT7
29
SDCLKOUT7*
30
CLKIN1*/FIN*/FBCLKIN*
35
VCC6_PLL1
36
CLKIN0
37
CLKIN0*
38
VCC7_OSCOUT
39
OSCOUT
40
OSCOUT*
41
VCC8_OSCIN
42
OSCIN
43
OSCIN*
44
VCC9_CP2
45
CPOUT2
46
DCLKOUT8
51
DCLKOUT8*
52
VCC11_CG3
53
DCLKOUT10
54
DCLKOUT10*
55
SDCLKOUT11
56
SDCLKOUT11*
57
CLKIN_SEL0
58
CLKIN_SEL1
59
SDCLKOUT13
60
SDCLKOUT13*
61
DCLKOUT12
62
PAD
65
SDCLKOUT3
13
SDCLKOUT3*
14
DCLKOUT2
15
DCLKOUT2*
16
VCC2_CG1
17
CS*
18
STATUS_LD1
31
CPOUT1
32
VCC5_DIG
33
CLKIN1/FIN/FBCLKIN
34
VCC10_PLL2
47
STATUS_LD2
48
SDCLKOUT9
49
SDCLKOUT9*
50
DCLKOUT12*
63
VCC12_CG0
64
U4
LMK 04821NKDR
21
S2
2200pF
C160
1
2
3
4
5
J56
1
2
3
4
5
J51
1
2
3
4
5
J52
1
2
3
J54
1
2
J57
3
2
1
4
5
6
PRI SEC3
2
1 6
5
4
T5
ADT4-1WT+
0
R88
www.ti.com
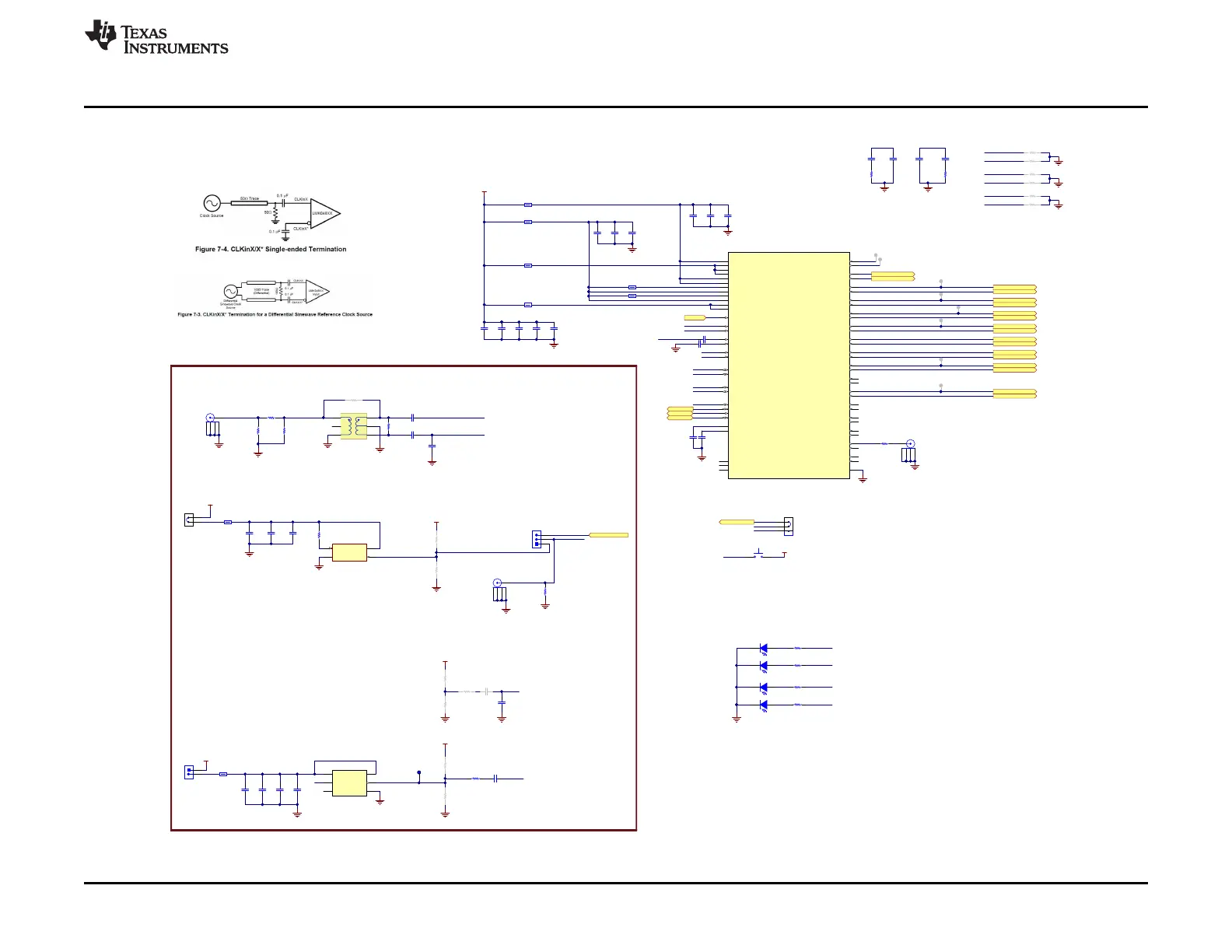
AFE5832 EVM Schematic
69
SLOU489August 2017
Submit Documentation Feedback
Copyright © 2017, Texas Instruments Incorporated
Hardware Reference
Figure 80. AFE5832 Rev. A EVM Schematic 11 of 12

Table of Contents

Related product manuals