EasyManua.ls Logo

Texas Instruments LaunchPad MSP430FR2355 - Schematics; Schematics (1 of 2); Schematics (2 of 2)

Texas Instruments LaunchPad MSP430FR2355
32 pages
Print Icon
To Next Page IconTo Next Page
To Next Page IconTo Next Page
To Previous Page IconTo Previous Page
To Previous Page IconTo Previous Page
Loading...
www.ti.com
Schematics
25
SLAU680May 2018
Submit Documentation Feedback
Copyright © 2018, Texas Instruments Incorporated
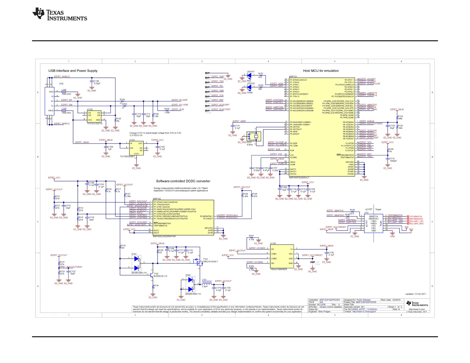
MSP430FR2355 LaunchPad™ Development Kit (MSP
EXP430FR2355)
6 Schematics
Figure 17. Schematics (1 of 2)

Table of Contents