EasyManua.ls Logo

Texecom Premier 412 Premier 816 Premier 832

Texecom Premier 412 Premier 816 Premier 832
20 pages
To Next Page IconTo Next Page
To Next Page IconTo Next Page
To Previous Page IconTo Previous Page
To Previous Page IconTo Previous Page
Loading...
Premier 412/816/832 Installation Manual Installation
INS159 9
The table below shows maximum cable runs when one
keypad or expander is installed using standard 7/0.2 alarm
cable with various loads:
Configuration Max. Cable Run
1. Keypad + 2 PIR’s @15mA 250m
2. Expander + 2 PIR’s @15mA 250m
3. Expander + 8 PIR’s @15mA 100m
4. As No. 3 + 16 Speaker 30m
Overcoming Voltage Drop
There are several ways to overcome voltage drop:
Use thicker lower resistance cable. Standard 7/0.2
alarm cable has a resistance of 8 per 100m
Double up on the power connections – this will require
using a 6 or 8-core cable rather than a 4-core cable
Install a power supply to power the device locally,
remember to common the two negative connections
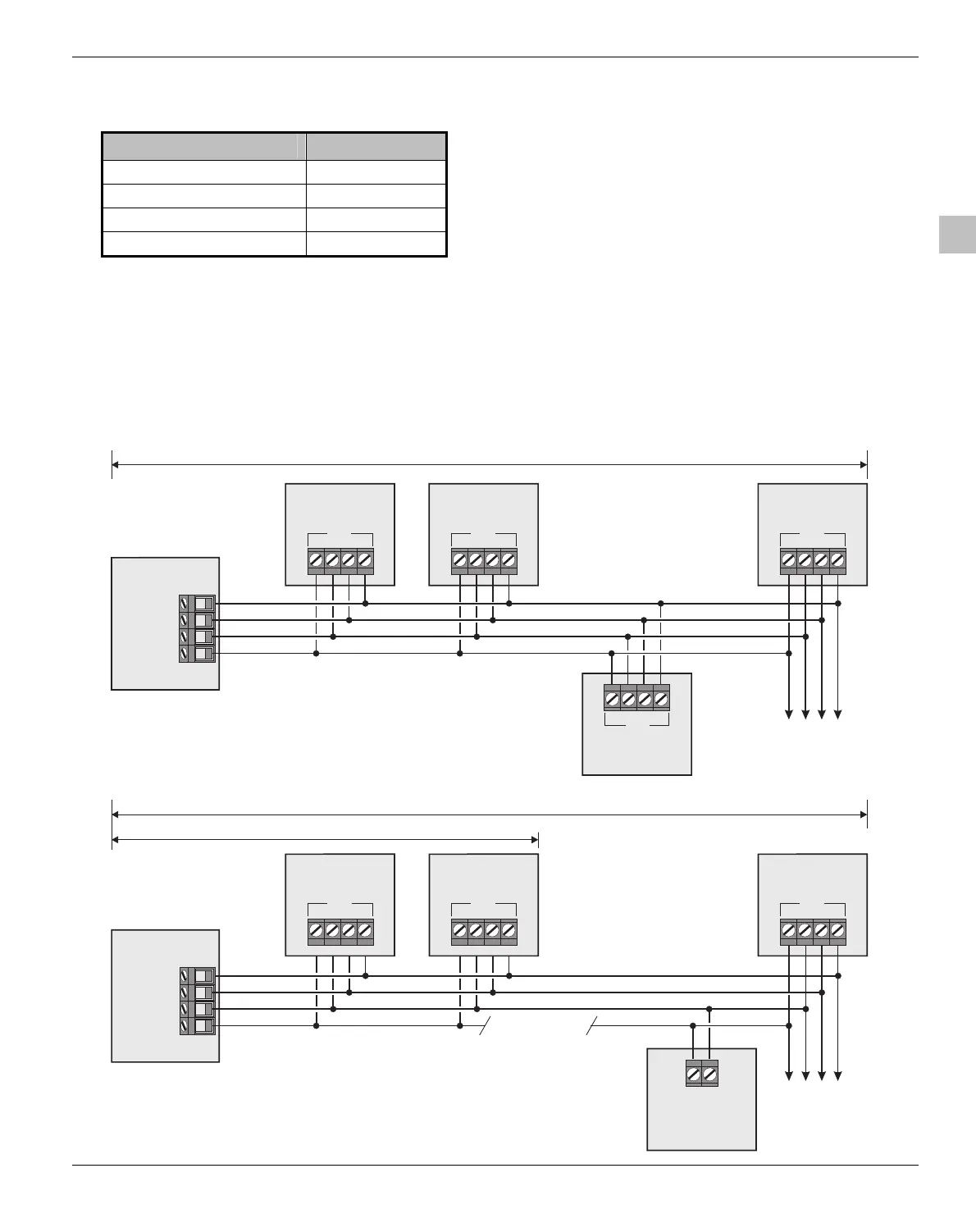
Installing a Power Supply
When a power supply is installed, the 0V connections on the
power supply must be connected through to 0V on the
control panel and the +12V connection between the control
panel and the device must be disconnected (see figure
below).
Control Panel
+
TR
Remote Keypad
-
Data
Data Bus
+
TR
-
+
TR
Remote Keypad
-
Data
+
TR
Remote Keypad
-
Data
Remote Expander
+
TR
-
Data
To additional
devices
250 metres
Control Panel
Data Bus
+
TR
-
+
TR
Remote Keypad
-
Data
+
TR
Remote Keypad
-
Data
+
TR
Remote Keypad
-
Data
12V Power Supply
+
-
To additional
devices
1 Kilometre
Disconnect +12V
from control panel
250 metres
Data Bus Connections (250m without additional power supply).
Data Bus Connections (1Km with additional power supply).

Related product manuals