EasyManua.ls Logo

Thermo Scientific DensityPRO-T - Current Output; Wiring the Optional ISIO Boards

Thermo Scientific DensityPRO-T
102 pages
Print Icon
To Next Page IconTo Next Page
To Next Page IconTo Next Page
To Previous Page IconTo Previous Page
To Previous Page IconTo Previous Page
Loading...
Wiring
Wiring the Optional ISIO Boards
Wiring the
Optional ISIO
Boards
Current Output
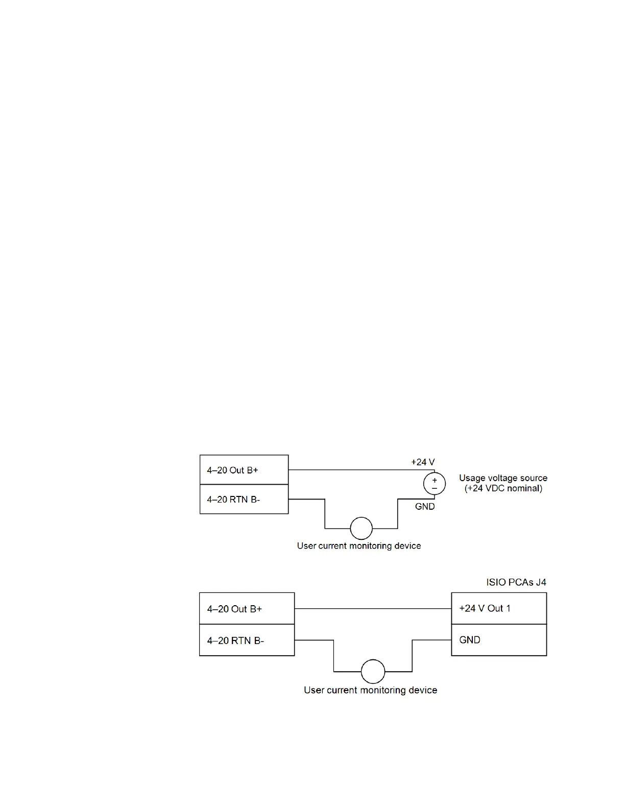
There are two configurations available for the 420 mA current output on J3 port of
the ISIO PCA.
Intrinsically safe, isolated, loop-powered (default)
Intrinsically safe, isolated, self-powered
All configurations can drive a 750-ohm maximum load over the full current output
range. The current output is programmable between 3.8 and 20.5 mA. The current
output has a fault low condition of 3.6 mA or less and a fault high condition of 20.8
mA or greater.
J3 is a standard 420 mA output with no Fieldbus options. The entity parameters are
as follows:
Vmax = 35.25 V
Imax = 200 mA
Ci = 0 nf
Li = 0
Pmax = 0.81 W
The default current output configuration is isolated, loop-powered.
The figures below demonstrate the wiring configurations possible using the J3 ports on
the ISIO PCA.
Figure 4-18. Optional 420 mA Output, Isolated Loop-Powered
Figure 4-19. Optional 420 mA Output, Isolated Self-Powered
4-12 DensityPRO Installation Manual Thermo Scientific

Table of Contents

Related product manuals