EasyManua.ls Logo

ThyssenKrupp NBS - Connecting the NBS Emergency Brake

ThyssenKrupp NBS
156 pages
Print Icon
To Next Page IconTo Next Page
To Next Page IconTo Next Page
To Previous Page IconTo Previous Page
To Previous Page IconTo Previous Page
Loading...
O
PERATING MANUAL
NBS
TECHNOLOGY
ThyssenKrupp Aufzugswerke GmbH
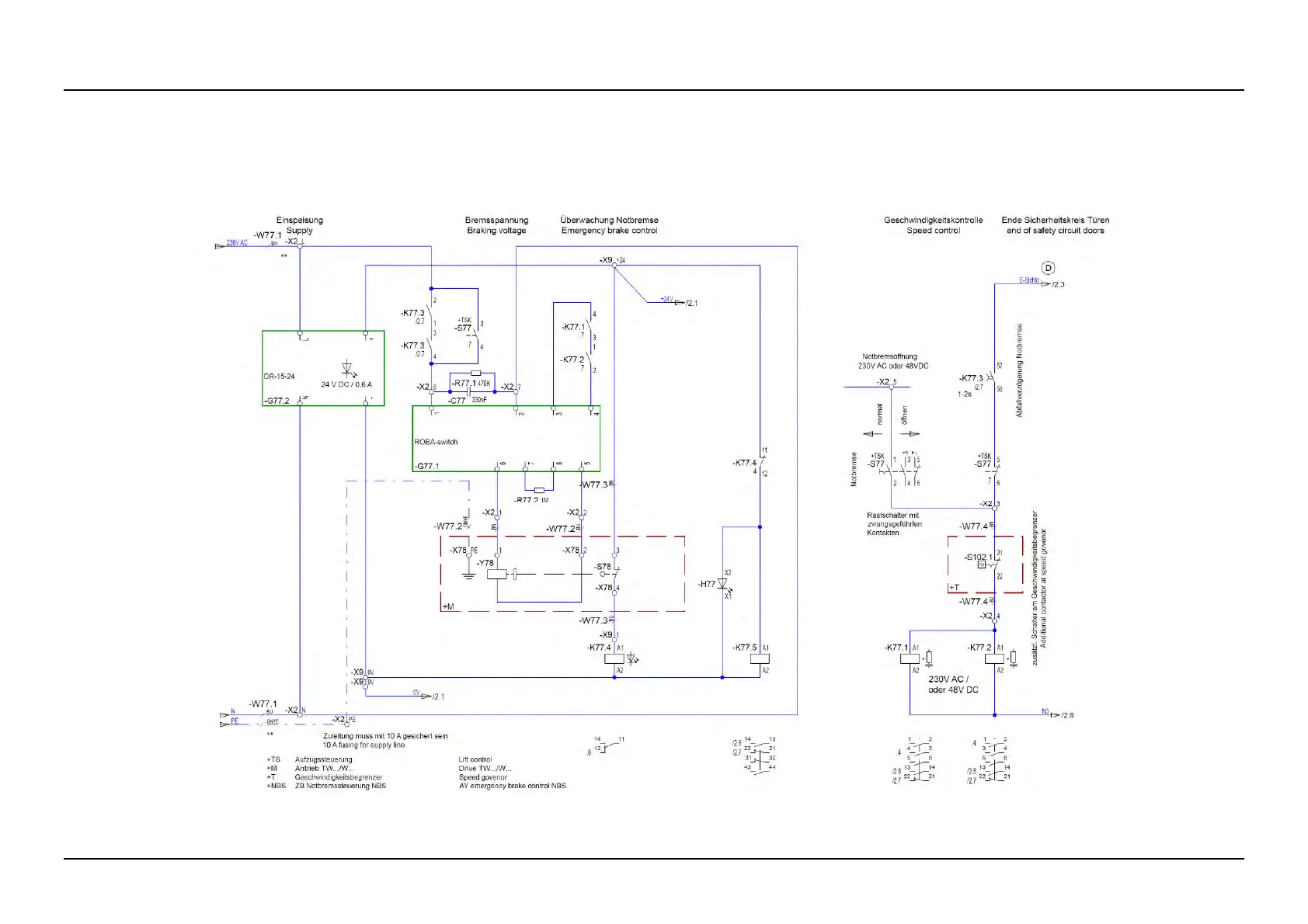
3.5 Connecting the NBS emergency brake
3.5.1 Monitoring of door monitor, NBS switchbox, ROBA switch
Fig. 3.5.1
31
10-2012

Related product manuals