EasyManua.ls Logo

TMQ AP4 - Examples - Drive Connection Diagrams

TMQ AP4
62 pages
Print Icon
To Next Page IconTo Next Page
To Next Page IconTo Next Page
To Previous Page IconTo Previous Page
To Previous Page IconTo Previous Page
Loading...
TMQ AP4 Autopilot (AP4S10) 40 of 62 Version 4.96 9/10/2017
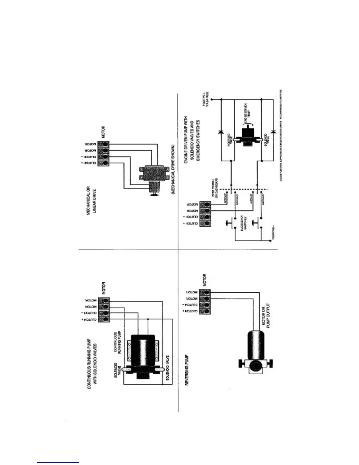
Examples - Drive Connection Diagrams

Table of Contents

Other manuals for TMQ AP4

Related product manuals