EasyManua.ls Logo

Topens DKC2000 - Control Board Wiring Details; Motor Connection; Limit Switches Connection; Transformer Connection

Topens DKC2000
26 pages
Print Icon
To Next Page IconTo Next Page
To Next Page IconTo Next Page
To Previous Page IconTo Previous Page
To Previous Page IconTo Previous Page
Loading...
14
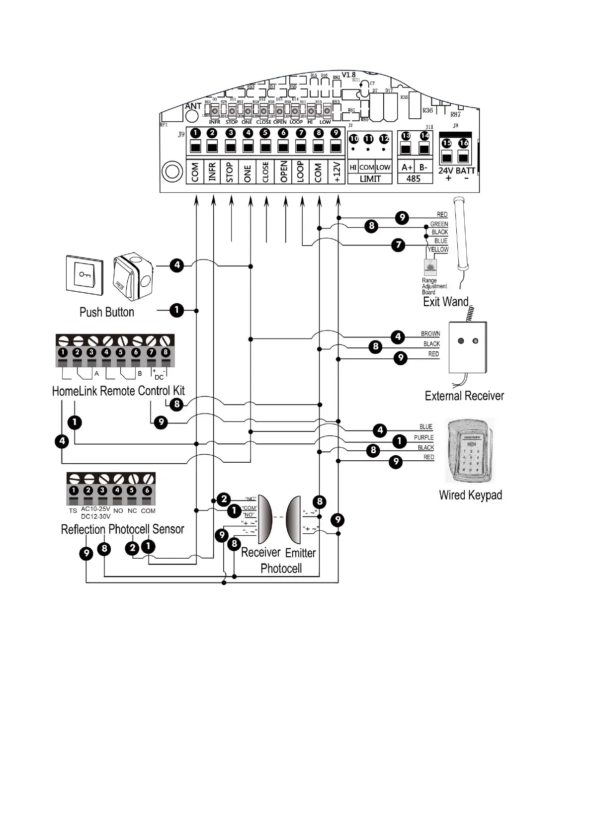
1. Motor
The BLACK wire of the motor should be connected to the “MOTOR-” terminal (#25).
The RED wire of the motor should be connected to the “+ MOTOR” terminal (#24).
2. Limit Switches
The WHITE wire of the limit switches should be connected to the “HI terminal (#10).
The BLACK wire of the limit switches should be connected to the “COM” terminal (#11).
The BLUE wire of the limit switches should be connected to the “LOW” terminal (#12).
3. Transformer
The input (RED wires) of the transformer should be connected to the AC-OUTPUT N” terminal (#19) and
AC-OUTPUT L” terminal (#20). No matter the polarity.
The output (BLACK wires) of the transformer should be connected to the “AC 24V” terminal (#17) and “AC
24V” terminal (#18). No matter the polarity.

Related product manuals