EasyManua.ls Logo

Toshiba SMMS-e - Page 74

Toshiba SMMS-e
96 pages
Print Icon
To Next Page IconTo Next Page
To Next Page IconTo Next Page
To Previous Page IconTo Previous Page
To Previous Page IconTo Previous Page
Loading...
74
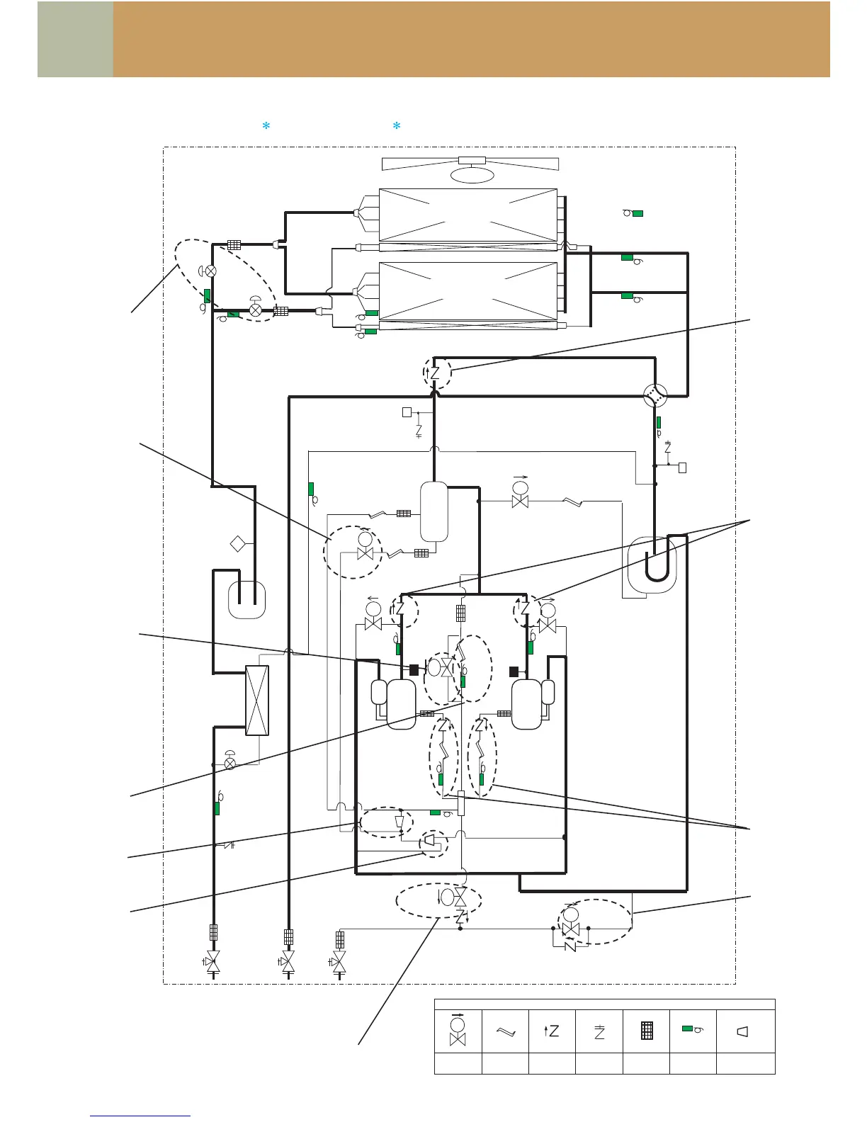
Leaking/Clogging
<Cooling, Heat pump type>
Outdoor Unit (14, 16HP)
Model : MMY-MAP1406
, CMMY-MAP1606
(TD2)
(TS1)
(TE1)
(TK2)
(TK1)
(TD1)
(TK4)
(TE2)
(TO)
SV
SV
SV
SV
M
(TG2)
(TG1)
(TL3)
SV
SV
SV
(TK5)
(TS3)
(TL1)
(TL2)
(SV3B)
(SV3A)
(SV2)
(SV3D)
(SV42)
(SV41)
(SV3C)
(PMV4)
Fan
Fan motor
Right side
Main heat exchanger
Left side
Main heat exchanger
Right side Sub heat exchanger
Left side Sub heat exchanger
(PMV1)
(PMV3)
4-way valve
High-pressure
sensor
Low-pressure
sensor
Oil separator
Accumulator
Liquid Tank
Liquid side
Service valve
Gas side
Service valve
Balance pipe
Service valve
Oil Header
High-
pressure
switch
High-
pressure
switch
Reducer
Fusible
plug
FP
Sub cool
heat
exchange
Compressor
1
(Inverter)
Compressor
2
(Inverter)
SV
Solenoid
valve
Capillary
tube
Check
valve
Check
joint
Strainer
Temperature
sensor
Symbol
Distributor
H
G
K
I
J
E
F
D
C
B
A

Table of Contents

Other manuals for Toshiba SMMS-e

Related product manuals