EasyManua.ls Logo

VAMP 50 - Inverse operation time; Inverse time limitation; Setting groups

VAMP 50
232 pages
Print Icon
To Next Page IconTo Next Page
To Next Page IconTo Next Page
To Previous Page IconTo Previous Page
To Previous Page IconTo Previous Page
Loading...
Technical description 2 Protection functions 2.12 Directional earth fault protection
I0φ>
(
67N
)
VM50.EN004 VAMP 24h support phone +358 (0)20 753 3264
65
Inverse operation time
Inverse delay means that the operation time depends on the
amount the measured current exceeds the pick-up setting. The
bigger the fault current is the faster will be the operation.
Accomplished inverse delays are available for both stages I
0
>
and I
0
>>. The inverse delay types are described in chapter
2.23. The device will show a scaleable graph of the configured
delay on the local panel display.
Inverse time limitation
The maximum measured secondary residual current is 10xI
0N
and maximum measured phase current is 50xI
N
. This limits the
scope of inverse curves with high pick-up settings. See chapter
2.23 for more information.
Setting groups
There are two settings groups available for each stage.
Switching between setting groups can be controlled by digital
inputs, virtual inputs (mimic display, communication, logic)
and manually.
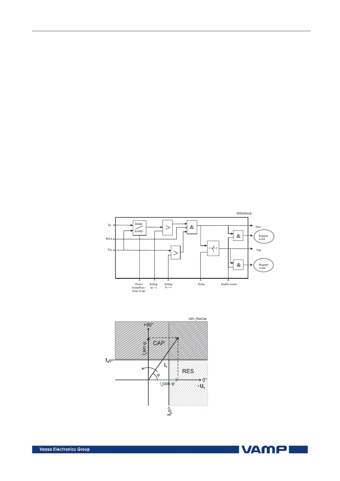
Figure 2.12-1. Block diagram of the directional earth fault stages I
0
> and
I
0
>>
Figure 2.12-2. Operation characteristic of the directional earth fault
protection in Res or Cap mode. Res mode can be used with compensated
networks and Cap mode is used with ungrounded networks.

Table of Contents

Related product manuals