EasyManua.ls Logo

VAMP 59 - Page 50

Default Icon
212 pages
Print Icon
To Next Page IconTo Next Page
To Next Page IconTo Next Page
To Previous Page IconTo Previous Page
To Previous Page IconTo Previous Page
Loading...
2.5 Overcurrent protection I>
(50/51)
2 Protection functions
Technical description
50
VAMP 24h support phone +358 (0)20 753 3264
VM59.EN001
Inverse time limitation
The maximum measured secondary current is 50xI
N
. This
limits the scope of inverse curves with high pick-up settings.
See chapter 2.14 for more information.
Cold load and inrush current handling
See chapter 3.3.
Setting groups
There are two settings groups available for each stage.
Switching between setting groups can be controlled by digital
inputs, virtual inputs (communication, logic) and manually.
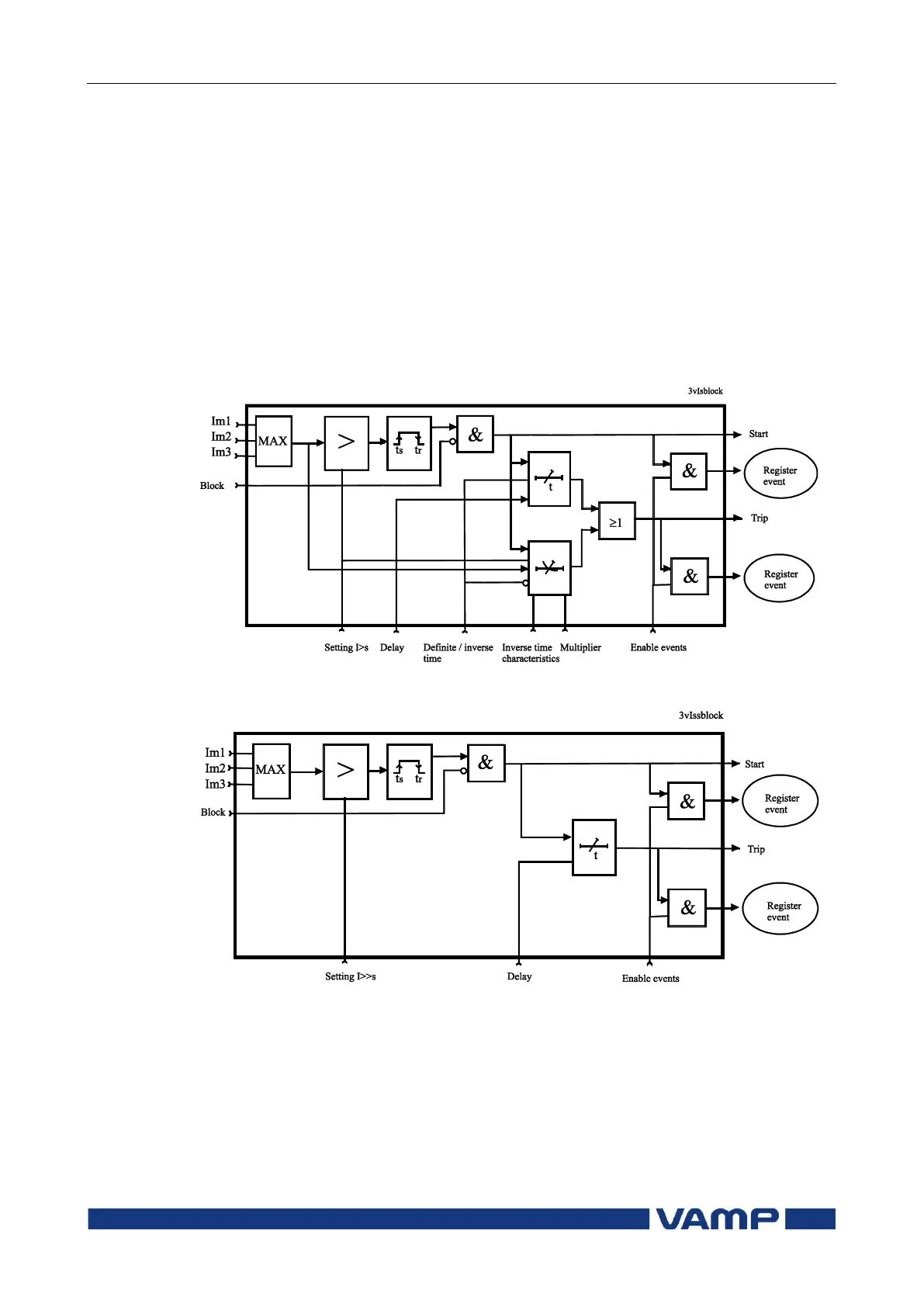
Figure 2-5 Block diagram of the three-phase overcurrent stage I>.
Figure 2-6 Block diagram of the three-phase overcurrent stage I>> and
I>>>.

Table of Contents

Related product manuals