EasyManua.ls Logo

Vertiv EXS - Internal Battery Installation (Side Cabinet)

Vertiv EXS
108 pages
Print Icon
To Next Page IconTo Next Page
To Next Page IconTo Next Page
To Previous Page IconTo Previous Page
To Previous Page IconTo Previous Page
Loading...
EXS
84 User Manual 10H52260UM60 - Rev. 1 - 10/2017
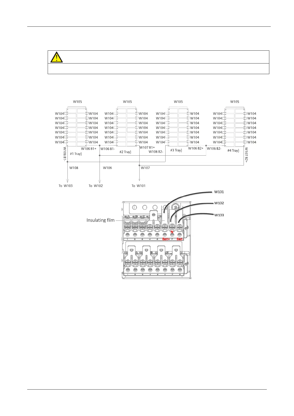
c) Insert four battery trays into the battery compartment (from bottom to top, see Figure 8-4). Connect cables
W106, W1
07 and W108 as shown in Figure 8-2, then use the screws (accessories) to secure the battery trays.
d) Connect the cables W101, W102 and W103 to the Bat+, N and Bat- terminals, respectively.
Note
The user must remove the insulating film before connecting the cables, and replace the insulating film after the connection
procedure is complete
e) Connect the cables: W101 and W107, W102 and W106, W103 and W108.
f) Use a multimeter to guarantee the battery polarities are co
rrect.
g) Rep
lace the cover on the battery co
mpartment.
Figure 8-2 Installing standard UPS internal batteries

Table of Contents

Related product manuals