EasyManua.ls Logo

Viessmann B2HF - BCU burner control unit

Viessmann B2HF
136 pages
Print Icon
To Next Page IconTo Next Page
To Next Page IconTo Next Page
To Previous Page IconTo Previous Page
To Previous Page IconTo Previous Page
Loading...
123
A
B
C
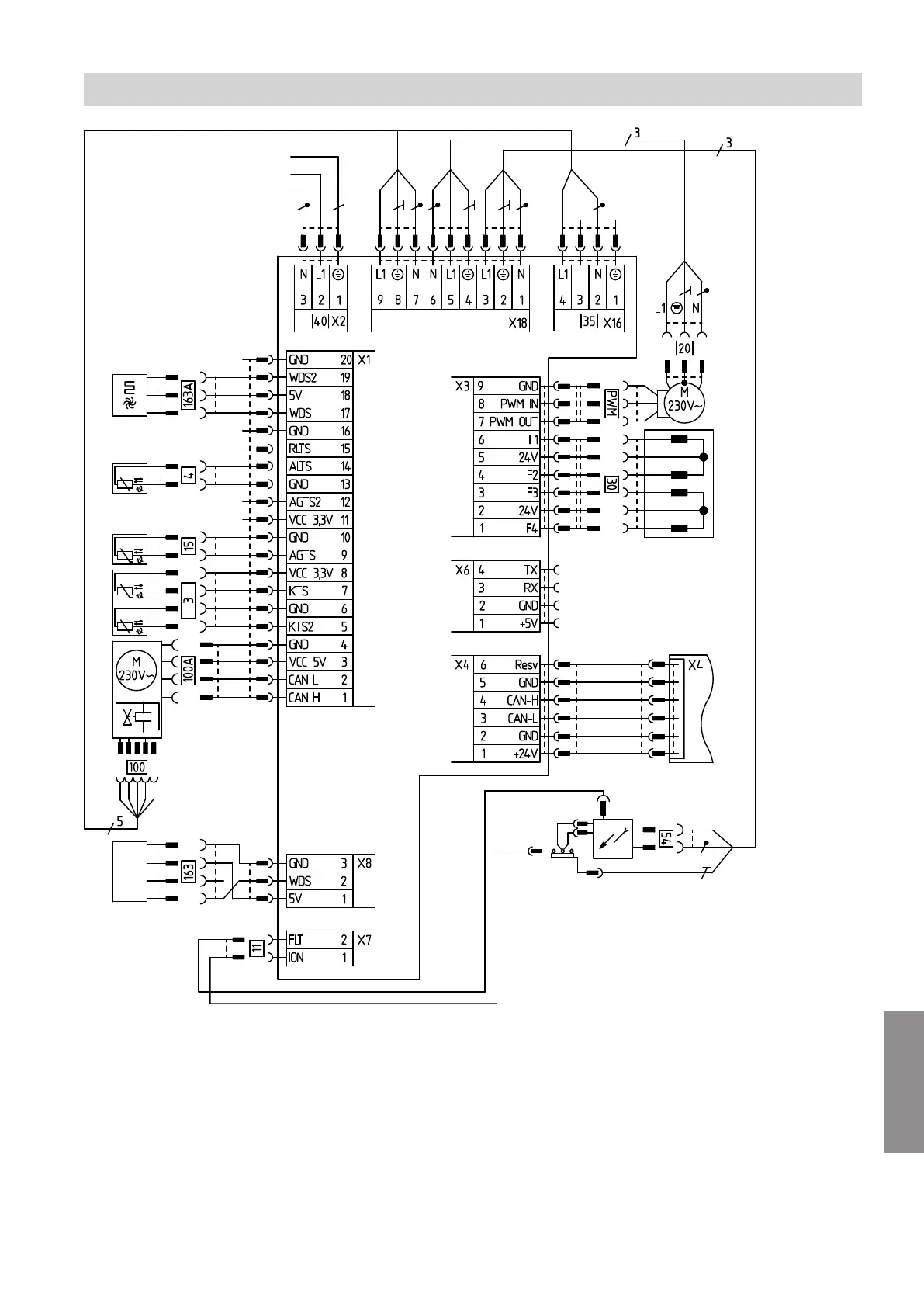
Fig. 71
PWM Control signal
X... Electrical interfaces
§
A/B
Flow temperature sensors 1 and 2
$
Outlet temperature sensor (gas condensing
combi boiler)
aA
Ionisation electrode
aG
Flue gas temperature sensor
Internal circulation pump (primary circuit pump)
3-way diverter valve
dG
Gas solenoid valve
Power supply
gF
Ignition unit
a-Ö
Fan motor
a-Ö
A
Fan motor control
aND
Water pressure sensor
aND
A
DHW flow sensor
A
BCU burner control unit
B
HMU heat management unit (plug
aBH
)
C
HMU heat management unit (plug X4)
Connection and wiring diagram
BCU burner control unit
5593201
Appendix

Table of Contents

Related product manuals