EasyManua.ls Logo

Viking DEDO130SS - Page 63

Viking DEDO130SS
68 pages
Print Icon
To Next Page IconTo Next Page
To Next Page IconTo Next Page
To Previous Page IconTo Previous Page
To Previous Page IconTo Previous Page
Loading...
63
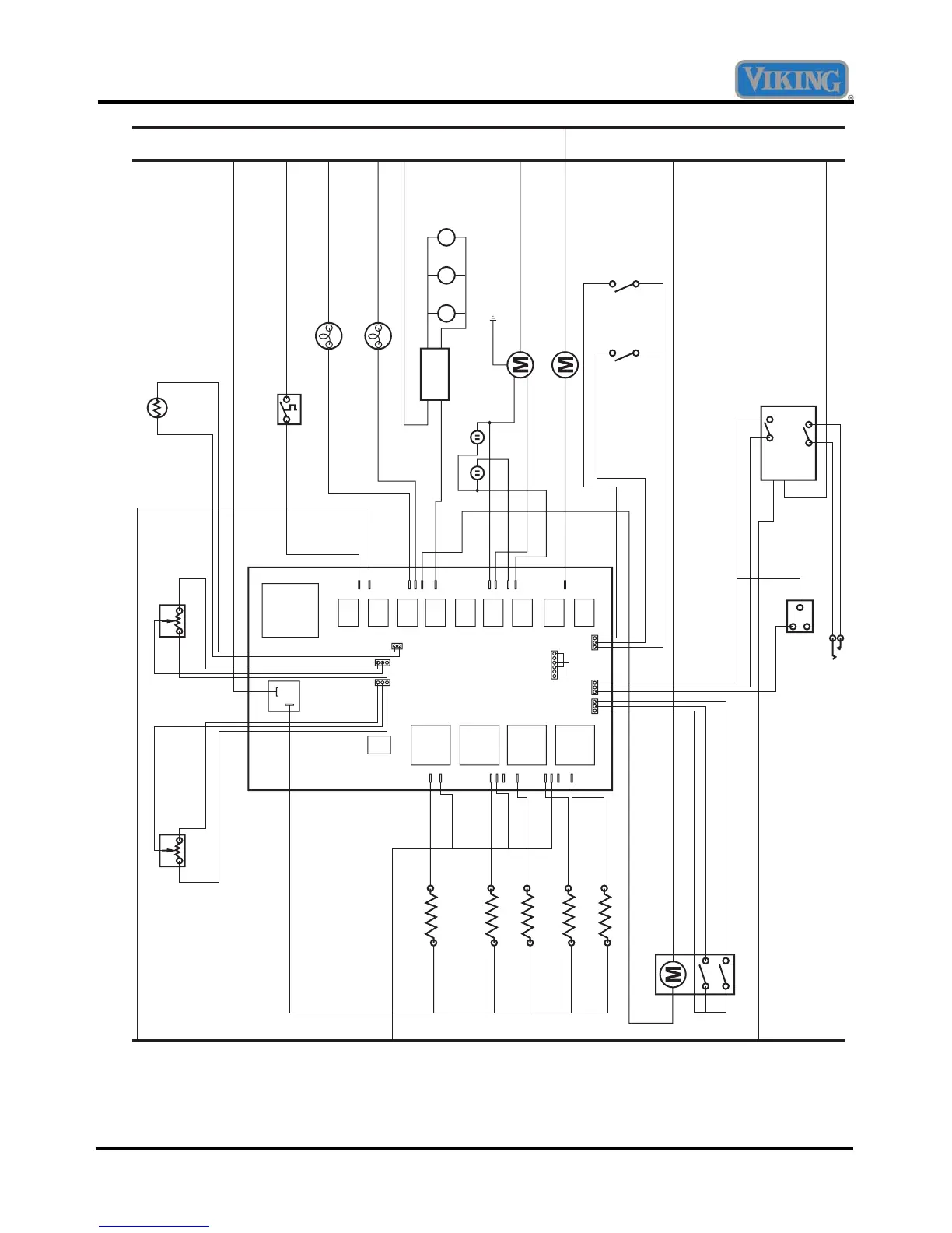
L1 L2 N
THERMAL
CUT-OUT
THERMOSTATSELECTOR
RTD
CYCLE LIGHT
CLEAN LIGHT
CONVECTION MOTOR
OVEN
LIGHT
SWITCH
TIMED CONTROL
SWITCH
DOOR
SWITCH
LIGHT
TRANSFORMER
TIMER
CONVECTION
DOOR
LATCH
MEAT PROBE JACK
OVEN LIGHTS
BLOWER MOTOR
OUTER BROIL
INNER BROIL
OUTER BAKE
INNER BAKE
RED
RED 14 GA
YEL14 GA
YEL
RED
BLK 14 GA
BLK
BLK
BLK
BLK
BRN
WHT
BLK
BLK
BLK
BLK
GRN
BLUE
WHT
ORG
WHT
RED
RED
RED
YEL
GREY
YEL
PUR
WHT
BLUE
WHT
ORG
GREY
GRN
GREY
PUR
GREY
BRN
WHT
YEL
GRN
BLUE
ORG
GREY
WHT
PUR
GREY
RED
YEL
BLK
BLK
RED
BLK
RED
WHT
WHT
L1
L2 (N)
240
VOLTS
12
VOLTS
DOOR
LOCK
123
DOOR
LIGHT
123
GRD
BU O
CAPACITORCAPACITOR
20 W 5 W 5 W
Designer Premiere Single Oven

Table of Contents

Related product manuals