EasyManua.ls Logo

Viking DEDO130SS - Designer Double Oven (Lower) Wiring Diagrams

Viking DEDO130SS
68 pages
Print Icon
To Next Page IconTo Next Page
To Next Page IconTo Next Page
To Previous Page IconTo Previous Page
To Previous Page IconTo Previous Page
Loading...
65
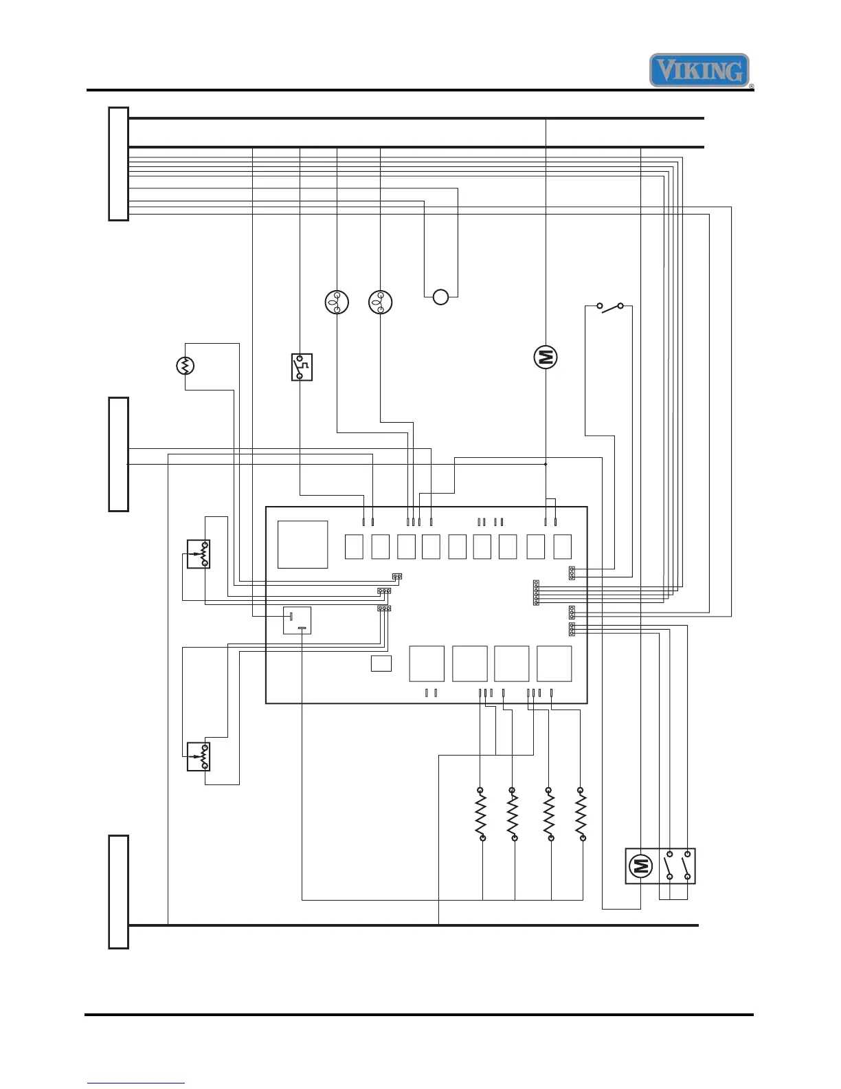
L1 L2 N
THERMAL
CUT-OUT
THERMOSTATSELECTOR
RTD
CYCLE LIGHT
CLEAN LIGHT
DOOR
SWITCH
DOOR
LATCH
OVEN LIGHTS
BLOWER MOTOR
OUTER BROIL
INNER BROIL
OUTER BAKE
INNER BAKE
RED
RED 14 GA
YEL14 GA
BLK 14 GA
BLK
BLK
BLK
WHT
BLK
BLK
BLK
GRN
BLUE
WHT
ORG
RED
RED
YEL
GREY
YEL
PUR
WHT
BLUE
WHT
ORG
GREY
GRN
PUR
BRN
WHT
YEL
WHT
PUR
GREY
RED
YEL
BLK
BLK
RED
BLK
RED
WHT
WHT
DOOR
LOCK
123
DOOR
LIGHT
123
20 W
FROM SHEET 1FROM SHEET 1 FROM SHEET 1
Designer Select Double Oven (Lower)

Table of Contents

Related product manuals