EasyManua.ls Logo

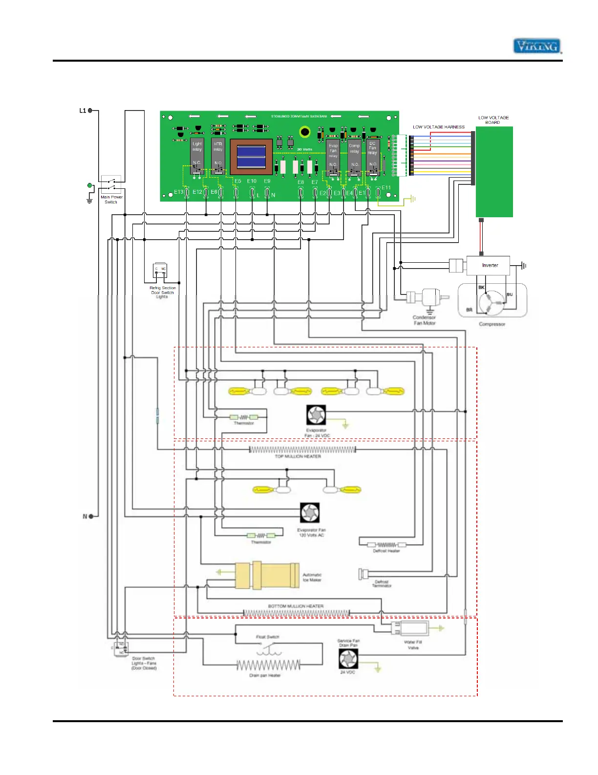
Viking VCBB536 - Wiring and Schematics; Overall System Wiring Schematic

Viking VCBB536
61 pages
Print Icon
To Next Page IconTo Next Page
To Next Page IconTo Next Page
To Previous Page IconTo Previous Page
To Previous Page IconTo Previous Page
Loading...
© 2009 Viking Preferred Service
57
Wiring and Schematics
Bottomof
Cabinet
Freezer
Compartment
Refrigerator
Compartment
Schematic

Table of Contents

Related product manuals