EasyManua.ls Logo

Viking VCBB536 - Wiring and Schematics; Lower Wiring Diagram

Viking VCBB536
61 pages
Print Icon
To Previous Page IconTo Previous Page
To Previous Page IconTo Previous Page
Loading...
© 2009 Viking Preferred Service
61
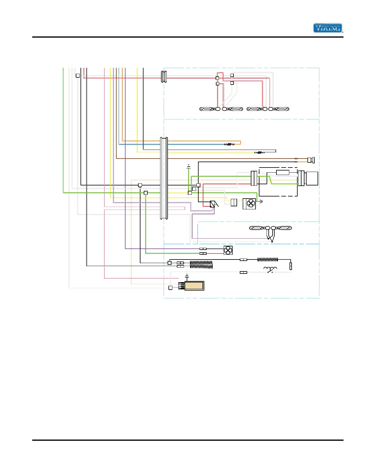
Wiring and Schematics
Wiring Diagram (lower)
Ice Maker Harness
BOTTOM OF CABINET
RD
RD
RD
WH
VT/WH
FZ LT
WH/BK
GN/YL
FREEZER COMPARTMENT
REFRIG LT
HOUSING
YL/WH
FUSE
BK/WH
22
2
2
1
1
GN/YL
GN/YL
GN/YL
GN/YL
GN/YL
VT/WH
VT/WH
VT/WH
OR
OR
RD/WH
RD/WH
RD/WH
BK
BK
BK
VT
VT
BACK OF
FZ LNR
YL/WH
BRBR
BR
BK
BR
OR
BU/WH
BK/WH
RD/WH
WH
WH
WH
WH
GN/YL
C
NO
NC
YL
YL
TN
TN
YL
FZ LT/IM
SW (DOOR
OPEN)
TN
Mullion Htr
Service Fan
PK
PK
BK
BK
BK
BK
BK
WH
BK BK
WH
WH
WH
WHWH
WH
WH
WH
WH
TN
WH
WH
Drain Pan Heater
Float Switch
FRZ LT
HOUSING
Cabinet Foot
Solenoid
Valve
Automatic
Ice Maker
Defrost
Terminator
Fan Shroud
Evaporator Fan
Defrost Heater
FZ Thermistor
CAB BACK/
LINER
GROMMET
& TUNNEL
CAB TOP/
LINER
GROMMET
& TUNNEL
Ref Light Ref Light
1
1
2
3
4
1
2
3
4
1
2
3
4
TN
RD/WH
WH

Table of Contents

Related product manuals